- 易迪拓培训,专注于微波、射频、天线设计工程师的培养
揭秘利用PI Expert v9.0进行开关电源设计全过程(1)
录入:edatop.com 点击:
PI Expert Suite 9.0软件增加了对其LinkSwitch-PL和LinkSwitch-PH LED驱动器IC以及近期推出的TinySwitch-4离线式开关IC产品系列的设计支持。PI Expert Suite 9.0可大幅缩短设计时间,从而进一步提高电源设计团队的工作效率。PI Expert Suite 9.0能够生成完整的电源电路原理图,并提供电源变压器优化技术,甚至还能指定变压器设计和提供指向线绕元件制造商的链接。散热片计算工具能够为设计师提供新电源的预估散热设计要求,这可以用来指导布局和决定机械原型,从而避免设计迭代和时间浪费。根据所选器件和封装提供更有效的PCB布局建议,帮助设计师降低走线所致的EMI并缩小电路板面积,同时还可增强电气噪声抗扰性和抗浪涌能力。最近一段时间从社区网站了解了该软件并下载试用,下面简单把使用操作过程跟大家分享一下。
我设计了一个5V/2A、12V/2A两路输出的电源。软件可到PI官网进行下载(不过需要在PI网站注册一下);软件的安装比较简单,需要注意的就是要满足软件所需硬件配置。
- 软件安装后双击桌面图标,打开软件,界面如下,初次打开会有每日技巧窗口弹出,会提示你一些软件使用技巧,如果不需要可设置关闭该功能。


PI Expert Suite 9.0界面
- 下面开始设计,点击菜单【文件】在下拉菜单中选择【新建】,或者单击主工具栏新建图标,或快捷键ctrl+N也可以,创建一个新的设计,弹出新建设计向导窗口。


新建设计向导窗口
- 设计一个5V/2A、12V/2A两路输出的电源,通过简单查询PI的产品,初步选定采用TOPSwitch-JX系列芯片,点击【下一步】按钮进入输入参数设置窗口,如下图所示,这里选择交流默认值为通用。


4.设置好输入参数后,点击【下一个】按钮,进入输出参数设置窗口,单击【添加】按钮对输出参数(电压、电流等)进行设置,如下图所示。


- 点击【下一个】进入设计设置,该窗口中可以设置本设计的名称,及相关参数设置;点击【完成】,完成参数设置.

6.完成相关参数设置后,弹出优化窗口,如下图,在窗口中可设置最终优化方案的数目,也可对磁芯范围进行设置,单击【确定】按钮,软件开始进行优化,如下图。


- 优化结束后,列出最佳的6个方案(根据之前设置不同,列出方案数目也会不同),如下图,选择其中一个方案,打开。

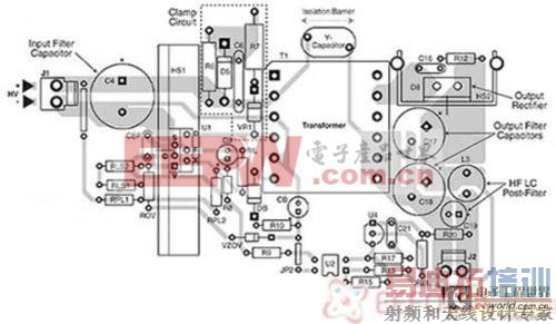
8.默认打开第一个方案,如下图所示,原理图及PCB布局布线图。



射频工程师养成培训教程套装,助您快速成为一名优秀射频工程师...
射频和天线工程师培训课程详情>>

