- 易迪拓培训,专注于微波、射频、天线设计工程师的培养
采用CMX638的语音通信模块电路设计
CMX638是一款专用于通信系统中语音编解码芯片,讲解了CMX638的基本结构、功能,并给出了基于CMX638的语音系统的外围电路设计以及与其通信控制器的软件设计与实现。实际应用表明,该系统可适用许多需要语音处理的通信场合。
语音通信系统是通信中非常重要的一个部分。如何在有限的频段下,传输更多高质量的语音信息,是人们研究的一个重点课题。现在,对于语音处理芯片有很多,包括CMX618/638和AMBE2000等。和AMBE2000相比,CMX638虽然压缩的语音速率的选择没有AMBE2000多,但是它内部包含了语音CODEC 模块,它可以灵活选择使用内部的CODEC或者外部的CODEC,从而在实际的运用中有较大的吸引力,本文以CMX638为基础,设计和实现了一个语音处理模块。
电源供电电路设计

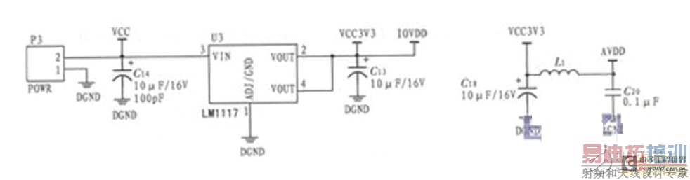
由于CMX638包含了模拟电路和数字电路,其供电也要求有模拟供电AVDD、数字端口供电IOVDD 及数字供电VDD,其中AVDD 电压为3.3 V,IOVDD 的电压为3.3 V,VDD的电压为1.8 V。如图所示为其供电电路,采用芯片LM1117-3.3,输入电压为5 V,输出.电压为3.3 V 工IOVDD 使用。采用同样的电路,只是将芯片换为LM1117-1.8,就可以实现1.8 V 的数字电路供电。而3.3 V 的模拟电路供电可采用L1、C20、C18进行滤波,减小数字电路供电和模拟电路供电之间的干扰。同时,数字地DGND 和模拟地AGND 可采用0欧电阻来连接。在实际的电路设计以及PCB 板的制作中,为了防止电磁干扰,在尽量靠近CMX638芯片的每个电源引脚附近加一个0.1μF 的电容进行滤波。
语音电路
语音输入电路采用LM358进行放大,如图所示。

由于采用CMX638内部CODEC,其23脚CSCEL 需要连接到IOVDD 上,CODEC PORT接口中的15脚SDI、17脚SCLK、18脚STRB 需要连接到DGND。在此状态下,由于CMX638内部模拟电路自带了输入语音和输出语音放大电路,因此可以直接将话筒语音采用差分方式接入CMX638的5脚(INPUTP)和6脚(INPUTN),而将其10脚(OUTP)和11脚(OUTN)的输出语音直接送给扬声器。在实际的应用中,不能将语音输出两脚短路。
CMX638能够运用到很多通信的环境,而且其内部包内涵了16位A/D、D/A 转换,因此不需要外加单独的codec 模块,并且能够实现多种传输速率,全双工数据处理。经过实际的测试,该系统能够适用于需要进行语音处理的许多通信系统中。
射频工程师养成培训教程套装,助您快速成为一名优秀射频工程师...
天线设计工程师培训课程套装,资深专家授课,让天线设计不再难...
上一篇:一种燃料电池测试方案
下一篇:数字电源IC逼近模拟产品的性能

