- 易迪拓培训,专注于微波、射频、天线设计工程师的培养
电动机的过电流保护电路
录入:edatop.com 点击:
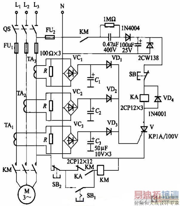
今天介绍的是电动机的过电流保护电路。当电动机启动时,按一下带锁扣式按钮SBi,启动结束(电动机转速稳定后),再按一下SBi,这时保护电路投入工作。对于启动时间短(如数秒)的电动机,SBi也可采用普通按钮,只要在启动过程中一直按着SBi即可。
电动机正常运行时,电流互感器TAi~TA3次级感应电势较小,也不足以触发晶闸管V。如下图所示。

射频工程师养成培训教程套装,助您快速成为一名优秀射频工程师...
天线设计工程师培训课程套装,资深专家授课,让天线设计不再难...
上一篇:tda2003典型功放电路
下一篇:三步搞定开关电源设计
射频和天线工程师培训课程详情>>

