- 易迪拓培训,专注于微波、射频、天线设计工程师的培养
家用电磁炉电路原理
录入:edatop.com 点击:
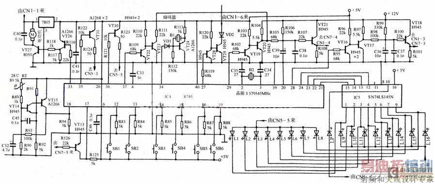
电磁炉是一种利用电磁感应原理将电能转换为热能的厨房电器。在电磁灶内部,由整流电路将50/60Hz的交流电压变成直流电压,再经过控制电路将直流电压转换成频率为20-40KHz的高频电压,高速变化的电流流过线圈会产生高速变化的磁场,当磁场内的磁力线通过金属器皿(导磁又导电材料)底部金属体内产生无数的小涡流,使器皿本身自行高速发热,然后再加热器皿内的东西。如下图所示,为家用电磁炉的原理电路图。

射频工程师养成培训教程套装,助您快速成为一名优秀射频工程师...
天线设计工程师培训课程套装,资深专家授课,让天线设计不再难...
上一篇:用EL156构建25W单端甲类胆机电路
下一篇:无线调频麦克风的设计和制作
射频和天线工程师培训课程详情>>

