- 易迪拓培训,专注于微波、射频、天线设计工程师的培养
几种采用555时基控制电路分析
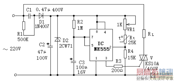
采用555时基电路的简易温度控制器:采用555时基集成电路和很少的外围元件组成的一个温度自动控制器。因为电路中各点电压都来自同一直流电源,所以不需要性能很好的稳压电源,用电容降压法便能可靠地工作。电路元件价格低、体积小、便于在业余条件下自制。该电路制作的温度自动控制器可用于工业生产和家用的电加热控制,效果良好。
电路工作原理 :当温度较低时,负温度系数的热敏电阻Rt阻值较大,555时基集成电路(IC)的2脚电位低于Ec电压的1/3(约4V),IC的3脚输出高电平,触发双向晶闸管V导通,接通电加热器RL进行加热,从而开始计时循环。当置于测温点的热敏电阻Rt温度高于设定值而计时循环还未完成时,加热器RL在定时周期结束后就被切断。当热敏电阻Rt温度降低至设定值以下时,会再次触发双向晶闸管V导通,接通电加热器RL进行加热。这样就可达到温度自动控制的目的。

元器件的选择:热敏电阻Rt可采用负温度系数的MF12型或MF53型,也可以选择不同阻值和其他型号的负温度系数热敏电阻,只要在所需控制的温度条件下满足Rt+VR1=2R4这一关系式即可。电位器VR1取得大一些能获得较大的调节范围,但灵敏度会下降。双向晶闸管V也可根据负载电流的大小进行选择。其他元件没有特殊要求,根据电路图给出参数来选择。
采用555时基电路的自动温度控制器
电路工作原理:通过温度的变化可以对用电设备进行控制其运行的状态IC1555集成电路接成自激多谐振荡器,Rt为热敏电阻,当环境温度发生变化时,由电阻器R1、热敏电阻器Rt、电容器C1组成的振荡频率将发生变化,频率的变化通过集成电路IC1555的3脚送入频率解码集成电路IC2LM567的3脚,当输入的频率正好落在IC2集成电路的中心频率时,8脚输出一个低电平,使得继电器K导通,触点吸合,从而控制设备的通、断,形成温度控制电路的作用。

元器件的选择:IC1选用NE555、μA555、SL555等时基集成电路;IC2选用LM567频率解码集成电路;VD选用IN4148硅开关二极管;R1选用RTX—1/4W型碳膜电阻器。C1、C2、C3选用CT1瓷介电容器;C4、C5选用CD11—25V型的电解电容器;K选用工作电压9V的JZC—22F小型中功率电磁继电器;Rt可用常温下为51KΩ的负温度系数热敏电阻器;RP可用WSW型有机实心微调可变电阻器。
简易温度控制器整个电路可安装在一块线路板上,一般不需要调试,时间间隔为1.1R2×C3,应该比加热系统的热时间常数选得小一些,但也不能太小,否 则会因为双向晶闸管V急速导通或关闭而造成过分的射频干扰。安装调试完后可装入一个小塑料盒内,并将热敏电阻Rt引出至测温点即可。过程中只要电路无误,本电路很容易实现,如果元件性能良好,安装后不需要调试即可用。
射频工程师养成培训教程套装,助您快速成为一名优秀射频工程师...
天线设计工程师培训课程套装,资深专家授课,让天线设计不再难...
上一篇:智能移动加湿器红外避障电路模块设计
下一篇:智能手表EL升压系统电路设计

