- 易迪拓培训,专注于微波、射频、天线设计工程师的培养
一款采用微处理器控制方式的洗碗机电路设计原理
采用微处理器控制方式的洗碗机。其使用电压220V。清洗泵电机功率120W,排水泵电机功率60W,发热器功率800W。采用喷臂喷射洗涤,设预洗、清洗、中洗、强洗四种洗法;洗涤时间为清洗档20—25min,中洗、强洗档35~70min;利用余热干燥餐具。
原理分析:
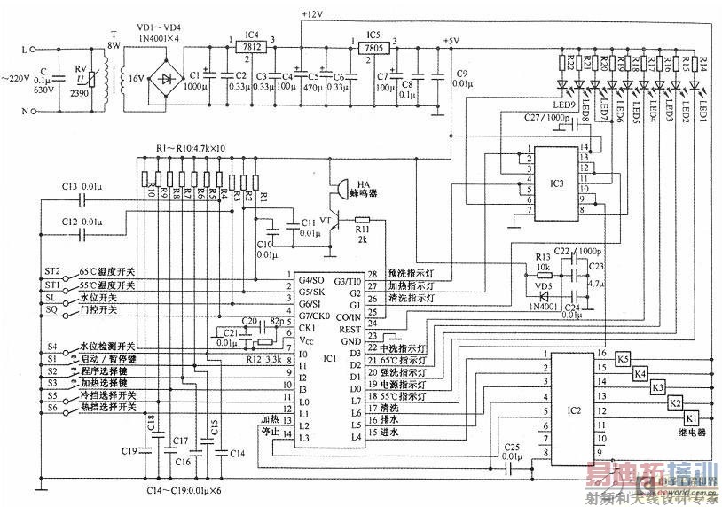
(1)220V市电电源加至电源变压器T的初级,降压后由次级输出16V交流电压。该电压经整流器VD1—VD4桥式整流、电容C1和C2滤波后,产生直流电压,再经三端稳压集成电路IC4稳压,产生12V直流电压,供功率驱动集成电路IC2及控制继电器K1~ K5用电。同时,该直流电压再经三端稳压集成电路IC5稳压,产生5V直流电压,作为微处理器IC1、IC3及蜂鸣器HA的工作电源。
在输入电源两端并联高频滤波电容C和压敏电阻RV。高频滤波电容C能滤除交流电网杂波信号,防止干扰微处理器工作;压敏电阻RV能防止过电压和雷电窜入电路,起过压保护作用。

(2)微处理器IC1⑥脚为5v电源输入端,23脚为接地端。由IC1①脚及其外接65℃温度开关ST2,②脚及其外接55℃温度开关ST1以及电阻Rl和R2、电容C10和C11等元件组成水温控制开关电路,用来控制水的温度。由IC1③、④脚与7~12脚及其外接水位开关SL、门控开关SQ、水位检测开关S4、“启动/暂停”键S1、“程序选择”键“S2、加热选择”键S3、冷档选择开关S5、热档选择开关S6以及电阻R3—Rl0、电容C12~C19等元件共同组成程序功能开关电路,用于程序功能选择。
(3)由ICl@脚及其外接电阻Rll、三极管VT、蜂鸣器HA等元件共同组成蜂鸣器控制电路。当洗碗机排水后,ICl@脚输出脉冲信号,经三极管VT放大,驱动蜂鸣器HA发出呜叫声,提示洗碗机洗涤结束。由IC124脚及其外接电阻R13、电容C22~C24及二极管VD5等元件共同组成复位电路,每次通电开机时,对ICl@脚的内电路进行清零。
(4)由IC1(18)~22脚、26~28脚及其外接55℃指示灯、电源指示灯、强洗指示灯、65℃指示灯、中洗指示灯、清洗指示灯、加热指示灯、预洗指示灯等元件共同组成功能显示控制电路,用于程序功能显示。其中,指示灯LED6~LED9 分别受IC3⑧、11、③、⑥脚输出信号控制。IC1(13)~(17)脚分别是加热、停止、进水、排水、清洗功能输出端,对应与功率驱动集成电路 IC2④、⑤、①~③脚输入端连接。IC2的12~16脚分别外接控制继电器K1~K5,其吸合与断开受IC1输出信号控制,使相应继电器的常开触点动作,实现进水、清洗、加热、排水、停止等功能。
射频工程师养成培训教程套装,助您快速成为一名优秀射频工程师...
天线设计工程师培训课程套装,资深专家授课,让天线设计不再难...
上一篇:单片集成的小型调频发射电路
下一篇:冰箱风冷同步控制器电路

