- 易迪拓培训,专注于微波、射频、天线设计工程师的培养
采用ISL6228笔记本电脑电源管理电路设计
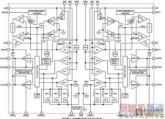
Intersil公司的ISL6228是两路同步降压PWM控制器,它采用Intersil的RobustRippleRegulator(R3)技术,能对输入电压和输出负载的瞬态变化提供极好的动态响应。广泛应用于通用开关电源降压稳压器,PCIExpress图像处理单元,辅助电源,VRM以及网络适配器。本文介绍了ISL6228的主要性能,典型应用电路图以及评估板ISL6228EVAL3Z评估板的电路。
高性能双输出控制器,Intersil的R3技术结合的最好特性消除他们的许多缺点。R3技术雇佣了一个创新的调制器,合成一个虚拟现实交流纹波电压信号,类似于电感纹波电流的输出。交流信号虚拟现实进入窗口比较器的误差放大器输出VCOMP低阈值,和上面的阈值是可编程电压进行比较,导致生成的PWM信号。电压参考大众集稳态PWM频率。两个边缘的脉宽调制响应输入电压瞬变和输出负载瞬变,速度远远超过传统 PWM控制器。每个通道ISL6228误差放大器,提供了±1%电压调整。
主要特性:
高性能R3技术,快速瞬态响应,调节精度±1%:-10°C + 100°C,单个功率级铁路为每个输入通道,宽输入电压范围:+ 3.3 v至+ 25 v,输出电压范围:+ 0.6 v至+ 5 v,为提高轻载效率二极管模拟模式,可编程的PWM频率:200千赫至600千赫,Pre-biased输出启动能力,集成的MOSFET驱动和自举二极管,故障保护,低电压保护装置。通用转换监管机构,PCI express的图形处理单元,网络适配器。

图1 ISL6228方框图

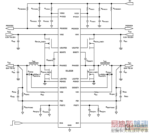
图2 SL6228应用电路图

评估板 ISL6228EVAL3Z评估板的性能和电路图
ISL6228EVAL3Z评估板显示的性能ISL6228双通道PWM控制器。ISL6228 使用intersil脉动调节器(R3)技术。1频道输出电压1.5 v和1.5 v,等待状态的切换S5。2频道输出电压为1.8 v。每个通道都有一个车载动态负载发生器包括评估瞬时荷载响应。适用4.5 300μs脉冲负载在VO1和接地,并实行5 300μs脉冲负载在摄氧量和接地。
射频工程师养成培训教程套装,助您快速成为一名优秀射频工程师...
天线设计工程师培训课程套装,资深专家授课,让天线设计不再难...
上一篇:便携式多参数环境监测仪电路设计
下一篇:用于隔离电源的H桥变压器驱动器电路设计

