- 易迪拓培训,专注于微波、射频、天线设计工程师的培养
基于AT89C51和DSl8820的数字温度计电路设计
随着现代信息技术的飞速发展和传统工业改造的逐步实现.能够独立工作的温度检测和显示系统应用于诸多领域。传统的温度检测以热敏电阻为温度敏感元件。热敏电阻的成本低,但需后续信号处理电路,而且可靠性相对较差,测温准确度低,检测系统也有一定的误差。与传统的温度计相比,这里设计的数字温度计具有读数方便,测温范围广,测温精确,数字显示,适用范围宽等特点。选用AT89C51型单片机作为主控制器件,DSl8820作为测温传感器通过4位共阳极LED数码管串口传送数据,实现温度显示。通过DSl8820直接读取被测温度值,进行数据转换,该器件的物理化学性能稳定,线性度较好,在O℃~100℃最大线性偏差小于0.1℃。该器件可直接向单片机传输数字信号,便于单片机处理及控制。另外,该温度计还能直接采用测温器件测量温度,从而简化数据传输与处理过程。
电源电路设计
由于该系统需要稳定的5 V电源,因此设计时必须采用能满足电压、电流和稳定性要求的电源。该电源采用三端集成稳压器LM7805。它仅有输入端、输出端及公共端3个引脚,其内部设有过流保护、过热保护及调整管安全保护电路.由于所需外接元件少,使用方便、可靠,因此可作为稳压电源。图4为电源电路连接图。

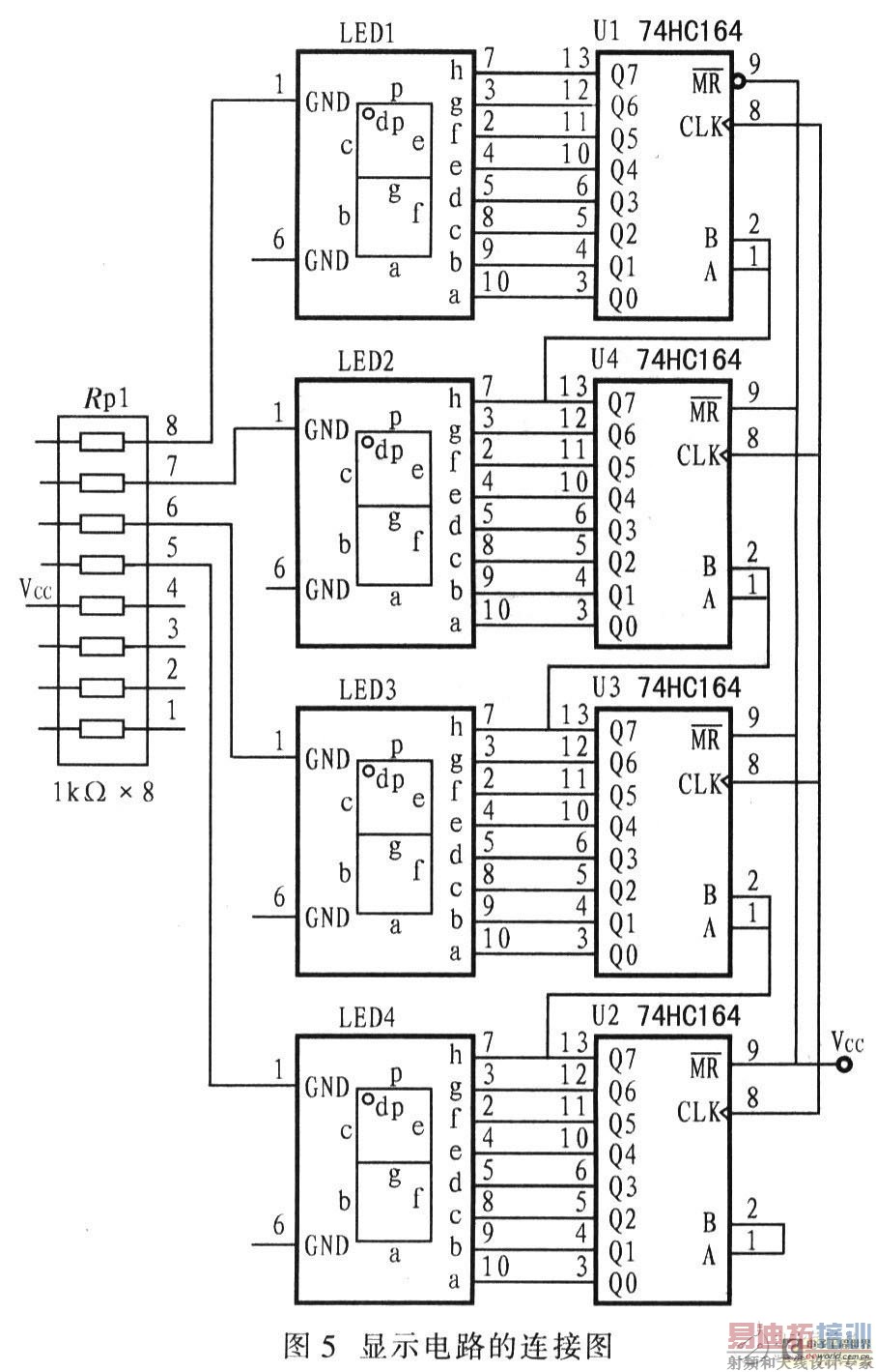
显示电路设计
采用技术成熟的74HCl64实现串并转换。LED显示分为静态显示和动态显示。这里采用静态显示,系统通过单片机的串行口来实现静态显示。串行口为方式零状态,即工作在移位寄存器方式,波特率为振荡频率的1/12。当器件执行任何一条将SBUF作为目的寄存器的命令时,数据便开始从RXD端发送。在写信号有效时,相隔一个机器周期后发送控制端SEND有效,即允许RXD发送数据,同时允许从TXD端输出移位脉冲。图 5为显示电路的连接图。

看门狗电路设计
系统中把P1.6作为看门狗的“喂狗”信号;将MAX813的RESET与单片机的复位信号RST连接。由于单片机每执行一次程序,就会给看门狗器件一个复位信号,这样也可以用手工方式实现复位。当按键按下时,SW—SPST就会在MAX813引脚产生一个超过200 ms的低电平,其实看门狗器件在1.6 s时间内没有复位,使7引脚输出一个复位信号的作用是相同的,其连接图如图6所示。

该温度测试系统不仅具有结构简单、体积小、价格低廉、精确度较高、反应速度较快、数字化显示和不易损坏等特点,而且性能稳定,适用范围广,因此特别适用于对测温要求比较准确的场所。
射频工程师养成培训教程套装,助您快速成为一名优秀射频工程师...

