- 易迪拓培训,专注于微波、射频、天线设计工程师的培养
嵌入式指纹处理系统模块电路设计
人体的指纹由于具有长期不变性、稳定性和难于伪造等特点,已经成为现代生物识别技术的首选, 自动指纹识别系统(AFIS)是指集指纹图像的采集、识别并给出身份验证结果为一体的软硬件相结合的系统。目前,自动指纹识别系统可以分为两类:一类是用专门的硬件设备来采集指纹图像,然后将采集到的图像传送给上位机,利用上位机强大的运算能力和海量的指纹特征库,来实现指纹的识别。一类是将指纹的采集与识别在一个嵌入式系统中完成,这类系统通常是用DSP这类具有高速运算能力的器件来构建。由于嵌入式指纹识别系统存在价格低廉、使用灵活方便等优点,越来越受到人们的重视。
采用了MBF200的MCU模式获取指纹图像。它与DSP和CPLD的硬件连接如下:传感器的8位数据线直接与TMS320VC5402 的低8位数据线相连,读写信号线由EPM3032AE控制,通过编程可将采集到的指纹图像数据直接存储到SRAM 四页中的任意一页或两页中, 由于SRAM 每页最多只能提供48KW 的数据空间,为了后续编写指纹识别程序的方便,编写程序设置MBF200的寄存器将采集图像数据控制在48KB以内,本文所采集的指纹图像像素为 220×220,存于SRAM的第一页。另外,需要注意的是MBF200的两种起振方式:采用内部多谐振荡器起振,将MBF200的FSET 管脚通过者外接晶体振荡电路,使用外部时钟时通过XTAL1.XTAL2连接晶体电路来产生时钟信号。本文通过设置MBF200寄存器CTRLB的 XTALSEL位为低采用第一种起振方式。指纹采集部分的硬件连接如图2所示。

图2 指纹采集部分硬件连接图 USB接口扩展电路模块
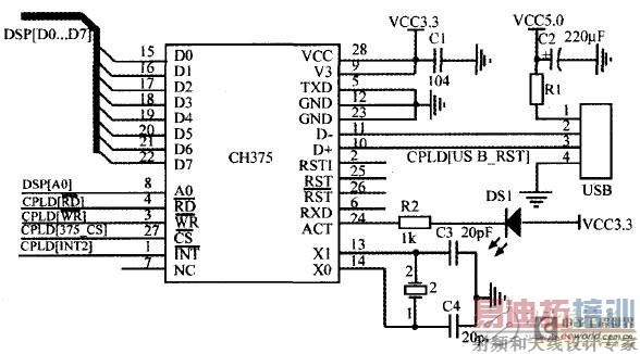
考虑到模块板可能需要外挂海量存储器存储指纹模版及与PC机等上位机进行通信,采用CH375扩展了系统的USB接口,它是一个USB总线的通用设备接口芯片,无需用户编写驱动程序,CH375以C语言子程序库提供了USB存储设备的文件级接口,这些应用层接ISIAPI包含了常用的文件级操作,可以方便移植并嵌入到各种常用的单片机程序中,这样对USB 设备的通信就几乎和访问本地硬盘一样。它具有8位数据总线(D0-D7)、读(/RD)、写(/WR)、片选控制线(/CS)以及中断输出(/INT),可以方便地与TMS320VC5402进行连接。另外CH375有一个地址线A0,它占用两个地址位,当A0引脚为高电平时选择命令端口,可以写入命令; 当A0引脚为低电平时选择数据端口,可以读写数据,其硬件连接如图3所示。

图3 USB扩展硬件连接图
对于嵌入式指纹处理模块硬件的构建,考虑到整个模块所需实现的功能、成本和处理速度的要求,选用TI公司生产的DSP处理器TMS320VC5402作为整个模块的核心处理芯片,它是TI公司推出的一款性价比极高的DSP处理器,其内部包括4KW 的ROM,16KW 片内DARAM,2个定时器,4个外部中断,外部程序空间可扩展到1MW,并且它可工作在3种低功耗方式(IDLE1,IDLE2,IDLE3),能较好的满足本模块需要。指纹图像采集芯片选择FUJITSU公司推出的新一代固态指纹传感器MBF200。它是一款专为嵌入式系统设计的高性能、低功耗的电容指纹传感器。
射频工程师养成培训教程套装,助您快速成为一名优秀射频工程师...

