- 易迪拓培训,专注于微波、射频、天线设计工程师的培养
一款简洁稳定的音频功放的制作
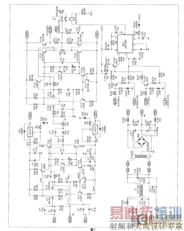
一、调校要点
1.焊好LM317和LM337及其附属的稳压元器件,加+55V和-55V电压,调整电阻Ra和Rb,将输出电压调至+42.0V和-42.0V。
2.焊好前级放大器的所有元器件,其中差分放大器的电阻和管子要配对。电阻最好选用1/2W的。多圈电位器R12要旋至阻值最大位置。短路VT8的集电极与+42V电源的接点、VT9的集电极与-42V电源的接点。
3.将电阻R13用一个100Ω电阻串联一个500Ω电位器代替,加±55V电源,调节电位器阻值,使VT 8和VT9的发射极(中点)电位为0.00V。从板上焊下100 Ω电阻和串联的电位器,量出它们的阻值,用同样阻值的电阻焊在R13处。
4.下电,将VT9的集电极与-42V电源的短路接点断开,接入直流电流表。上电,逐渐调小电位器R12的阻值,电流表的读数逐渐增大。将电流调至10mA。
5.重复步骤3,至此前级调校结束。
6.后级的调校步骤与前级的步骤大体一致,只是VT 18的集电极电流取20mA左右,VT20的集电极电流取50mA~200mA(视个人爱好及散热器温度)。
7.信号通路中的耦合电容最好选用补品电容,本人在这里选用的是耐压50V的无极性电容。
二、设计要点和参数的选取
差分输入级选用两只2SK30A场效应管,这是因为2SK30A的线性工作范围大于1.2V。对于1V左右的输入电平可以不失真地放大,若用2SK389等则不能胜任。2SK30A的工作电流范围为0.3mA~6.5mA,在此取1mA左右。当然,此值也可以取得大一些,如2mA~3mA,但漏极电阻要作适当的调整,使2SK30A工作于放大区中点,选用不同的电流只要改变电阻R6的阻值即可。0.58(V)÷240(Ω)≈2.4(mA),分配到每只2SK30A的源漏电流即为1.2mA。
为了提高恒流源的稳定性,VT4选用了一只超β管BC33740,其β值一般在300~400之间。第二级放大电流取第一级的3倍左右,若想取得更大一些,可适当减小电阻R10。前后级放大线路板的尺寸为129.6mm×91.5mm。
为了减小整机的体积,VT10、VT11,VT12、VT13、VT15、VT16均焊在线路板的元件面上,所有需要散热的中大功率三极管(VT14、VT17、VT18、VT19、VT20)的管脚均弯折90°,固定于散热器上后(加绝缘垫),再焊到印制电路板下面。这样焊好所有元器件的后级放大器的高度仅有15mm。320W的环形变压器由4只15mm高的铜柱固定于线路板上方。整机的外形尺寸为:164mm×126mm×255mm(宽×高×长)。
铝散热器选用250mm×120mm×60mm的散热器,散热器的散热面积为30000mm2,两个声道的VT14、VT17、VT18、VT19、VT20共10只管子固定于散热器上。为了增加制作的灵活性,在设计线路板时,虽然将前后级放大器设计在一块印制线路板上,但也可以在线路板51mm处割开前后级。使前后级的放置更加灵活。
为了与高档信号源连接,本放大器除了设置RCA输入插座之外,还设置了平衡输入插座(XLR插座)。这对于对失真和噪声有更高要求的用户是个好消息。
对于音响发烧友来说,既可以用一台本机组成一套Hi-Fi系统,也可以用三台组成一套5.1声道环绕声系统。本设计想方设法缩小体积,三台摆在一起才492mm宽。
主要三极管的引脚排列如图2所示,其参数;2SK30A(N-FET)50V、IDSS=0.3mA~6.5mA;BC33740(NPN)50V、800mA、625mW、hFE=250~630;2SA940(PNP)150V、1.5A、4MHz、25W;2SC2073 (NPN)150V、1.5A、4MHz、25W;2SB649(PNP)180V、1.5A、1W;2SAl837(PNP)/2SC4793(NPN)230V、1A、20W。

射频工程师养成培训教程套装,助您快速成为一名优秀射频工程师...
天线设计工程师培训课程套装,资深专家授课,让天线设计不再难...
上一篇:交流变频电源基本知识与选择参考
下一篇:变频电源的定期维护要点及其注意事项

