- 易迪拓培训,专注于微波、射频、天线设计工程师的培养
高压正弦波变频逆变电源的电路设计与实现
引言
目前,在臭氧发生器,污水处理,烟气脱硫,高功率激光,等离子体放电等技术领域,高压逆变电源正得到越来越多的应用。传统的高压逆变电源一般由工频或中频变压器直接升压或LC串联谐振获得,不可避免地具有体积大,效率低的缺点。在目前许多需要高压电源的场合,采用远远高于工频的高频高压电源效果更好,而且高频电源体积小,重量轻,是未来发展的方向。本文介绍了一种介质阻挡放电发生器专用的配套高压正弦波逆变电源。该介质阻挡放电发生器由绝缘材料和在绝缘材料两端蚀刻而成的放电极两部分组成,如图1所示。在放电极间隙中加入介质层,可有效抑制放电电流的增大,有助于在介质两端形成稳定的等离子体层。其等效电路可近似看成是电容和电阻并联组成,这种容性负载在电源设计时必须考虑其对滤波特性的影响。为了研究在不同电压和频率下该放电装置的特性,需要配套的供电电源输出电压和频率变动范围较大。就本装置而言,对电源的要求是:输出电压要能达到20kV,输出电流可达到1A,频率变化范围为5~20kHz,波形为纯正弦。以下介绍该电源的设计要点。
(a)发生器简图 (b)等效电路

图1 介质阻挡放电发生器及其等效电路示意图
高压正弦波变频逆变电源的设计
本文所设计的高压正弦波逆变电源原理图如图2所示。输入电源为三相380V,经三相桥整流后,可得约540V的直流电压(随电网电压的变化波动)。该直流电压经过DC/DC变换器,得到一个输出幅值可变的直流电压,变化范围设计为0~500V。该变换采用普通的Buck降压变换电路即可实现。可变直流电压经 DC/AC全桥逆变电路得到方波输出。该方波经LC滤波后可得到正弦波输出。滤波电感由外加电感和变压器自身漏感组成,滤波电容由变压器自身杂散电容和负载本身的电容构成。低压正弦波最后经高压高频变压器升压得到所需要的高压正弦波。一般的逆变器仅仅靠DC/AC一级变换就可同时实现变频和变压的功能,但本例对输出波形的要求较高,而且输出频率较高,不好实现高频调制,因此,采用两级变换,分别实现变频和变压的功能。

图2 高压变频逆变电源原理图
DC/DC 部分采用SG3525控制,通过改变其输出的占空比来改变直流输出电压。DC/AC部分的功能仅仅是将直流变成交流,因此,本部分的控制芯片也采用 SG3525,且其在工作过程中占空比基本保持不变,仅仅频率在设定范围内变化。80C196KC单片机在整个电路中主要起一个人机接口的作用。它负责接受控制指令并将工作过程中的一些参数及状态显示出来。键盘及显示接口电路通过8255芯片实现与CPU的通讯。参数调整接口主要负责将80C196KC的输出指令传送到SG3525电源控制芯片,以实现对电源的输出电压及频率的调整。功率开关管全部采用IGBT,所有功率管的驱动均采用专用IGBT驱动控制芯片M57959L,该芯片内部带有光电隔离器和过流保护电路,使用起来比较方便。
电路设计中的几个关键问题
1、高压高频变压器的设计
普通的开关电源输入输出都是低压,输入输出大都在几百伏以内,因此,普通高频变压器的原副边设计区别不大,比较好处理。但高压高频变压器设计起来比较困难,它有两个特点:
1)绝缘问题不好处理,体积越小,对绝缘材料的要求越高;
2)副边匝数要远远高于原边匝数,造成高压高频变压器的副边分布参数对电路的影响很大,特别是在高频情况下,变压器副边漏感和杂散电容将极大地影响能量的传输过程。

图3 高压变压器等效电路
因此,对这种变压器的分析也不同于普通高频变压器。高压变压器的等效电路图如图3所示。其中变比为1:N的变压器是不考虑分布参数的理想变压器。Lp,Ls是原副边漏感,Rp,Rs是原副边绕组等效电阻,Cp,Cs为原副边杂散电容。

(a)幅频特性图

(b)相频特性图
图4 二阶滤波电路的幅频及相频特性
这是一个二阶滤波电路,其传递函数的幅频和相频特性示意图如图4所示。由图4可见,对同样幅值的输入电压,频率由小到大变化时,其输出响应先变大,到某一个最高点后,再逐渐变小。这意味着主电路的增益在频率变化时会剧烈变化,给控制电路的设计带来不便。由相频特性可见变压器相当于一个滞后环节。
由以上分析可知,由于漏感和杂散电容的存在,高压高频变压器在电路中的增益随频率的变化而变化,且容易出现谐振现象。以某高压高频变压器为例,实际测量该变压器的参数为:Ls=0.8H,Rs=25Ω,Cs=5000pF。则其谐振角频率ωo=15.8×103rad/s,对应的谐振开关频率fo=2.5kHz,品质因数Q≌500。在频率约5~10kHz范围该变压器增益极大,须将输入电压降得很低才能得到所需输出,很容易造成输出过压。而过了10kHz频带后,增益迅速衰减,须将输入电压升得很高才能得到所需输出,在20kHz频率下会出现电压传递不到副边的现象。
因此,在高压高频变压器的绕制过程中,应注意减少其漏感以提高谐振频率。可采用减少绕组匝数,原副边紧密耦合,应用高密度绝缘材料等办法解决该问题。
本文采用一对U型非晶合金作为高压高频变压器的磁芯,这种材料的饱和磁密可达1T,且磁导率较高,在设计变压器时可不加气隙,使漏感减到最小。
经过重新处理后的高压变压器参数为:Ls=0.08H,Rs=55Ω,Cs=3500pF,其谐振频率为fo=9.5kHz,可基本满足需要。

(a)输出电压波形(5kHz)

(b)输出电压波形(10kHz)
图5 不同频率时的输出电压波形
应该指出的是,DC/AC部分输出的方波经LC和变压器滤波后虽然能得到正弦波,但不同的频带滤波效果是不同的。方波由基波和一系列奇数次谐波组成。在低频时,谐波频率也较低,由图5(a)可见谐波的衰减较小,造成输出正弦波的正弦度不是太好,而高频时,谐波频率较高,衰减很大,使变压器可以输出标准正弦波。如图5(b)所示。
2、输出交流频率的控制
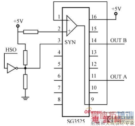
对输出频率的控制是通过改变SG3525芯片的调制频率来实现的。SG3525的脚3(SYN)是输入同步端,由80C196的HSO口输出的频率可调的脉冲经缓冲后送入该脚,即可改变SG3525的振荡频率,从而实现输出频率的改变。如图6所示。

图6 SG3525频率控制示意图
3、输出交流幅值的控制
对交流输出电压幅值的控制可采用开环或闭环控制的方法,开环控制比较简单,容易实现,且可靠,但精度不高,对负载和电网的波动敏感。因此,本例采用闭环控制以实现对交流输出幅值的控制,如图7所示。电压反馈值和输出给定值进行比较,并经SG3525内部的运放放大后,得幅值可变的直流电压。该电压与内部三角波比较后,可控制SG3525的输出脉宽的大小,改变DC/DC输出电压值,从而改变DC/AC的输出电压幅值。

图7 交流输出幅值控制电路示意图
4、恒流电路的设计
本文所设计的电源是一个电压源,但在实际使用过程中可能会出现需要限制输出电流的情况,因此,设计了一个恒流环节。电流给定和电流反馈信号比较放大后,经二极管隔离后送入SG3525的脚8(SS)。脚8正常电压约+5V,当其电压降到+5V以下时,输出脉宽就开始被缩短,当电压再低到一定程度时,脉冲输出将被封锁。因此,可将此恒流电路看成是一个电流外环,正常运行时,电流给定值大于电流反馈,PI调节器饱和,不影响SG3525的使用;当电流反馈大于电流给定时,PI调节器输出开始下降,将脚8电压拉低,使SG3525输出脉宽减少,电源的输出电流随之减少,最后稳定在电流给定值。
结语
本文所介绍的高压正弦波逆变电源已成功应用于某项目的等离子体放电物理实验中,各项性能指标均达到了设计要求。
射频工程师养成培训教程套装,助您快速成为一名优秀射频工程师...
天线设计工程师培训课程套装,资深专家授课,让天线设计不再难...
上一篇:适用于小功率电机驱动的MOSFET逆变模块设计
下一篇:微逆变器设计要点总结

