- 易迪拓培训,专注于微波、射频、天线设计工程师的培养
高性能工业信号电平多通道数据采集电路
录入:edatop.com 点击:
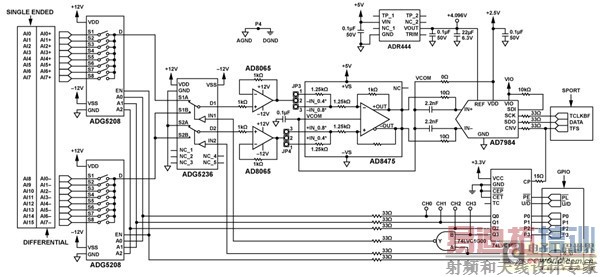
图1显示的是高性能工业信号电平多通道数据采集电路,已针对快速通道间切换进行了优化。该电路能以最高18位分辨率处理16通道单端输入或8通道差分输入。
单通道采样速率高达1.33MSPS,分辨率为18位。所有输入通道的通道间切换速率为250kHz,具有16位性能。
信号处理电路与简单的4位增/减二进制计数器结合,提供无需FPGA、CPLD或高速处理器即可实现通道间切换的简单、高性价比方案。可编程设置计数器,使其递增或递减计数,实现顺序采样多个通道;也可加载固定的二进制字,用于单通道采样。

射频工程师养成培训教程套装,助您快速成为一名优秀射频工程师...
天线设计工程师培训课程套装,资深专家授课,让天线设计不再难...
上一篇:电感器有哪些主要参数
下一篇:手机USB充电器制作方案
射频和天线工程师培训课程详情>>

