- 易迪拓培训,专注于微波、射频、天线设计工程师的培养
单端输入至差分输出转换电路参考设计电路
录入:edatop.com 点击:
描述
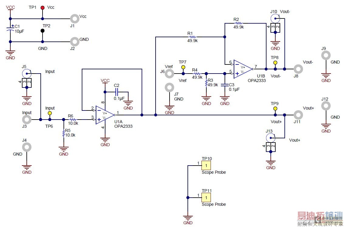
此 TI 精密验证设计为特定差动输出电路的单端输入提供了原理、组件选择、仿真、PCB 设计和测量细节,其中的差动输出电路可将 +0.1V 至 +2.4V 的单端输入转换为 +2.7V 单电源上的 ± 2.3V 差动输出。输出范围经特别限定以使其线性度最大化。此电路包括 2 个放大器。一个放大器充当缓冲器,创建电压 Vout+。第二个放大器使输入反向并增加基准电压以产生 Vout-。Vout+ 和 Vout- 的范围均为 0.1V 至 2.4V。电压差 Vdiff 是 Vout+ 与 Vout- 之间的差值。这将使差动输出电压范围 +2.3V。
特性
100kHz 小信号带宽
低功耗:100mA 电流消耗
±0.1% FSR Vdiff 未校准误差
±0.01% FSR Vdiff 校准误差
在 +1.25V Vcm 时将 0.1V - 2.4V 输入转换为 ±2.3V 输出
原理图/方框图


射频工程师养成培训教程套装,助您快速成为一名优秀射频工程师...
射频和天线工程师培训课程详情>>

