- 易迪拓培训,专注于微波、射频、天线设计工程师的培养
电源设计控制的利弊权衡
作为普通人,我们每天都要在不同的产品选项之间做出权衡。我真的很想开一辆鲜红色的昂贵运动跑车,可我根本攒不够这么多钱去买。不过每当我在我家附近的小卖部买东西时,总喜欢摆阔,买 Blue Bell 冰激淋,不买该店品牌的冰激淋。对我来说,这类权衡与我在日常生活中所做的无数其它权衡都与我所能接受的购买商品的价值息息相关。开高档车的价值并不值买丰田车的价差,但整整 1/2 加仑容器中更美味冰激淋的价值当然就很值了。
作为工程师,我们面临设计挑战时也要对呈现在我们面前各种选项做出权衡。对于新一代智能手机或平板电脑的设计,还要用前一代机型使用的电源吗?或者我应该采用能够实现更高性能与更便捷系统集成的较新电源?在新应用中设计重复利用与优化老式设计相比,有多大的价值?我该使用已尝试过的东西还是选择高新技术?
现在,在您的新一代电源设计中,这两者您都可以得到了!我们通过对多年电源设计经验的总结,创建了一款全新的控制拓扑,其完美整合了最常见传统控制拓扑的优势,包括电压模式、电流模式以及磁滞。结果呢?就是我们拥有了DCS-Control,也就是无缝转换至省电模式的直接控制。这种高效低输出纹波(即使在省电模式下)与无缝模式转换将让您的新一代电源设计工作更上新台阶。设想一下,在 1mA 负载电流下获得 90% 的效率并仍保持不到 1% 的输出纹波。现在这已经完全可能了。《高效低纹波 DCS-Control 提供无缝 PWM/省电转换》一文全面介绍了这一价值定位的详细信息。
DCS-Control拓扑在您的新一代电源设计中能帮助您做好哪些权衡?
阅读原文,请参见http://e2e.ti.com/blogs_/b/powerhouse/archive/2013/08/29/easing-power-supply-design-tradeoffs.aspx
更多有关DC-CONTROL的信息:
TPS621x 系列低功耗 DC/DC 转换器 |
控制环路带宽可反映输出电压从快速负载变化中恢复所需的响应时间,如处理器从睡眠状态到工作状态的转换。
TPS621x 系列低功耗 DC/DC 转换器可在整个负载范围内实现高性能效率,能够通过小型 2 毫米 x 2 毫米及 3 毫米 x 3 毫米封装实现最小的工作电源。
DCS-Control 拓扑
DCS-Control
拓扑可提高TI降压稳压器的功率密度与效率
设计人员面临的挑战是在不影响 DC 输出准确度的情况下,既要满足峰值电压不断提高的需求,又要确保整个负载范围内的高效率。TI 低功耗 DC/DC 转换器中所使用的 DCS-Control
架构(无缝转为省电模式的直接控制)是一款高级稳压拓扑,完美整合了磁滞、电压及电流模式控制的优势。
AC 控制环路:获得输出电压变化信息,并将其直接提供给快速比较器级,可对动态负载变化做出迅速响应;
电压反馈环路:实现准确的 DC 负载调节;
内部补偿调节网络:采用小型外部组件及低 ESR 电容器实现快速稳定的工作。
DCS-Control 拓扑支持中高负载条件以及省电模式的脉宽调制 (PWM),可在轻负载工作情况下保持高效率。就较早时候的 DC/DC 稳压器而言,PWM 与省电模式之间的转换可增大输出电压纹波与随机抖动。为了避免这一问题,设计人员只能将转换器转换为纯 PWM 配置,牺牲噪声敏感型应用的效率。
TI 最新降压转换器产品系列中的 DCS-Control
拓扑可通过 PWM 与省电模式之间的无缝转换解决这一问题,因为它可采用一个统一构建块同时支持两种模式。最新TPS62130系列不但支持高达 3A 的输出电流,而且还整合了该 DCS-Control
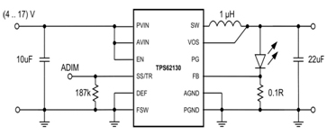
拓扑。TPS62130除了是稳健通用降压转换器(如支持大型输出电容范围)之外,还可配置为 LED 驱动器,支持 PWM 或模拟调光。
FB 与接地 (RCS) 之间的电阻器可决定调节电流,而 SS/TR 与接地 (RCS) 之间连接的另一个电阻器则可降低通过 RCS 的电压,尽可能保持最高的效率。
如欲了解有关该配置的更多详情,敬请查阅应用手册slva451。
TPS62130具有丰富的特性集(引脚可选输出电压与开关频率、软起动与跟踪、电源状态良好),支持仅 95 平方毫米的解决方案尺寸(固定输出电压版本)。
射频工程师养成培训教程套装,助您快速成为一名优秀射频工程师...





