- 易迪拓培训,专注于微波、射频、天线设计工程师的培养
TILM5046直流电源转换评估参考设计方案
录入:edatop.com 点击:
TI公司的LM5046是一款可实现电流模式或电压模式的全桥式拓扑PWM功率控制转换器芯片,该芯片主要解决输入最高电压达100V的原级隔离DC-DC转换器。具有电流限制、可编程软启动、同步整流软启动和热关断等特性。本文首先介绍芯片的简介、特性及内部框图,并给出相应设计方案的设计原理图、元器件列表及PCB元件布局图。
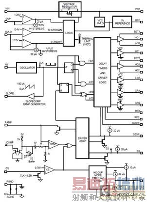
The LM5046 PWM controller contains all of the features necessary to implement a Phase-Shifted Full-Bridge topology power converter using either current mode or voltage mode control. This device is intended to operate on the primary side of an isolated dc-dc converter with input voltage up to 100V. This highly integrated controller-driver provides dual 2A high and low side gate drivers for the four external bridge MOSFETs, plus control signals for the secondary side synchronous rectifier MOSFETs. External resistors program the dead-time to enable zero-volt switching of the primary FETs. Intelligent startup of the synchronous rectifiers allows monotonic turn-on of the power converter even with pre-bias load conditions. Additional features include cycle-bycycle current limiting, hiccup mode restart,programmable soft-start, synchronous rectifier softstart and a 2 MHz capable oscillator with synchronization capability and thermal shutdown.
LM5046主要特性:
2 Highest Integration Controller for Small Form Factor, High Density Power Converters
High Voltage Start-up Regulator
Intelligent Sync Rectifier Start-up Allows Linear Turn-on into Pre-biased Loads
Synchronous Rectifiers Disabled" style="color:; text-decoration: none; font-weight: bold; line-height: 22px; background-color:; ">ledin UVLO mode and Hiccup Mode
Two Independent, Programmable Synchronous Rectifier dead-time Adjustments
Four High Current 2A Bridge Gate Drivers
Wide-Bandwidth Opto-coupler Interface
Configurable for either Current Mode or Voltage Mode Control
Dual-mode Over-Current Protection
Resistor Programmed 2MHz Oscillator
Programmable Line UVLO and OVP
图1. LM5046内部方框图
LM5046方案介绍:
The LM5046 evaluation board is designed to provide the design engineer with a fully functional power converter based on the phase-shifted full-bridge topology to evaluate the LM5046 PWM controller. The evaluation board is provided in an industry standard quarter brick footprint.
The performance of the evaluation board is as follows:
Input operating range: 36V to 75V
Output voltage: 3.3V
Measured efficiency at 48V: 92% @ 30A
Frequency of operation: 420kHz
Board size: 2.28 × 1.45 × 0.5 inches
Load Regulation: 0.2%
Line Regulation: 0.1%
Line UVLO (34V/32V on/off)
Hiccup Mode Current Limit
The printed circuit board consists of 6 layers; 2 ounce copper outer layers and 3 ounce copper inner layers on FR4 material with a total thickness of 0.062 inches. The unit is designed for continuous operation at rated load at <40°C and a minimum airflow of 200 LFM.
LM5046方案原理图:
图2. LM5046方案原理图
LM5046方案材料清单:
PCB元件布局图:
The LM5046 PWM controller contains all of the features necessary to implement a Phase-Shifted Full-Bridge topology power converter using either current mode or voltage mode control. This device is intended to operate on the primary side of an isolated dc-dc converter with input voltage up to 100V. This highly integrated controller-driver provides dual 2A high and low side gate drivers for the four external bridge MOSFETs, plus control signals for the secondary side synchronous rectifier MOSFETs. External resistors program the dead-time to enable zero-volt switching of the primary FETs. Intelligent startup of the synchronous rectifiers allows monotonic turn-on of the power converter even with pre-bias load conditions. Additional features include cycle-bycycle current limiting, hiccup mode restart,programmable soft-start, synchronous rectifier softstart and a 2 MHz capable oscillator with synchronization capability and thermal shutdown.
LM5046主要特性:
2 Highest Integration Controller for Small Form Factor, High Density Power Converters
High Voltage Start-up Regulator
Intelligent Sync Rectifier Start-up Allows Linear Turn-on into Pre-biased Loads
Synchronous Rectifiers Disabled" style="color:; text-decoration: none; font-weight: bold; line-height: 22px; background-color:; ">ledin UVLO mode and Hiccup Mode
Two Independent, Programmable Synchronous Rectifier dead-time Adjustments
Four High Current 2A Bridge Gate Drivers
Wide-Bandwidth Opto-coupler Interface
Configurable for either Current Mode or Voltage Mode Control
Dual-mode Over-Current Protection
Resistor Programmed 2MHz Oscillator
Programmable Line UVLO and OVP
图1. LM5046内部方框图
LM5046方案介绍:
The LM5046 evaluation board is designed to provide the design engineer with a fully functional power converter based on the phase-shifted full-bridge topology to evaluate the LM5046 PWM controller. The evaluation board is provided in an industry standard quarter brick footprint.
The performance of the evaluation board is as follows:
Input operating range: 36V to 75V
Output voltage: 3.3V
Measured efficiency at 48V: 92% @ 30A
Frequency of operation: 420kHz
Board size: 2.28 × 1.45 × 0.5 inches
Load Regulation: 0.2%
Line Regulation: 0.1%
Line UVLO (34V/32V on/off)
Hiccup Mode Current Limit
The printed circuit board consists of 6 layers; 2 ounce copper outer layers and 3 ounce copper inner layers on FR4 material with a total thickness of 0.062 inches. The unit is designed for continuous operation at rated load at <40°C and a minimum airflow of 200 LFM.
LM5046方案原理图:
图2. LM5046方案原理图
LM5046方案材料清单:
PCB元件布局图:
射频工程师养成培训教程套装,助您快速成为一名优秀射频工程师...
射频和天线工程师培训课程详情>>














