- 易迪拓培训,专注于微波、射频、天线设计工程师的培养
采用LM317的稳压二极管
录入:edatop.com 点击:
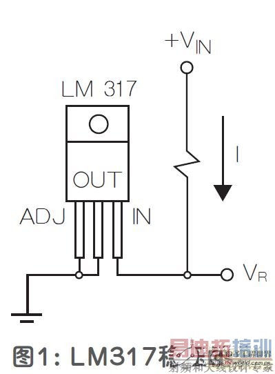
LM317稳压器(图1)因其可实现各种不同的功能和应用的多用性而为人所熟知。
LM317的标准和经典之处在于它是一款可调节三端正电压的稳压器。它的另一个简易、重要的配置在于有两个终端的电流稳压器。

但是,当把调整终端与输出终端连接在一起时,LM317就会转化为一个二端元件,功能类似一个1.5V的高电流稳压二极管(图2)。按照这种思路即可提供一个实用且具多用性的电路配置,使其在正电源或负电源电压下可吸收或降低高电流。

将调整终端连接至输出终端使得内部稳压器提供补偿,从而促使内部NPN晶体管达到饱和。处于饱和状态的NPN晶体管会出现约0.20V~0.25V的VCE(sat)压降,再加上内部稳压器的1.25V压降,总压降就是1.45V~1.50V。
此配置下的LM317在功能方面类似于稳压二级管,动态内阻约为1Ω左右或更低。该动态内阻可提供一个实实在在的参考,每一次通过设备的电流发生100mA的改变时,它可将改良后LM317的压降保持在0.1V以内。
射频工程师养成培训教程套装,助您快速成为一名优秀射频工程师...
天线设计工程师培训课程套装,资深专家授课,让天线设计不再难...
上一篇:建筑节能设备及系统设计的应用
下一篇:基于555定时器构成的多谐振荡器的应用
射频和天线工程师培训课程详情>>

