- 易迪拓培训,专注于微波、射频、天线设计工程师的培养
精确,自给自足无线温度传感器设计方案
现在不必面对在工厂内部布设电缆带来的挑战和高成本问题了,因为可以安装可靠的、工业级强度的无线传感器,这些传感器可以靠小型电池工作很多年,或者依靠从光、振动或温度变化等可用来源收集的能量工作。
凌力尔特提供设计高性能、可靠、低功率无线传感器网络所需的所有元件。本文所述案例是一个真实的设计,该设计整合了一个高分辨率温度传感器、一个电源管理电路和一个低功耗无线电模块,其中电源管理电路用太阳能 (可用时) 和备份电池 (需要时) 供电,而无线电模块则自动地构成一个可靠的网格网络,以无线方式将所有传感器连接到一个中央接入点。
设计概述
图 1 显示了该设计的方框图。温度传感器基于一个热敏电阻器,该热敏电阻器由低噪声 LT6654 电压基准偏置。24 位ΔΣ ADC LTC2484 读取热敏电阻器的电压,并通过 SPI 接口报告读取的结果。LTP5901 是无线电模块,不仅含有无线电单元,还含有自动构成 IP 网格网络所需的连网固件。此外,LTP5901 还有一个内置的微处理器,该微处理器读取 LTC2484 ADC SPI 端口,并管理面向信号链路组件的电源排序。LTC3330 是一款低功率、开关模式双输出电源,当可得到足够的光照时,LTC3330 靠太阳能电池板供电,当光照不足但需要保持输出电压稳定时,LTC3330 用电池供电。LTC3330 还含有一个 LDO,用来设定温度传感器供电电源的占空比。

图 1:通过将无线电模块连至ADC、基准和热敏电阻器以构成无线温度传感器。该电路由一个可从电池或太阳能电池板获取电能的能量收集器供电。(BATTERY:电池;SOLAR PANEL:太阳能电池板;DUTY CYCLED:所设定的占空比;WIRELESS NETWORK:无线网络;THERMISTOR BRIDGE:热敏电阻器电桥)
信号链路
这个设计用一个热敏电阻器测量温度。热敏电阻是非常适合在温度远远超出人们感兴趣的典型环境温度范围中读取温度值。热敏电阻器指的是具备很大负温度系数的电阻器。例如,器件型号为 KS502J2 (按照 US Sensor 公司的规定) 的热敏电阻,在 25°C 时阻值为 5kΩ,在 -30°C 至 +70°C 温度范围内,电阻值从 88kΩ 变化到 875Ω。
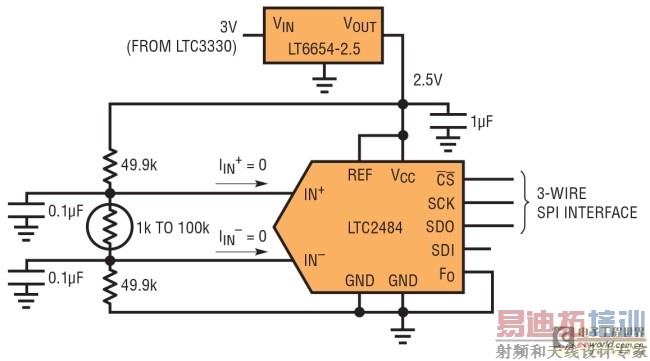
该热敏电阻器与两个准确的 49.9kΩ 电阻串联,并由精确的电压基准 LT6654 偏置 (图 2)。LTC2484 ΔΣ ADC 以 24 位分辨率测量电阻分压器的分压比。该 ADC 的总体未调整误差为 15ppm,对于本文应用所用的热敏电阻器斜率而言,这对应于少于 0.05°C 的温度不确定性。这个热敏电阻器规定的温度准确度为 0.1°C,因此无需任何校准,所测量的温度就能达到这样的准确度。

图 2:采用 LTC2484 24 位 ADC 读取热敏电阻的电压。因为输入共模电压是置中,所以 Easy Drive ADC 不吸取输入电流,从而很容易准确获得成比例的读数。(3-WIRE SPI INTERFACE:3 线 SPI 接口)
该 ADC 的噪声低于 4μVp-p,这对应不到 0.005°C 的温度变化。因此,通过校准,这个系统可以用来以极其精细的分辨率测量温度。既然 ADC 测量热敏电阻电压与基准电压值之比,所以严格说来,基准电压无需准确。但是它必须是低噪声的,因为在 ADC 转换时,基准电压变化可能引起误差。
LTC2484 ADC 采用了 Easy Drive输入结构。这意味着在转换时的净差分采样电流接近为零。因此,流经阻性热敏电阻器网络的输入采样电流不引起任何测量误差,这意味着,无需单独的运算放大器缓冲器。旁路电容器在高频时提供一条低阻抗通路。在很多情况下,不需要不断测量温度,而是每秒测量一次甚至每分钟只测量一次。在系统未测量温度时,节省功耗是有意义的。如下所述,这个应用电路正是这么做的。
电阻器网络从 2.5V 基准吸取最大 25μA 电流。为了避免测量之间的功率损耗,将基准电源的工作周期调整为仅在测量期间导通。ADC 输入的 RC 时间常数大约为 5ms。通过在进行测量之前 80ms接通电源,可确保 ADC 输入完全稳定。实际上,既然两个输入节点以相同的斜率接通,所以远远不用理论的稳定时间那么久,读数就已准确。LT6654 由 LTC3330 的 3V LDO 输出供电。在读取温度读数之前和之后的恰当时间,LTP5901 微处理器驱动 LTC3330 中 LDO 的使能引脚至高电平和低电平。在未进行转换时,LTC2484 自动进入休眠模式。与无线电已经很低的功率相比,1μA 的睡眠电流更低。因此,不必设定至 ADC 供电电源的占空比。通过保持 ADC 的电源电压始终与 LTP5901 相同,可确保 SPI 接口上的逻辑电平始终保持不变,这有助于实现简单的设计。
通过 SPI 端口提供转换结果以后,LTC2484 自动地开始进行新的转换,并将转换结果存储到其内部寄存器中,直到用户再次要求读取转换结果。在需要非常频繁地读取温度值的系统中,这种工作方式是非常便利。但是,有些超低功率应用可能在两次读数之间等待很长时间。为了确保提供给用户的温度数据始终是“新鲜”的读数,这类应用首先切换 CSb 和 SCK 引脚,以将“陈旧的”温度读数从 ADC 寄存器中移出,然后自动地开始进行新的温度转换。微处理器一直等待到转换结束为止,然后通过 SPI 端口读取结果。即使新的温度读取过程会再次自动开始,但是系统接下来会关闭热敏电阻器网络 (通过关闭 LDO),因为这些额外的温度读数随后将被忽略。
该温度传感器电路的总功耗可以按如下方法估计。首先,求基准 (350uA)、热敏电阻器网络 (25μA) 和 ADC (转换时为 160μA) 的电流之和,所得总电流为 535μA (参见表 1)。然后,考虑这一电流持续多长时间。ADC 每次转换大约耗时 140ms,在每次转换之前,等待 80ms,以让基准和热敏电阻器稳定。再加上一些 SPI 读数所需时间,这样接通时间大约为 300ms。在 300ms时间内消耗 535μA 电流,相应于 160μC 的电荷量。我们应该在这个电荷量之上,再加上给 4.7μF 电源旁路电容器充电至电压基准所需的电荷量,因为每次读数时这个节点都从 0V 充电至 3V。加上这个 14μC 的电荷量,每次读取温度数据时所需的总电荷量为 174μC。如果每隔 10 秒读取一次温度数据,那么就可计算出,平均电流消耗为 17μA。其他平均电源电流的例子在表 2 中给出。
表 1:信号链路电流消耗 (工作时)

表 2:基于温度读取频率进行电源管理的信号链路的平均电流消耗

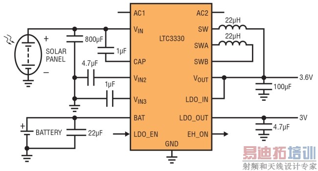
LTC3330 管理这个应用的所有电源。该芯片含有两个开关模式电源和一个线性稳压器,采用小型单片封装。降压-升压型转换器可从电池取得功率,以保持稳定的输出电压 (对这个应用而言设定为 3.6V)。一个单独的降压型转换器可从太阳能电池板取得功率,也将输出电压调节至相同的值。一个内部优先级区分器确保尽可能使用太阳能电源,仅当需要时才会从电池吸取功率 (图 3)。对于其他应用,LTC3330 还支持 AC 能量收集电源,例如产生与振动能量成比例的 AC 电压之压电晶体 (参见图 4)。

图 3:LTC3330 从太阳能电池板或电池取得功率,自动地设定这两种电源的优先级,以保持稳定输出电压。一个额外的 LDO 输出由逻辑输入引脚控制,这用来设定温度传感器电源的占空比。LTC3330 产生一个输出标记,以指示正在使用的是太阳能电源还是电池电源。(SOLAR PANEL:太阳能电池板;BATTERY:电池)

图 4:LTC3330 能量收集型 DC/DC 电池寿命延长器从压电、太阳能或磁性能源收集能量。LTC3330 吸取不到 1μA 静态电流,非常适合这种低功耗无线应用。电源功耗仅占总功耗的一小部分,所以大部分功率可用于“负载” (即温度传感器和无线网络)。
除了这两个开关模式电源,LTC3330 还含有一个具备单独使能引脚的 LDO。这功能对于这类占空比的应用是很有用。电压基准和热敏电阻器网络用该 LDO 供电。这不仅降低了开关噪声,还允许应用切换信号链电源接通和关断,同时保持无线电模块的电源始终接通。即使无线电模块在两次传输之间不消耗太多功率,但是它必须始终保持偏置,以保持定时器正确运行,这样整个网络就能保持时间同步了。无线电模块内的微处理器在恰当的时间给 LDO 使能引脚排序,使信号链路为读取温度数据做好准备。
LTC3330 提供一个输出标记 (EH_ON),该标记说明系统是在由电池还是太阳能电池板供电。能够实时访问这一信息对最终用户来说可能很重要。因此,我们让无线电模块中的微处理器读取这一输出标记,并通过网络与温度数据一起传送这一信息。EH_ON 输出的逻辑电平是对于 LTC3330 的一个内部偏置电压,该偏置电压随工作模式不同而改变,可能高于 4V。我们不是将这个输出引脚直接连接到电压较低的无线电模块逻辑输入,而是对其进行分压,然后将其馈送给一个内置的 10 位 ADC,该 ADC 是微处理器的组成部分。在本文情况下,我们仅将这个 ADC 作为比较器使用,以指示 LTC3330 正在使用哪个电源。
无线网络
LTP5901 是一个完整的无线电模块,含有无线电收发器、嵌入式微处理器和网络软件。其物理设计由一块小型印刷电路板组成,可非常容易地焊接到包含该应用其余部分 (信号链路和电源
[p]管理) 之主电路板上。
在这个应用中,LTP5901 执行两种功能:无线网络和内务处理微处理器 (图 5)。当给一个网络管理器附近的多个 LTP5901 节点加电后,这些节点相互自动识别,并形成一个无线网格网络。整个网络自动完成时间同步,这意味着每个无线电模块都仅在非常短的特定时间间隔内加电。因此,每个节点都可以既发挥传感器信息源的作用,又作为路由节点,以向管理器转发来自其他节点的数据。这样,即使所有节点 (包括路由节点) 都以非常低的功率工作,依然可以建立一个高度可靠的低功耗网格网络,每个节点到管理器都有多条通路可用。这种无线电技术典型的节点间传送距离为 100 米,在有利的户外条件下,距离甚至可以更长。

图 5:LTP5901-IPM 仅需要非常少的连接,就能运行整个应用。所有无线网络功能 (包括固件和 RF 电路) 都已经内置在该模块中。3线 SPI 主器件与 LTC2484 的 SPI 端口通信。GPIO 引脚 (DP2) 控制传感器电源排序。内置 ADC 充当便利的电平转换器,从 LTC3330 读取能量收集状态标记 EH_ON。
LTP5901 含有一个 ARM Cortex-M3 微处理器内核,该内核运行网络软件。此外,这个内核还可通过用户提供的固件来设定,以执行特定于用户应用的任务。因此,无需任何第三方微处理器,就能够实现很多应用。在本文例子中,LTP5901 内部的微处理器通过在合适的时间接通和断开 LTC3330 的 LDO 来管理温度传感器的电源排序,以在两次温度读取之间节省功率。LTP5901 直接与 24 位 ADC 的 SPI 端口通信,该 ADC 读取温度传感器提供的温度值。最后,LTP5901 从 LTC3330 读取电源状态输出标记 (EH_ON),该标记指示用来给电路供电的是太阳能还是电池。
无线电模块的功耗可以用凌力尔特在官网在线提供的工具“SmartMesh功率与性能估计器 (SmartMesh Power and Performance Estimator)”来估计。对于一个有 20 个节点 (其中 10个节点以无线方式直接连接到管理器 (1 跳),另外 10 个节点间接连接到管理器 (两跳) ) 的典型网络而言,两跳节点的平均功耗约为 20μA,1 跳节点则为 40μA。这些数字是在每个节点每 10 秒报告一次温度数据的情况下得出的。1 跳节点消耗大约两倍功率的原因是,它们不仅发送自己的传感器数据,还充当路由节点,转发一些两跳节点的传感器数据。如果关闭一种称为“Advertising”(宣告) 功能,那么上述功率可以进一步减少两倍。一旦“宣告”功能关闭,网络就不再识别想加入网络的新节点。除了这点不同,关闭广告功能对网络运行没有任何影响。
总体功耗
完整应用电路的总体功耗视各种不同因素而有所不同,其中包括每个传感器测量温度的频度以及所有节点在网络中的配置方式。对于一个每 10 秒报告一次温度数据的传感器节点而言,典型功耗为传感器部分低于 20μA,无线电模块部分可能为 20μA,总的平均负载电流约为 40μA。
小型 2 英寸 x 2 英寸太阳能电池板 (例如 Amorton 系列) 甚至在相对中等的室内照明条件下 (200 流明),也可产生 40μA 电流,而在强光照条件下,则能够产生大得多的电流。这意味着,在很多条件下,这个应用可以完全依靠太阳能电池板电源运行。如果该电路处于黑暗中,需要完全靠电池电源运行,那么一节 2.4Ah AA 电池 (例如 Tadiran XOL 系列) 可给该应用供电差不多7 年。在较低或可变光照条件下,该电路自动在太阳能电源和电池电源之间来回切换,以便尽可能利用太阳能,以延长电池寿命。
结论
凌力尔特的信号链路、电源管理和无线网络产品可用来实现完整、真正的无线传感器网络产品的设计。该时间同步无线网格网络确保用最少的功率,可靠地在节点间传送数据。内置的微处理器可设定传感器电路电源的占空比。高效率、高集成度电源管理 IC 可完全用小型太阳能电池板给该应用供电,或者用一个小型电池给该应用供电很多年。
射频工程师养成培训教程套装,助您快速成为一名优秀射频工程师...
天线设计工程师培训课程套装,资深专家授课,让天线设计不再难...
上一篇:如何消除电动汽车“充电焦虑”?
下一篇:UPS电源专用滤波器介绍

