- 易迪拓培训,专注于微波、射频、天线设计工程师的培养
PCM186x:110dB立体声音频模数转换方案
该PCM186x系列音频前端设备,采用一种新的方法,进行音频功能的集成,以符合欧洲Ecodesign标准,同时实现了高性能高端产品和更低的成本。它无需使用5V电源或外部可编程增益放大器,体积更小,更智能化,并降低了成本。
PCM186x是高度灵活的音频前端,它支持广泛的输入电平,从小型毫伏麦克风输入,到无需外部电阻分压器的2.1VRMS线路输入。该PCM186x系列集成了许多系统级的功能,可以帮助甚至代替某些DSP功能实现。
所有这些功能都可以通过一个单一的3.3V电源来实现。其集成的带隙电压基准,提供了出色的PSRR,可以省去专用的模拟3.3V电压轨。

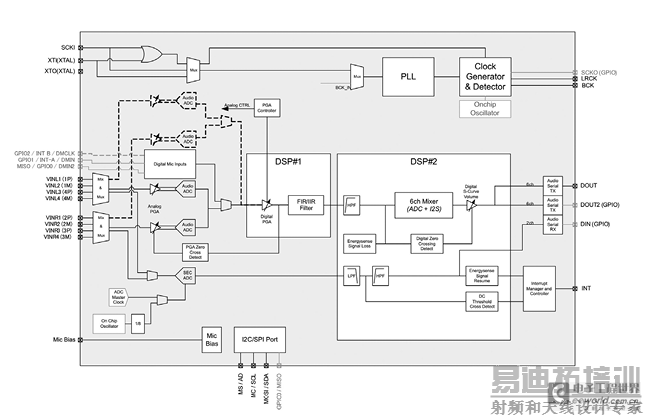
图1 PCM186x系列内部框图
PCM186x系列主要特性
通用模拟麦克风输入,2.1VRMS满量程
8模拟输入与MUX和PGA
模拟预混合功能(PGA/MUX之前)
单端,伪差分或差分输入与麦克风偏置
4倍数码麦克风输入
多达4个单声道ADC通道(PCM1865)
硬件控制(PCM1861)
I2C或SPI控制(PCM1863/5)
H/W可编程增益放大器
固定麦克风预增益选择:20dB,32dB(模拟)
S/W可编程增益放大器
集成高性能音频PLL

图2 PCM186x系列简化框图
图3 PCM186x系列系统配置框图图
3.3V单电源供电,用于模拟和数字
额外的1.8V核,及接口,用于低功耗
3.3V功耗:<85mW(PCM1861/3),<145MW(PCM1865)
“Energysense”音频内容探测器-自动系统唤醒和睡眠
主或从音频接口
调音台的功能
数字调音台混合ADC输出和I2S同步输入
过零PGA增益变化
自动PGA裁剪抑制控制
PCM186x系列主要应用
家庭影院和电视
汽车
蓝牙(扬声器)
麦克风阵列处理器评估板主要特性

图4 评估模块PCM186xEVM电路图
评估模块PCM186xEVM (EVM)
该PCM186xEVM(EVM)是一个易于使用的评估板,用于ADC PCM186x系列。由于PCM186x系列引脚对引脚的特性,下列任何型号都可以用这款主板: PCM1861、PCM1863和PCM1865。
射频工程师养成培训教程套装,助您快速成为一名优秀射频工程师...

