- 易迪拓培训,专注于微波、射频、天线设计工程师的培养
PADS layout 9.5 试用小报告
录入:edatop.com 点击:
今天早上用了一个小时把 压缩包下载回来。试用了一下,截几张图给大家先参考,相信还有很多ADSL小水管还在慢慢滴呢。安装方面没什么好说的,基本就是点安装然后选软件,再就是和谐,和谐文件没什么变化,用9.4或者9.3那个就可以了。不过我只试了9.4的。下面直接上图:

“和谐”完成。

右键菜单全是中文了,这是官方翻译的中文版本,还算强大,对于一些上了年纪的人来说有用,但对我来说感觉就怪怪的

选项菜单也是中文了。

图标栏多了一个,就是传说中的“翻板”功能了,可以用Alt+B 控制,对于多层板还是挺有用的。allegro里面叫做flip-side.不知道mentor会不会因些与cadence打专利仗

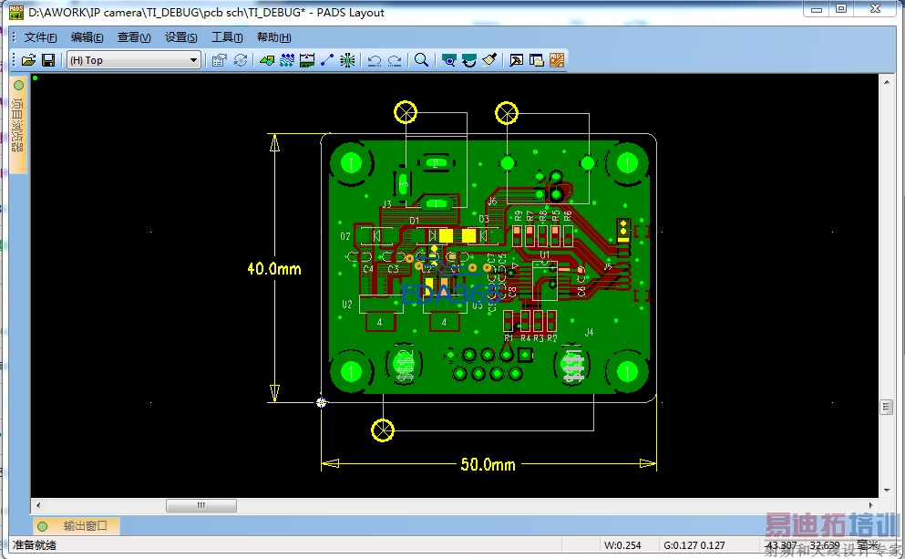
看看我的小板,这是正面。

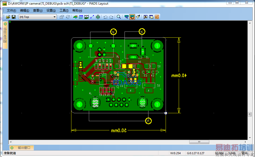
按了alt+B 之后就变成这样。
看看CAM,内容里面能用中文显示所选文件层的内容了。以前朋友经常搞不懂那个单词是铜皮,哪个是线,现在有了中文方便些。

这是里面带的 版本说明。
不截图了,直接把PDF带到附件中,喜欢的人就看看吧 。
layout方面就是介面翻译成简体中文,增加了“翻板”功能。几乎没什么其它的变化,但这“翻板”功能,程序量很大的,体谅一下mentor的程序员吧!
顺便说一下LP Wizard 升级到了10.5 不是9.5 呵呵
过几天有空了再试试router 中的virtual pin,这功能对于拉DDR的排线很有用,不用再虚短的方法拉线了,顺便鄙视 一下,他再也不能出来弄骚了 。
pads 基本都是一直在抄allegro,但很多功能还不够好,比如动态铜就还没搞到手,对于卖几万块的软件也就将就吧!



“和谐”完成。

右键菜单全是中文了,这是官方翻译的中文版本,还算强大,对于一些上了年纪的人来说有用,但对我来说感觉就怪怪的

选项菜单也是中文了。

图标栏多了一个,就是传说中的“翻板”功能了,可以用Alt+B 控制,对于多层板还是挺有用的。allegro里面叫做flip-side.不知道mentor会不会因些与cadence打专利仗

看看我的小板,这是正面。

按了alt+B 之后就变成这样。
看看CAM,内容里面能用中文显示所选文件层的内容了。以前朋友经常搞不懂那个单词是铜皮,哪个是线,现在有了中文方便些。

这是里面带的 版本说明。
不截图了,直接把PDF带到附件中,喜欢的人就看看吧 。
layout方面就是介面翻译成简体中文,增加了“翻板”功能。几乎没什么其它的变化,但这“翻板”功能,程序量很大的,体谅一下mentor的程序员吧!
顺便说一下LP Wizard 升级到了10.5 不是9.5 呵呵
过几天有空了再试试router 中的virtual pin,这功能对于拉DDR的排线很有用,不用再虚短的方法拉线了,顺便鄙视 一下,他再也不能出来弄骚了 。
pads 基本都是一直在抄allegro,但很多功能还不够好,比如动态铜就还没搞到手,对于卖几万块的软件也就将就吧!


忘记上传了PADS 9.5 release 了,现在补上!
这个 地址下载PADS 9.5
http://kuai.xunlei.com/d/DWDVQLGGPSIX
换成英文的,只要在 查看》工具栏》选项》介面语言 里面设置english就行,使用中文的话就 选择 chinese simplified.
PADS_rh.pdf
支持中文版的!
确实看起是怪怪的
楼主辛苦
楼主在哪里下的呀?
http://kuai.xunlei.com/d/DWDVQLGGPSIX
这个 地址下载,别再M我了···
中文版的看起来怪怪的....
顶一个‘、、、、
楼主指教一下怎么河蟹
太好了,中文版的总算出来了,我也去下载一个
不错 是个进步啊
lz把他绿化下呀,方便不会完全安装不会和谐的PADS民。
Thanks!
WIN7能正常和谐?
射频工程师养成培训教程套装,助您快速成为一名优秀射频工程师...
射频和天线工程师培训课程详情>>

