- 易迪拓培训,专注于微波、射频、天线设计工程师的培养
参考设计到底都包含了些什么?
我有一个 10 个月大的女儿。许多有小孩的人都知道,有孩子的人睡觉安排有点麻烦。有时候我发现自己到深夜了还在看电视购物广告。我看的内容已经非常多了,甚至都能准确预测下面将要发生的事。我最喜欢的内容包括:“请稍等!还不止这些!”以及“如果现在拨打电话,我们将双倍奉送!”我没买过任何东西(除非几个月后我在商店里看到了),但是这些主意非常好,而且通常很有娱乐性。
PowerLab 笔记推出已有大概六个月了,而PowerLab本身已超过一年,但我还没有介绍过典型 PowerLab 设计具体包含什么内容,也没有解释过其中原由。我想现在应该说明一下,而且用电视购物广告的方式。也许您会受到极大诱惑而想尝试一下,“毕竟这是免费的!”
PowerLab 中包含的每个设计首先都有一套来自真实应用的性能规范。这些性能规范由为系统寻找合适电源解决方案的工程师提供。我们获得这些性能规范后,就开始选择适合该工作的最佳 TI 部件。
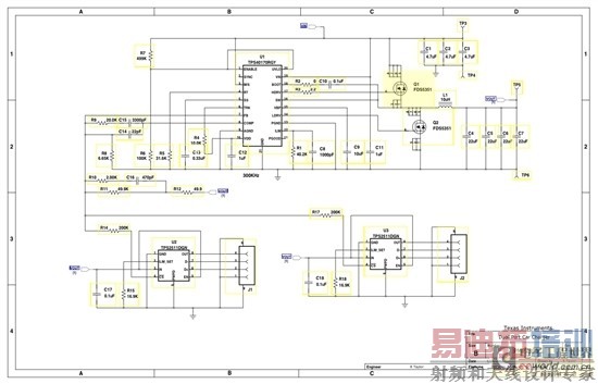
自此,所生成的第一项相关资料就是 原理图 。原理图是所开发的第一项也是最重要的一项相关资料,因为一切都基于这一点。通常,我们会与客户共享原理图,并来回讨论以确保所有规范都得到满足。在这个时候实施修改很容易,越往后越难。
PMP7390的实例原理图:
在原理图设计过程中,特定部件的选择非常关键。必须确保所选部件是完成该工作的最佳选择而且现已提供。部件会被淘汰或不推荐用于新设计。一旦确定了所有部件,就可生成 材料清单 (BOM) 。BOM 随每个 PowerLab 设计配套提供。
实例 BOM:
现在我们有了原理图和 BOM,下一步是 印刷电路板 (PCB) 布局 。这一步将创建物理电路板生成所必需的原图。PCB 布局对电源设计至关重要,可决定电源能否工作。所有 PowerLab 设计都包括布局指南、PCB 图片,而且有很多还包含实际 PCB 设计文件以及光绘文件(构建 PCB 所必需的)。构建电源所需的全部信息都已包含在内。
PMP7390的电路板图片实例:
“等等,还有更多内容!”
PowerLab 中的所有参考设计都经过全面测试,也就是说每个参考设计都包含一个 全面测试报告 ,包括但不仅限于以下内容:
- 上电波形
- 输出电压纹波
- 瞬态响应(负载阶跃响应)
- 效率
- 负载调节
- 开关波形
- 热影像
PMP7390的测试数据实例:
我(或者另一位设计工程师)之后捕获和验证了所有测试数据。TI 工程师 Bob Hanrahan 制作了有关如何测试电源的 4 段设计荟萃视频,着重介绍有关测量效率、测量稳定性和测量噪声的内容。您可观看以下概览,或点击上面链接了解更多特定测试内容。
总之,如果您选择了一款PowerLab参考设计,您将获得以下内容:
- 原理图
- BOM
- PCB 布局
- 测试报告
射频工程师养成培训教程套装,助您快速成为一名优秀射频工程师...





