- 易迪拓培训,专注于微波、射频、天线设计工程师的培养
信号寻迹能力超强的集成电路设计
录入:edatop.com 点击:
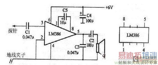
该集成电路信号寻迹器电路简单,仅需一片小功率集成功放电路LM386和5个电容就能组成整机,而且寻迹能力极强。从调谐回路至功放电路,都能方便地检出故障所在,由于声音宏亮,在检查中放及低放电路时,还可以用喇叭放音,无需老挂着耳机,使用很方便。

电路原理如上图所示。Cl为隔直电容;C2是输出电容;C3的作用是防止自激;C4是电源滤波电容。
信号经Cl从集成电路LM386的③脚输入,由于LM386的输入端是微电流偏置,而且有很宽的频响,所以不需外接二极管就能完成检波。信号经放大后由LM386⑤脚输出。LM386的①脚和⑧脚是增益控制,直接用10μF的电容把两脚连接起来,就可获得最高的增益。

这款超简单的集成电路信号寻迹器电路设计,是不是很合你的心意,如果有谁diy了实物,希望能够大家分享下制作过程和心得!
射频工程师养成培训教程套装,助您快速成为一名优秀射频工程师...
天线设计工程师培训课程套装,资深专家授课,让天线设计不再难...
上一篇:如何设计和测试场效晶体管的集成电路?
下一篇:磁阻传感器的车流量检测系统应用设计
射频和天线工程师培训课程详情>>

