- 易迪拓培训,专注于微波、射频、天线设计工程师的培养
数字控制器提高DC/DC效率的策略分析
随着能源价格的上涨和各项“环保”计划的成功开展,私营公司和政府监管部门对电源制造商的要求逐渐提高。欧盟委员会(欧盟(EU)的执行机构)和美国环境保护署(EPA)对服务器电源的要求进一步升级,现已涵盖各种负载级别的效率以及待机功耗。服务器集群运营商也对电源制造商提出了类似要求。
由于法规如此严格,并且还有许多法规即将出台,电源制造商正逐渐转向数字控制。在全数字解决方案中,完全可编程的数字信号控制器(Digital Signal Controller,DSC)可直接生成用于控制功率电路级的PWM 信号。同时,控制器还能处理系统管理任务,例如数据记录、通信和故障报告。这样,电源设计人员可以在DSC 中编写高级控制方法,而在模拟设计中,这即便可以实现也是极为困难的。设计人员可利用此功能灵活地实现最终客户所需的数据记录和通信标准。
相移全桥(Phase-Shifted Full-Bridge,PSFB)拓扑是一种有潜力满足未来电源效率需求的直流-直流转换器。DSC的灵活性使得不稳定的PSFB 拓扑更易于管理,并可实现进一步提高PSFB效率的先进技术。
移相全桥拓扑的必然性
下面我们将讨论高频工作所必需的简单全桥拓扑,然后讨论效率提高策略。
全桥转换器
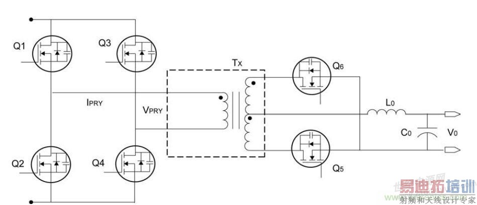
如图1 所示,全桥转换器使用四个开关(Q1、Q2、Q3 和Q4)进行配置。对角开关Q1、Q4 和Q2、Q3 同时导通时,将在变压器的初级绕组上提供完整的输入电压(VIN)。在转换器每半个周期中,对角开关Q1 和Q4 或Q2 和Q3 导通,并且变压器的极性会在每半个周期中反转。在全桥转换器中,给定功率下的开关电流和初级电流与半桥转换器相比将减半。这种电流减少使得全桥转换器适用 于高功率等级。但是,对角的开关采用硬开关,当其导通和关断时会导致较高的开关损耗。
过去,由于合适的控制器尚未出现,电源工程师不得不使用效率较低的硬开关电源转换方法。这些方法的损耗随频率的增加而增加,因而限制了工作频率,进而限制了电源高效供电的能力。
图1:全桥转换器
软开关全桥(PSFB)拓扑
利用现有DSC,设计人员现在可考虑使用更高的工作频率来减少电源中磁性元件和滤波电容的数量。频率的升高会导致硬开关电源转换器(例如传统全桥转换器)中产生更高的开关损耗。一种较好的替代方案是选择相对复杂的软开关方法来减少开关损耗并提供较高的功率密度。
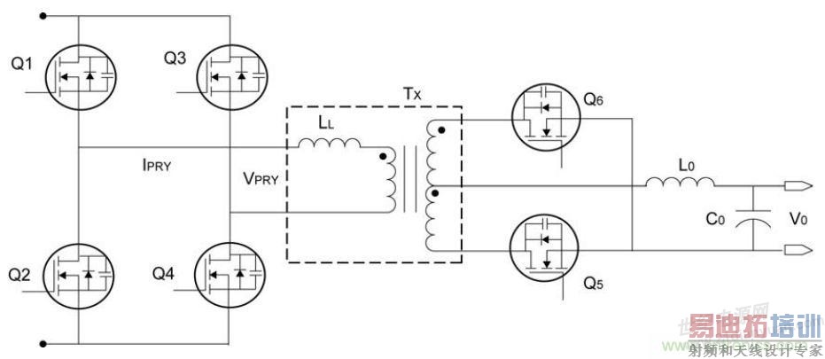
PSFB 转换器是一种软开关拓扑,使用寄生电容(例如MOSFET 和IGBT 等开关器件的输出电容)和变压器的漏电感来实现谐振转换。这种谐振转换可以使开关器件在接通时两端电压为零,从而消除其接通时的开关损耗。
PSFB 转换器已广泛用于转换器的功率密度和频率至关重要的电信和服务器应用中。PSFB 转换器的常规工作在许多文章中都有介绍,我们将在此基础上展示DSC 如何进一步提高性能。

图2:相移全桥转换器
带传统同步MOSFET栅极驱动的相移全桥转换器
为确保用户安全以及符合监管机构制定的规则,大多数直流-直流转换器设计有隔离变压器。额定值较高的电源在初级设计有PSFB 拓扑,在次级设计有全波同步整流器,以实现较高效率。
在PSFB 转换器中,如果使用传统方法控制的同步MOSFET 配置,则MOSFET 的Q1、Q3 或Q2、Q4 应处于导通状态。此时,没有任何功率从初级传输到次级,并且MOSFET Q5 仍处于导通状态。 由于转换器的次级侧存在电感(Lo),因此输出电感中的能量在MOSFET Q5 和变压器(Tx)的次级线圈之间循环。电流会通过MOSFET 的通道或通过MOSFET的内部二级管持续流经变压器次级线圈。由于电流会从次级反射到初级,所以在初级的零状态(初级到次级无任何能量传输)期间将存在环流,这会导致转换器中出现损耗。与额定输入电压的情况相比,这些环流损耗在较高的电压下尤其明显。此外,为避免跨导,在Q5 和Q6 MOSFET 栅极驱动之间有意地引入一个死区。在此期间,任何同步MOSFET均不会导通。因此,电流将流经MOSFET内部二极管。与MOSFET的Rds(ON)相比,这些MOSFET 内部二极管具有高正向压降,即(VF * I)》(I2rms*Rds(on))。
通过叠加栅极驱动信号,可防止传统的同步栅极驱动中产生较高损耗,这将在下一部分中介绍。

图3:同步MOSFET 栅极驱动的传统配置
同步MOSFET 栅极驱动信号的叠加
通过叠加同步MOSFET的PWM栅极驱动信号,可避免在变压器初级侧的零状态期间发生损耗。这将在以下三个方面提高电源效率。
首先,在中心分接的全波整流器中,叠加同步MOSFET 的栅极驱动信号将消除变压器次级中心分接线圈中的磁通,这样在变压器次级和初级之间实际上不会有磁通。
其次,两个同步MOSFET 和两个变压器中心分接线圈同时导通,而不是一个同步MOSFET 和一个中心分接变压器导通。因此,次级电流将只有一半的有效电阻,与只有一个同步MOSFET 导通的情况相比,损耗会降低一半。

图4:叠加同步MOSFET 栅极驱动信号以提高效率 最后,在传统的开关方法中,有意引入的死区可能为开关周期的10%,并且在该死区期间,高次级电流将流经MOSFET的高正向压降内部二极管。通过配置同步MOSFET的PWM 栅极驱动信号叠加,高次级电流可流经MOSFET通道。在这种情况下,将只有Rds(ON)损耗,其与死区中MOSFET内部二极管导致的损耗相比非常小。对于具有电信输入(36 至76 VDC)的系统,通过叠加同步MOSFET栅极驱动信号,直流-直流转换器的效率将提高3 - 4%.
实现这些技术需要灵活的具有完全独立PWM 输出的电源控制器。DSC提供了灵活性以及PWM外设,可轻松实现此技术和其他效率提升技术。
结论
PSFB 拓扑具有实现现代电源所需效率的潜力。数字控制使设计人员能够非常精确地控制PSFB拓扑和实现高级控制技术(例如叠加同步MOSFET)。新拓扑、新技术及新理念正在推动电源进入二十一世纪。数字控制器已经为未来的电源需求做好了准备。
射频工程师养成培训教程套装,助您快速成为一名优秀射频工程师...
天线设计工程师培训课程套装,资深专家授课,让天线设计不再难...
上一篇:节能式电源拓扑的工作原理及选择标准
下一篇:空气能热水器和太阳能热水器对比浅析

