- 易迪拓培训,专注于微波、射频、天线设计工程师的培养
飞机防滑刹车系统检测装置的研究和设计
飞机防滑刹车系统是飞机重要的机载设备,对飞机的起飞和安全着陆起着重要的作用,防滑刹车系统性能的好坏直接影响到飞机及机载人员的安全,而性能必须有专门的设备进行测试。我国对防滑刹车控制系统的研究已有很长一段时间,效果良好,但是对防滑刹车系统进行测试的研究却不多,本文针对国内某机型防滑刹车系统而研制的检测装置,能够快速检测防滑刹车控制盒以及刹车系统相关附件的故障信息,具有快速化、便携式、微型化、低成本、智能化等特点。
1 检测装置的组成和功能介绍
1.1 主要组成
检测装置由检测盒和接口盒两部分组成。检测盒是整个检测装置的控制、处理核心部分,以DSP(TMS320LF2407)作为微控制器,实现信号采集、通信、人机接口、检测数据存储(掉电不丢失)等功能;接口盒作为检测装置和飞机刹车系统连接的纽带,主要由高精度继电器组成,完成飞机刹车系统不同部分的切换检测。系统结构框图如图1所示。
图1中控制盒为针对某机型研制的防滑刹车控制盒;刹车系统相关附件包括机轮速度传感器、电液压力伺服阀、指令传感器等。

1.2 主要功能介绍
检测装置主要是对防滑刹车系统控制盒和相关附件进行故障诊断和检测,为相关人员提供维修和升级的参数和参考数据,其主要功能如下:
(1)检测装置自检
系统一上电,则开始对自身进行自检,包括对DSP片内3个DARAM区的检测,并实时将检测结果显示。
(2)防滑刹车控制盒检测
这部分检测包括对控制盒电源电压的检测、模拟机轮信号检测防滑控制盒的刹车控制参数、接地保护等。这些功能的检测主要通过检测装置模拟实际的机轮信号通过接口盒提供给控制盒,从而测试控制盒相关的参数,显示反馈给操作人员。
(3)防滑刹车系统附件检测
防滑刹车系统附件检测主要包括机轮速度传感器的检测、指令传感器检测、电液压力伺服阀检测等。通过检测这些传感器上电压的大小,计算出它们的电阻,判断出开路、短路或者正常三种状态。
(4)人机接口功能
人机接口包括键盘和显示。主要完成按键的输入(包括部分检测参数的输入、各检测功能模块的选择等)、各项检测结果的显示以及数据上传PC的实时状态等。
(5)检测参数的存储以及上传PC
检测参数的掉电存储便于检测装置的野外使用,便于历史数据的查询;将数据上传PC便于对检测数据进行分析,本检测装置设计通过USB和PC机通信,方便快捷,上位机软件采用C++Builder,开发。
2 系统主要硬件设计
2.1 A/D前端信号调理电路
因为从接口盒过来的信号电压为0~10V左右,而DSP的A/D采样信号允许的范围在0~3.3V之间,所以必须加一级信号调理电路。电路如图2所示,R1,R2构成分压电阻,为了保证A/D的精度,电路加一级电压跟随和低通滤波;二极管D1,D2是为了对DSP的A/D进行保护设计,将输入电压钳位在A/D不被损坏的允许值范围内。从抗干扰角度讲,在运放电源处加滤波电容。 [p]

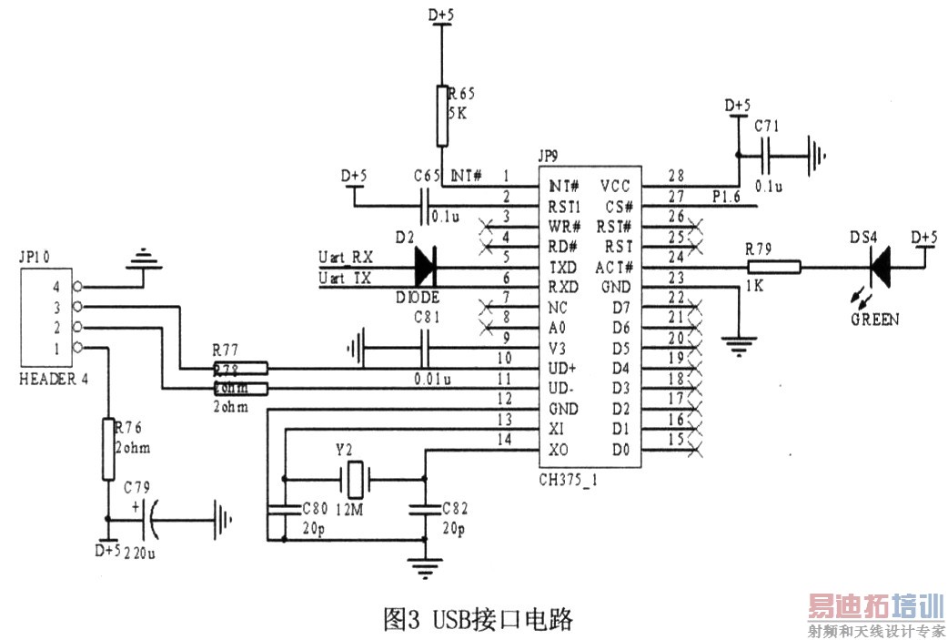
2.2 USB接口电路
CH375为国内沁恒公司自主研发的USB接口芯片。支持3.3V和5V供电,支持全速USB接口,兼容USB 2.0协议;支持多种传输方式;关键是具有省事的内置固件模式和灵活的外围固件模式。内置固件模式下屏蔽了相关的USB协议,自动完成标准的USB枚举过程,能大大简化本地控制器的固件处理程序;采用4线控制:写选通、读选通、片选输入、中断输出。
DSP与CH375的接口电路如图3所示。DSP与CH375采用异步串行通信,电源引脚线上并联的电容为退耦作用,CH375中断端口与DSP的外部中断输入脚连接,下降沿有效。

2.3 模拟机轮速度信号电路
在实际的刹车过程中,机轮速度传感器所产生的信号近似为正弦信号,所以设计正弦信号发生电路,并且信号的频率可以改变,基于上述要求,选择AD公司生产的低功耗、可编程的高精度波形发生芯片AD9833。AD9833具有外围设备简单,支持SPI通信方便与DSP的连接,可以产生正弦波、方波、三角波,并且波形的频率和相位都可以通过编程改变。
AD9833与DSP通信接口电路如图3所示。图中10M的信号来自外接的晶振,EN_9833来自DSP的使能控制信号,SPICLK、SPISIMO为与DSP之间的SPI通信数据线。设置使能控制信号主要是为了不同外设分时利用SPI总线。

2.4 人机接口电路
人机接口电路主要包括DSP和液晶的通信电路、按键扫描电路。DSP和液晶根据DSP的I/O口的分配情况采用并口通信,在通信线路上加一级低通滤波;因为按键仅几个,采用普通的矩阵扫描式结构。这两个电路硬件简单,不贴出具体电路图了。
3 系统主要软件设计
系统软件分为下位机软件程序和上位机软件程序,而下位机软件包括系统初始化、按键处理子程序、液晶显示子程序、USB中断服务子程序、各功能模块检测程序等。整个系统软件采用C语言嵌入汇编语言(下位机)、C++Builder(上位机)语言开发。
3.1 系统主程序软件
DSP运行主程序框图如图6所示。功能模块检测程序主要包括防滑刹车控制盒功能检测、机轮速度传感器开短路检测、电液压力伺服阀开短路检测、控制盒电源电压检测等。 [p]

3.2 模拟机轮速度信号产生程序
DSP通过SPI总线和AD9833进行通信,通过对AD9833写不同的控制字,改变AD9833产生信号的频率(这里不需要修改信号相位)。本检测装置设计利用按键依照人为的要求对频率的增减。具体实现的流程图如图7所示。

3.3 USB中断服务程序
CH375初始化先进行自检,判断CH375是否工作正常,如果工作正常则进入下一步,否则继续等待;将CH375配置为内置固件模式。USB数据发送过程为:先向CH375写入WR_USB_DATA命令,等待USB主机取走数据,然后CH375锁定当前的缓冲区,防止重复发送数据,将INT#引脚设置为低,进入USB中断服务子程序,执行GET STATUS命令获取中断状态,执行WR USB DATA命令,写入待发送数据。执行UNLOCK USB命令释放缓冲区,退出中断服务子程序,等待发送下一组数据。
3.4 上位机处理程序
上位机软件采用C++Builder开发,实现数据的获取、显示、历史数据保存和一定的分析处理功能。在实际程序设计中,用户登陆、检测USB设备和请求上传数据均设置有允许失败次数,并予以相应提示。上位机软件和下位机通信程序流程图如图8所示。
USB是一个全新的外设标准,具有热插拨、自动配置功能。USB接口的使用,方便检测装置和电脑的数据传输。
4 结语
该检测装置经过测试能够快速地检测飞机防滑控制盒和机轮刹车系统附件的故障信息,并进行数据的存储,上传PC分析、处理等功能;具有良好的人机界面使检测装置能独立在野外实行操作;现在正处于最后的细节完善阶段。
射频工程师养成培训教程套装,助您快速成为一名优秀射频工程师...

