- 易迪拓培训,专注于微波、射频、天线设计工程师的培养
MR-16 LED驱动器和用于脉冲LED冷却器的5V辅助电源
1 概述
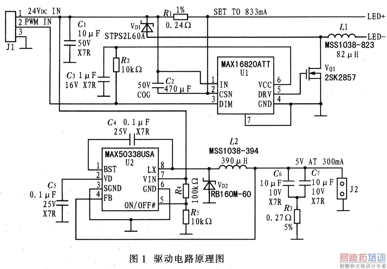
详细介绍采用MAX16820滞回型LED驱动器构成的4LED MR-16驱动电路。还提供一路脉冲冷却器的辅助电源(MAX5033)。该驱动器可为每串4只白光LED(WLED)提供750 mA电流。该电路工作于24 V电源,采用MAX16820滞回型LED驱动器。方案还包含一路利用MAX5033开关电源构成的24 V至5 V转换器,可提供150 mA电流,用于Nu-ventix脉冲LED冷却器的供电。
2 驱动器参考设计
该驱动器设计的电气输入要求和输出能力如下:VIN为24 VDC±5%;最大环境温度为+80°C;VLED配置4只LED串联(16VDC,最大值),750 mA;辅助输出电源为5 V,150 mA(平均)、300 mA(峰值)。
下面详细讨论该参考设计并分析主要电路框图和布板考虑。图1为驱动电路原理图。图2为该驱动器的PCB图片,该设计可直接嵌入MR-16组件中。图3为调整后的PCB,是图2所示电路板的升级版。



3 设计分析
该参考设计采用24 V电源供电,为每串4只LED提供750 mA的电流,可直接嵌入MR-16组件。MAX16820采用滞回控制架构,调节流过电感和LED的电流。另外,MAX5033通过J2连接器为脉冲冷却器提供电源。该冷却器作为电源负载需要峰值为300 mA、均值为150 mA的负载电流。电路中的R3电阻(配合输出陶瓷电容)用于满足MAX5033的稳定性要求。提供PWMing端,但未经测试。J1的中心引脚直接与MAX16820 DIM输入连接。
该电路上电过程:将4个LED串联在LED+(阳极)和LED-(阴极);J2接入一个300 mA负载;J1连接一路24 V、1A电源;打开电源。
射频工程师养成培训教程套装,助您快速成为一名优秀射频工程师...

