- 易迪拓培训,专注于微波、射频、天线设计工程师的培养
采用超级电容解决照相电话的LED闪光灯电源问题
超过2M(二百万)图元的照相电话在中至低的光度状况下拍照需要有强光的闪光灯才可保证拍出优质的相片,可是,电池给与系统的能力有限,因它不能传送高电流脉冲给LED有足够的光度输出,从而拍摄明亮的高解像照片。
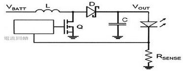
传统的LED闪光驱动器采用流控模式的升压变换器。如图1所示,试举一个例子,如要驱动两个并联相接的LED,比如是 Lumileds Luxeon PWF1,每个需1A电流,在使用高度一致性光学 透镜下於2米距离处产生大约20lux(流明)。升压变换器的输出电压 = LED正向电压 +检流电阻Rsense上的降压。最大正向电压 = 4.8V,并假定检流电阻上有200mV,那麽升压变换器输出电 压 = 5V。假设照相电话电池电压 =3.3V(在负载下)和升压变换器效率为85%。在此例中的电池电流将会 = 5V / 3.3V / 85% x 2A =3.6A,这已超出一般电话电池的能力了。
另一解决方案是采用氙闪光灯,但这需要∶(1)一个对流动电话形态来讲是非常笨重的储存电容器及(2)一个导致电话和安全问题的高压。还有,在LED闪光灯情况来讲,可以采用较低电流的同一LED电路作为捕捉影像和电筒功能。
为要克服功率限制,有些照相电话供应商已使用长的闪光曝光时间,补偿光量不足,因此要增加总光能,但此举却造成照片模糊不清。
设计方案

图1. 流控升压变换器作为LED灯光灯驱动器
[p]



当中有两个方案可提供足够LED闪光功率,清除因缺少光量下造成暗黑、模糊不清的照片。CAP-XX超级电容以其高C(1F或以上之容量)和低ESR(<100mΩ之内阻)能支援电池。提供LED所需的脉冲功率,而其薄的 柱形体适合於比如照相电话这类空间紧逼的应用上。因此提出,方案1∶将超级电容放置在升压变换器的输出;及方案2∶将超级电容与电池串联。
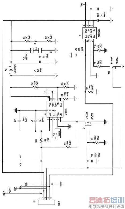
图2所示为CAP-XX方案的方框图,而图3为实现之电路。小型、低成本的限流式电荷泵给超级电容预先充电至约5.5V,超级电容一旦充了电,便可启动电流开关,送出高流闪光脉冲,其能量和功率乃来自超级电容,而非电池和电荷泵。在闪光脉冲期间,可以启动或禁止电荷泵,电荷泵电流受限制至约300mA。在手电筒(Torch)模式中,电荷泵处於被启动状态,电池与电荷泵现在送出一个低於电荷泵限流的@定电流。
在参考设计中,CAP-XX选取最强光LED-Lumileds LXCL-PWF1,它可处理1A高脉冲电流达至少200ms之久,这里驱动四个PWF1,每个於900mA,3.6A之总LED电流受到Micrel Mic 2545电流开关的限制,挑选这电流开关乃由於其电流能力和相当细小的体型。
下面描述之电路是参照图3,当首次施加电源时,Flash / Torch选择线必须在低位或浮动之中,使到U1(SD6685电荷泵)被启动,这样令晶体管M1关闭和U1第5脚(EN)通过R6被拉到高位。视乎超级电容大小而定。需等候10-15秒让超级电容由0V充电至全满。当超级电容处於0V时会出现高的浪涌电流,跟著充电至接近Vin的电压,在电荷泵的输出看似短路,加入R11到电路里目的就是限制起始的浪涌电流至少於750mA。
须注意,SP6685只用来给超级电容充电,所以它总是在其 Torch模式(第4脚,Flsh与Gnd连接)。
超级电容一旦已充电,可选择Flash或Torch模式。当这信号是高时(Flash模式),晶体管M2导通,这是为U2(MIC2545)设定定流电阻=R9//R10,是设定LED闪光电流。
当Enable输入(U2第1脚)处於高位时,U2便导通,於是LED有电流供应而发光。由於超级电容的容量非常之大,闪光脉冲只是将超级电容放出很小量的电能,一般少於1V。换言之,闪光拍照之间的再充电时间是短的,一般约2秒,这是比LED由闪光至冷却的所需时间更短。图5说明闪光脉冲期间与之後的超级电容电压电池电流和LED电流的关系。电路加入D6的原因是当U1被禁止时阻止超级电容透过U1放电往电池去。
超级电容的C值与ESR值按照如下选择∶总LED电流(ILED) = 3.6A维持一个150ms的闪光脉冲以 PWFLASH表示。
· 查Lumileds数据书,得悉在0.9A下的额定LED正向电压 = 3.75V,容许至4.2V
· 查Micrel数据书,得悉Rdson 阻值<50mΩ,所以MIC2545电流开关上的降压<180mV
· 故此,闪光脉冲结束时超级电容上的最小电压≥4.2V + 0.18V = 4.38V≥4.4V
· Vout(电荷泵电压)被设定於5.3V,所以,容许於超级电容上的总降压为Vd = 5.3V-4.4V = 0.9V
· 超级电容之降压,Vd = ILED x ( ESR + PWFLASH / C)
· 再排列各项数∶C≥ILED x PWFLASH / ( Vd-ILED x ESR)
在上述例子中,C≥2A x 0.15s /( 0.9V- 2A x ESR ),假定超级电容有ESR = 100mΩ,这样C≥2A x 0.15s/(0.9V-2A x 0.1Ω)=0.43F。挑选之超级电容要有一半之假设ESR值,为寿命上的老化作出准备。因此,CAP-XX GS206(0.55F,50mΩ)符合上述之要求。
须注意,电路里采用双超级电容,以求取所需的5.5V最大电压额定值。100mΩ是ESR值的最佳起始点,也许需要在C与ESR之间反复计算,找出一个适合的超级电容。在仍有充裕的空间情况下,设定电荷泵输出电压至可能的最低点上。
CAP-XX超级电容有非常低的漏电,一般少於1μA,可是当两个电容串联使用时,就需要平衡电路保证两电容之间的任何漏电差不会造成中点电压漂移而使到其中的电容过压。最简单的平冲电路是一对平衡电阻,如图2和3所示,就流动电话照相闪光电路实现方法来看 ─ 超级电容在闪光脉冲之前会被充电至超过5V,平衡电阻的适当数值为22kΩ。如超级电容要维持在正常较佳电压上(~3.6V)的话。总漏电+平衡电路电流就会有约80μA。CAP-XX对於良好的电池备用时间不得不承认会是太高,可行的改善方法包括∶(1)当电话不在照相模式时禁止电荷泵功能——换言之,电话在备用状态时,没有超级电容 + 平衡电路 漏。(2)使用高阻抗低流运放造成一个有源平衡电路——从CAP-XX的参考设计上取得总电流少於2μA。 [p]
电荷泵部份没有限制,这里挑选SP6685在於其外型细小,须注意一点,大多数电荷泵的软启动功能未能适当处理超级电容的输出,原因是超级电容放电就好像短路数秒,直至超级电容电压接近於电荷泵输出电压。简单的解决方法是在电荷泵的输入端加插一个限流电阻(图3中的R11)。
结果
CAP-XX方案能将两个超级电容,图3电路和四个替代的LED加入於现有名牌子的照相电话里面并不用改变原机的外貌。图4示出用来经改良和CAP-XX改良电话所拍摄出来的照片。未改良的电路以160ms时间输送1W的闪光功率,而改良电路则在同一时间输送达15W的闪光功率。

图5. 方案1闪光脉冲期间和之後的电池,LED闪光电流,超级电容电压的情况
图5示出在闪光脉冲期间和该脉冲之後超级电容再充电时的电池电流,LED电流和超级电容电压的状况。留意电池电流永不超过300mA,即使闪光脉冲是4A,超级电容提供3.7A之差额。
方案2∶超级电容与电池串联

图6. 方案2的配置方柜图
图6为方案2的方框图,超级电容与电池正极串联,这种布局方式好处是∶
· 仅需单独一个超级电容
· 是方案1所需的 装超级电容的约一半容量,成本低
射频工程师养成培训教程套装,助您快速成为一名优秀射频工程师...
天线设计工程师培训课程套装,资深专家授课,让天线设计不再难...
上一篇:首款串行
RapidIO
2.1
IP
解决方案(Altera)
下一篇:TKScope嵌入式仿真开发平台讲座(8)

