- 易迪拓培训,专注于微波、射频、天线设计工程师的培养
LM49155设计的PowerWise降噪音频功率放大技术
录入:edatop.com 点击:
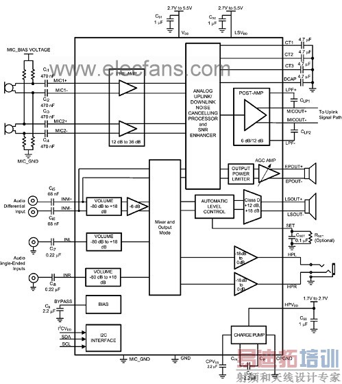
本文介绍了LM49155主要指标,简化方框图以及典型应用电路。LM49155是NS 公司的高度集成的PowerWise音频子系统,集成了噪音抑制麦克风放大器,1.35W单声道带ALC的D类放大器,带AGC的AB类耳机驱动器,带开关机声抑制的高效立体声参考地耳机放大器以及I2C模式选择和音量控制。主要用于手机和手提电子设备。
Uplink Noise Suppression & Downlink SNR Enhancement Analog Audio Subsystem
The LM49155 is a fully integrated audio subsystem designed for portable handheld applications such as cellular phones. The LM49155 combines a Noise Suppression microphone amplifier, a 1.35W mono class D amplifier with ALC, class AB earpiece driver with AGC, a high efficiency, stereo, ground referenced headphone amplifier with click pop suppression and I2C modes select and volume control.
The LM49155 features analog fully differential input, and differential output microphone amplifier designed to reduce background acoustic noise, while delivering superb speech clarity in voice communication applications. Downlink SNR enhancement with an advanced acoustic AGC technology to adjust output levels.
The LM49155 speaker amplifier features National’s unique output limiter that provides both a no-clip feature and speaker protection. The E2S class D amplifier features a patented, ultra low EMI PWM architecture that significantly reduces RF emissions while preserving audio quality and efficiency. The headphone drivers feature National’s ground referenced architecture that creates a ground-referenced output from a single, low-voltage supply.
The LM49155 is available in an ultra-small 36-bump micro SMD package (3.434mm x 3.459mm x 0.6mm).
LM49155主要指标:
■ Uplink Far Field Noise Suppression Electrical FFNSE at f = 1kHz 34dB (typ)
■ Downlink SNR Enhancement Earpiece Amplifier
Near-Field SNR Enhancement 6 to 18dB (typ)
Downlink SNRIE 16dB (typ)
■ Class D Loudspeaker Amplifier RL = 15μH+8Ω+15μH
POUT, THD+N ≤ %, VDD = 5.0V 1.35W (typ)
■ Headphone Amplifier RL = 32Ω
POUT, THD+N ≤ %, HPVDD = 1.8V 19mW (typ)
LM49155主要特性:
■ Noise cancellation for uplink and downlink without DSPtype artifacts, distortions or delays
■ Adapting AGC on ambient noise level & downlink signal strength for earpiece
■ Downlink adjustable noise-reducing high pass filter
■ E2S Class D Amplifier with ALC
■ Ground Referenced Headphone Outputs with Advanced Click Pop Suppression
■ Micro-power shutdown
LM49155应用:
■ Mobile Phones
■ Portable Electronic Devices

图1。LM49155简化方框图

图2。LM49155典型应用框图
Uplink Noise Suppression & Downlink SNR Enhancement Analog Audio Subsystem
The LM49155 is a fully integrated audio subsystem designed for portable handheld applications such as cellular phones. The LM49155 combines a Noise Suppression microphone amplifier, a 1.35W mono class D amplifier with ALC, class AB earpiece driver with AGC, a high efficiency, stereo, ground referenced headphone amplifier with click pop suppression and I2C modes select and volume control.
The LM49155 features analog fully differential input, and differential output microphone amplifier designed to reduce background acoustic noise, while delivering superb speech clarity in voice communication applications. Downlink SNR enhancement with an advanced acoustic AGC technology to adjust output levels.
The LM49155 speaker amplifier features National’s unique output limiter that provides both a no-clip feature and speaker protection. The E2S class D amplifier features a patented, ultra low EMI PWM architecture that significantly reduces RF emissions while preserving audio quality and efficiency. The headphone drivers feature National’s ground referenced architecture that creates a ground-referenced output from a single, low-voltage supply.
The LM49155 is available in an ultra-small 36-bump micro SMD package (3.434mm x 3.459mm x 0.6mm).
LM49155主要指标:
■ Uplink Far Field Noise Suppression Electrical FFNSE at f = 1kHz 34dB (typ)
■ Downlink SNR Enhancement Earpiece Amplifier
Near-Field SNR Enhancement 6 to 18dB (typ)
Downlink SNRIE 16dB (typ)
■ Class D Loudspeaker Amplifier RL = 15μH+8Ω+15μH
POUT, THD+N ≤ %, VDD = 5.0V 1.35W (typ)
■ Headphone Amplifier RL = 32Ω
POUT, THD+N ≤ %, HPVDD = 1.8V 19mW (typ)
LM49155主要特性:
■ Noise cancellation for uplink and downlink without DSPtype artifacts, distortions or delays
■ Adapting AGC on ambient noise level & downlink signal strength for earpiece
■ Downlink adjustable noise-reducing high pass filter
■ E2S Class D Amplifier with ALC
■ Ground Referenced Headphone Outputs with Advanced Click Pop Suppression
■ Micro-power shutdown
LM49155应用:
■ Mobile Phones
■ Portable Electronic Devices

图1。LM49155简化方框图

图2。LM49155典型应用框图
射频工程师养成培训教程套装,助您快速成为一名优秀射频工程师...
天线设计工程师培训课程套装,资深专家授课,让天线设计不再难...
上一篇:高亮度矩阵式LED封装挑战和解决方案
下一篇:
解DIY自制夜光LED手电筒
射频和天线工程师培训课程详情>>

