- 易迪拓培训,专注于微波、射频、天线设计工程师的培养
手机和弦芯片C520原理及播放MIDI音乐文件的流程
目前手机市场有多种和弦控制芯片,使用较多的有日本的Yamaha,我国台湾的华邦和旺宏、大陆的中星微和智多微。各个公司的和弦芯片都有自己的特点,其中智多微的C520能够支持民族乐器播放,所以选用C520作和弦音乐控制。
2 C520和弦芯片
C520是上海智多微电子有限公司的一款和弦芯片,专门用于为手机提供清脆逼真的音乐铃声和丰富游戏音效。该芯片集成了64和弦、16音色波表和21首中国民乐,具有3D立体声环绕增效的MIDI合成器、MIDI GM预置ROM、16位高性能音频数模转换器和2/4位ADPCM解码器等功能。
2.1 芯片特点
相对于市场上的其他手机和弦芯片,C520具有以下几个特点:
① 能够通过片上的音乐合成器对输入MIDI信号合成,或者通过ADPCM解调器对输入的ADPCM信号解调,然后通过内置的DAC输出波形。
② 集成了高质量的MIDI GM音色库,容量高达3 Mb;提供GM音色库之外的民族乐器音色库,支持二胡、古筝、琵琶等20多种民族乐器;支持多音色和复音——最多同时支持16个音色和64复音。
③ 具有多个功能端口,可支持手机振动驱动及LCD背光驱动,可用于播放音乐同步的PWM来控制七彩灯。
④ 与主控端的接口可以是并行接口或者串行接口;允许芯片工作于DAC输入模式,接受兼容通用串行DAC数据格式的输入数据;片内集成不同输入数据的FIFO;待机模式下典型工作电流小于50 μA。
2.2 功能单元
整个芯片由IOU(I/O接口单元)、 SG(音乐合成器)、ADEC(ADPCM解调器)、TG(时钟模块)和ANALOG(逻辑)模块组成。
IOU完成与外部CPU的接口,控制内部的FIFO以及芯片其他功能接口;形成音乐的MIDI数据以及外部CPU对芯片的控制命令也是通过IOU中的寄存器送出。SG模块从IOU的FIFO中取的MIDI数据,采用波表合成的方式合成音乐。ADEC接收经过压缩的PCM数据,根据相应的控制信号进行解码,将解码后的16位PCM码输出至SG的DSP单元。TG对输入时钟倍频以及产生内部时钟。ANALOG包括一个DAC和对DAC的输出信号进行低通滤波以及功率放大的AMP。C520芯片内部结构如图1所示。
3 应用
3.1 典型电路
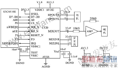
控制CPU选用三星公司的32位RISC芯片S3C4510B。该芯片是专为嵌入式以太网应用开发的,内核为ARM7TDMI,支持高代码密度的THUMB指令集,适用于对价格及功耗敏感的应用场合。

图1 C520内部结构框图

图2典型应用电路 [p]
C520与S3C4510B可以是并行接口或者串行接口,但是并行接口比串行接口数据传输速度快,因此在本设计中采用并行接口。芯片应用电路如图2所示。
在这个电路中,C520的CS_N用S3C4510B的I/O P0进行控制。其实如果在片选信号线够用的情况下,可选择S3C4510B中ROM/SRAM/Flash片选信号 Nrcs[5∶0]中的任何一根信号线,这样可以节省1根GPIO;同理,如果不想再控制C520复位,可以将其复位信号与S3C4510B的复位线nRESET相连,这样S3C4510B与C520将在上电时同时复位;C520 PD脚是低功耗状态控制引脚,“1”为正常工作状态,“0”为进入低功耗状态;C520 IRQ脚为中断输出脚,其可连接S3C4510B的外部中断请求信号脚XINTREQ。
3.2 芯片初始化
C520的初始化工作非常简单,包括:
① 根据外部时钟设置PLL分频比。PLL分频比由寄存器CLOCK(read:10h/write:11h)和寄存器Master Clock(read:18h/write:19h)共同决定。内部时钟频率fsys=fclock·(DN+1)/(DM+1)。其中DM为寄存器CLOCK[4∶0],DN为寄存器Master clock tuning[5∶0],fclock是外部输入时钟,内部系统时钟频率fsys必须定在48 MHz"50 MHz之间。
② 打开模拟模块,向寄存器Analog Power Down(read:66h/write:67h)的bit3写0。
③ 设置Analog Select,根据寄存器Analog Select(read:60h/ write:61h)选择模拟功能。
3.3 播放MIDI音乐文件
C520可以播放MIDI FORMAT 0和MMD格式的MIDI文件。
MIDI FORMAT 0文件开头4字节数据ASCII值为“MThd”,MMD文件开头4字节数据ASCII值为“MMhd”。ARM发送这两种格式的MIDI数据过程不同,在发送前根据文件开头4字节数据进行区分。
发送MIDI FORMAT 0格式的MIDI文件,文件中的所有数据都要发送。
MMD格式的文件,可分为四块,每块的开头都有8字节的头数据部分。第1块头数据部分前4字节的ASCII码值是“MMhd”,第2块头数据部分前4字节的 ASCII 码值是 “MMly”, 第 3 块头数据部分前 4 字节的ASCII码值是“MMdd”。第4块头数据部分前4字节的ASCII码值是“MMex”。每一块头数据的第5、6、7、8字节是这块数据的长度(不包括头数据),第5字节是低字节位,第8字节是高字节位,这4个字节组成的十六进制数据加上头数据长度8,就是这块数据的长度。MMdd块数据的头数据后面就是经过压缩的MIDI数据;MMly块数据是用于卡拉OK的专用数据,播放MIDI时无须发送该块;Mmex为扩展块。

图3播放MIDI文件流程
向C520发送MMD格式的MIDI数据时,先发送MMhd块,接着发送MMdd块的MIDI数据部分(即该块中除块名及块长度的部分),而MMly块不用发送。
图3为播放MIDI文件流程。
结语
本文介绍了智多微公司的手机和弦芯片C520,给出了其原理及内部结构图。采用三星的RISC芯片S3C4510B做控制器,实现了和弦音乐的播放。文中给出了详细的电路原理图和播放MIDI音乐文件的流程,可以作为和弦芯片在移动产品上的应用参考。
射频工程师养成培训教程套装,助您快速成为一名优秀射频工程师...
天线设计工程师培训课程套装,资深专家授课,让天线设计不再难...
上一篇:扩声系统中的DSP问题
下一篇:基于FPGA的多模无线基站

