- 易迪拓培训,专注于微波、射频、天线设计工程师的培养
基于Blackfin BF50x处理器的电机控制
摘要: 介绍了ADI公司Blackfin BF50x处理器的主要特点, 给出了基于Blackfin BF50x处理器的电机驱动控制系统的实现方案, 同时给出了选用ADP5020芯片来为基于Blackfin BF50x处理器的电机驱动控制系统提供电源的具体电路。
0 引言
随着社会对环保理念的深入关切, 低能耗的电机控制产品设计面临着越来越苛刻的需求。同时, 电机控制系统方案也面临越来越高的要求,这一方面是用于无传感器矢量控制的复杂算法和高级建模需要出色的处理能力的需要; 另一方面, 电机控制也需要具有性能、效率、易用性以及成本方面的综合优势。
高性能电机应用系统通常包括核心伺服功能、运动描述和主机通信功能。在过去诸多的MCU或电机控制专用芯片解决方案中, 由于这些处理器的处理能力有限, 在电子控制系统设计时, 往往必须对控制算法进行一定的折中, 以释放出足够的性能余量来实现其他功能, 或者采用双处理器方案。然而, 随着DSP器件价格的快速下调, MCU与DSP的成本差异大大缩小, 同时,DSP解决方案在减少器件数量和电路尺寸、降低整体成本以及提高系统性能等方面, 也具有更多的优势。
目前, 电机控制所用IC可以分为电机控制专用芯片、针对电机控制应用的MCU和DSP等三大类。而随着全球市场对节能和产品性能需求的提高, 以及价格的持续走低, DSP的独特优势使其在电机控制市场获得了越来越广泛的认可, 并由高端工业电机控制领域向更广泛的电机控制市场扩张。
本文介绍的嵌入式DSP电机控制芯片BlackfinBF50x就是把DSP内核与一系列功能强大的控制外设集成到一个芯片上的一种新型处理器, 因此, 它能以高速DSP内核作为计算引擎, 同时加上内置的模数转换器来提高电机的控制带宽, 并允许低成本地实现更加复杂的控制和无传感器算法, 也可以控制交流感应电机、无刷直流电机和开关磁阻电机。这些计算能力和优化的外设可以通过该DSP处理器轻松地完成更多的功能(如功率因数校正等)。同时, 也可以在不增加控制器成本的情况下, 满足某些特殊应用要求(如洗衣机的平衡控制)。此外, 嵌入式DSP电机控制芯片的高运算能力还可让工程师采用计算强度更高的算法, 从而采用更高效的电机来更进一步提高效率与动态性能。
1 BF50x处理器的主要特点
Blackfin BF50x是ADI公司为适应当前电机控制市场对处理器的特性和性能要求而推出的一种嵌入式DSP芯片, 该芯片提供有多种特性组合的优化解决方案, 可进一步强化DSP在电机控制设计中的应用。BF50x控制芯片继续秉承了Blackfin处理器独有的先进信号处理功能与通用微控制器的易用性, 它以主频150~200 MHz的处理器价格来提供400 MHz的处理性能, 故可实现突破性的性能和功效。此外, BF50x也可以很好地满足电机控制设计中的信号处理和控制双重功能需求,因而可以消除很多应用中必须采用两种异构处理器的烦恼, 以简化软件和硬件设计。利用BF50x 处理器的高处理能力, 并通过利用复杂的算法,来实现更强大的系统功能和精度, 其中包括更多的数据实时处理、缩短延时, 并可实现更高的设计灵活性以及系统界面和控制功能的优化。
借助Blackfin BF50x处理器的出色性能可以执行更加复杂的电机控制算法, 以确保根据系统行为的实时变化进行动态控制, 从而获得更加平稳的工作性能并降低功耗。也可以运用无传感器矢量控制技术来实现更高的电机控制效率, 而利用高级建模技术则可精确判定转轴位置和/或转速, 因而无需使用位置/速度传感器, 且其系统尺寸更小, 成本更低, 可靠性则更高。BlackfinBF50x内部集成的12 位ADC 可以提供电机状态精确建模所需的精密数据转换, 因而能够精确估计电机的相应位置/转速。Blackfin BF50x 芯片的主要特性如下:
◇ 可以进行400 MHz 的高频低功耗处理;
◇ 内部带有4 MB 闪存, 可用于指令和数据的存储;
◇ 带有双通道SAR 型12 通道12 位ADC, 最高速率可达2 MSPS;
◇ 内含2 个带流量控制的UART, 以及2 个SPORT 、2 个SPI 和1 个兼容I2C接口的TWI;
◇ 具有8 个32 位通用定时器和1 个CAN总线控制接口, 另外有6对PWM单元(另有8个定时器PWM) 以及35 个GPIO (可与接口复用);
◇ 器件中的2 个32 位升/降计数器可支持旋转计数;
◇ 具有移动式存储器接口和1 个PPI (最高16 位)。
Blackfin采用12×12 mm的88引脚LFCSP封装(单裸露焊盘) 和14×14 mm的120引脚LQFP封装(双裸露焊盘), 器件的工作温度为-40℃至+85℃。
[p]
2 基于BF50x的电机驱动控制
2.1 处理器电源电路
设计时, 应当为BF50X处理器提供几种不同的电源电压, 以分别为BF50X处理器核、各种接口以及整个芯片提供动力。本设计选用ADP5020来组成基于BF50X处理器的电机驱动控制系统的电源电路。该芯片可输出1.5 V、2.5 V和3.3 V电压。图1所示是用于BF50X处理器系统的电源电路。
Blackfin BF50x处理器系统的电源电路
图1 Blackfin BF50x处理器系统的电源电路
2.2 电机驱动控制方案
通过Blackfin BF50x处理器能在电机控制系统的设计中执行更复杂的算法, 从而确保对系统进行动态控制, 以适应系统行为的实时变化, 并最终获得更平稳的性能和较低的功耗。通过采用无传感的矢量控制可以实现更高的电机控制效率,而利用先进建模技术则可准确地确定电机位置和/或者速度, 以省略掉位置/速度传感器, 进一步降低成本并提高系统可靠性。
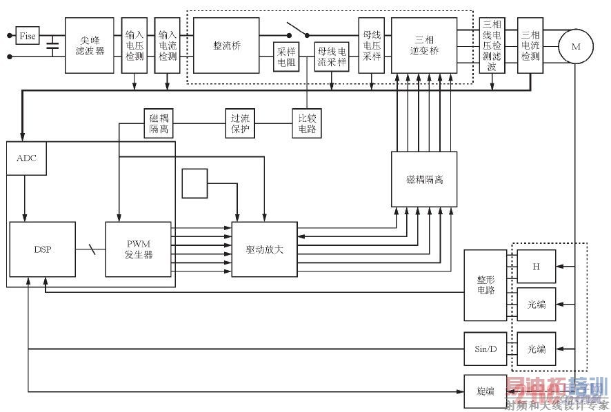
由于BF50x已经实现了优化的电机控制应用外设的集成, 因此, 用户可以在该系列产品中为其电机控制应用选择内置双SAR 型12 位ADC(BF506F) 来实现更精确的数据转换, 从而提供对电机状态准确建模所需要的精度, 同时也可以更准确地估计电机的位置/速度; 由于BF50x的片上4MB并行闪存存储器可以用于程序存储, 故可省掉片外存储器, 从而降低系统成本, 提高可靠性; 而存储接口的标准特性以及片内CAN控制器则可提供电机控制应用中的通信接口和存储支持。图2所示是基于BF50x处理器的电机驱动硬件解决方案的信号连接图。
基于BF50x处理器的电机驱动硬件方案
图2 基于BF50x处理器的电机驱动硬件方案
[p]
3 软件设计
在电机控制系统的软件开发过程中, 先进的集成开发环境对于快速而方便地完成软件编程和调试是十分重要的。为此, ADI 公司在推出BF50x的同时, 也针对BF50x系列器件新推出了低成本的EZ-KIT Lite*估套件, 包括ADI VisualD-SP++集成开发和调试环境(IDDE)。事实上, 为表1 算术库函数列表了方便基于BF50x实现的电机控制应用, ADI早在2008年 8月就开始与上海交通大学合作推出了基于BF548处理器实现BF50x在电机控制应用上的软硬件仿真设计, 并已成功完成了针对基于BF50x的三相感应电机、无刷直流电机、永磁同步电机控制应用的硬件平台和软件完整解决方案, 也可以向用户提供软硬件设计文档、算法模块及库资源。表1所列为该资源库的函数列表。
表1 算术库函数列表
算术库函数列表
该方案所提供的软件模块包括通用ADC驱动程序、霍尔效应接口驱动程序(针对采用传感器的无刷直流电机控制应用)、PWM驱动程序等在内的全部驱动程序以及各种算法模块。许多硬件参考设计都可直接使用该方案的完整软件模块,因而可极大地加快电机控制系统的设计过程, 并大大地降低设计难度和成本。
目前, ADI在中国全面上市的最新款超低价高性能仿真器ADZS-ICE-100B就是为使用Blackfin的客户而定制的。该ADZS-ICE-100B仿真器除了价格十分低廉以外, 其诸多的创新功能也为JTAG仿真器带来了性能更高、使用更加便捷的全新体念。
4 结束语
在为电机控制系统选择DSP平台时, 除了性能和特性外, 选择具有市场优势以及可长期稳定供货的产品, 对于OEM持续的产品开发和今后的升级非常重要, 因为这涉及到研发成果(包括软件及硬件) 的可重用性。本设计选用ADI的Blackfin处理器来进行电机控制设计, 这种方法具有成本低, 开发时间短, 控制精确, 仿真设计平台和软件可选且性能优化等优点, 因而是电机驱动控制系统设计的理想方案。
射频工程师养成培训教程套装,助您快速成为一名优秀射频工程师...
天线设计工程师培训课程套装,资深专家授课,让天线设计不再难...
上一篇:基于TMS320LF2407A
和AT89S52
三相异步电机双闭环调速控制系统设计
下一篇:基于FPGA的LTE系统中转换预编码的设计

