- 易迪拓培训,专注于微波、射频、天线设计工程师的培养
基于ADD5203设计的8串WLED驱动技术
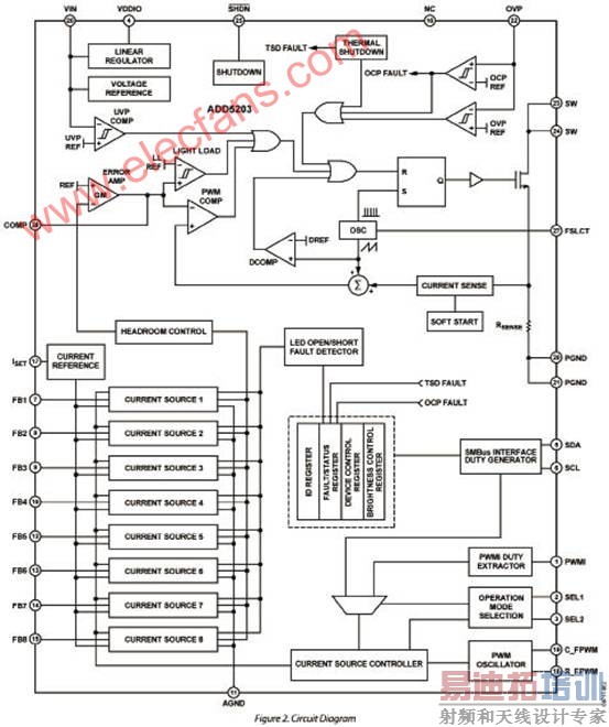
ADD5203是集成了SMBus和PWM输入的8串白光LED(WLED)驱动器,采用电流模式、升压转换器技术,主要针对背光应用。该驱动器具有0.15Ω、2.9 A的内部开关,引脚处可调节的工作频率范围在350kHz到1MHz之间。
ADD5203包含8个调节电流源,从而保持亮度的一致性。每个电流源可以由30mA电流驱动,通过外部电阻可在引脚处调节LED驱动电流。ADD5203可以驱动最多8个多路串行连接的LED串,每串LED之间的电流匹配误差为±1.5%。
ADD5203具有不同的调光模式。每个调光模式可以和一个外部的调光模式选择引脚相连。通过PWM输入和/或SMBus可以实现调光控制的接口。
利用外部电阻和电容,器件可调节的输出亮度频率范围为200Hz到10kHz。ADD5203正常的输入电压范围为6V到21V,器件保持其功能性的最低电压为5.6V。
在出现故障时,ADD5203还具有多重安全保护功能。如果LED开路或短路,器件会自动切断出现故障的电压源。在启动期间,内部软启动阻止浪涌电流。热关机保护防止了热损害。
ADD5203采用超薄热增强型4mm×4mm×0.75mm、28引脚无铅芯片级封装(LFCSP_WQ),符合RoHS标准,专用于-25℃到+85℃的工业温度范围。

图1 AD5203电路方框图

图2 AD5203典型应用电路:采用无延迟调光模式的SMBus接口

图3 AD5203典型应用电路:采用DPWM调光模式的PWM接口 [p]

图4 AD5203典型应用电路:采用DC电流调光模式的PWM接口
射频工程师养成培训教程套装,助您快速成为一名优秀射频工程师...
天线设计工程师培训课程套装,资深专家授课,让天线设计不再难...
上一篇:基于4W
LED驱动器高效率驱动LCD显示器的应用
下一篇:用VB如何实现文件数据对SQL
Server上传下载

