- 易迪拓培训,专注于微波、射频、天线设计工程师的培养
多电平变换器的拓扑结构和控制策略
0 引言
多电平变换器的概念自从A.Nabael在1980年的IAS年会上提出以后,以其独特的优点受到广泛的关注和研究。首先,对于 n 电平的变换器,每个功率器件承受的电压仅为母线电压的1/( n -1),这就使得能够用低压器件来实现高压大功率输出,且无需动态均压电路;多电平变换器的输出电压波形由于电平数目多,使波形畸变( THD )大大缩小,改善了装置的EMI特性;还使功率管关断时的d v /d t 应力减少,这在高压大电机驱动中,有效地防止了电机转子绕组绝缘击穿;最后,多电平变换器输出无需变压器,从而大大减小了系统的体积和损耗。因此,多电平变换器在高电压大功率的变频调速、有源电力滤波装置、高压直流(HVDC)输电系统和电力系统无功补偿等方面有着广泛的应用前景。
1 多电平变换器的拓扑结构
国内外学者对多电平变换器作了很多的研究,提出了不少拓扑结构。从目前的资料上看,多电平变换器的拓扑结构主要有4种:
1)二极管中点箝位型(见图1);
2)飞跨电容型(见图2);
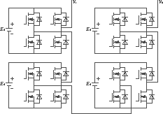
3)具有独立直流电源级联型(见图3);
4)混合的级联型多电平变换器。
图1 二极管箝位型三电平变换器
图2 飞跨电容型三电平变换器
图3 级联型五电平变换器
其中混合级联型是3)的改进模型,它和3)的结构基本上相同,唯一不同的就是3)的直流电源电压均相等,而4)则不等。从图1至图3不难看出这几种拓扑的结构的优缺点。
二极管箝位型多电平变换器的优点是便于双向功率流控制,功率因数控制方便。缺点是电容均压较为复杂和困难。在国内外这种拓扑结构的产品已经进入了实用化。
飞跨电容型多电平变换器,由于采用了电容取代箝位二极管,因此,它可以省掉大量的箝位二极管,但是引入了不少电容,对高压系统而言,电容体积大、成本高、封装难。另外这种拓扑结构,输出相同质量波形的时候,开关频率增高,开关损耗增大,效率随之降低。目前,这种拓扑结构还没有达到实用化的地步。
级联型多电平变换器的优点主要是同数量电平的时候,使用二极管数目少于拓扑结构1);由于采用的是独立的直流电源,不会有电压不平衡的问题。其主要缺点是采用多路的独立直流电源。目前,这种拓扑结构也有实用化的产品。
2 多电平变换器的控制策略
从目前的资料来看,多电平变换器主要有5种控制策略,即阶梯波脉宽调制、特定消谐波PWM、载波PWM、空间矢量PWM、 Sigma-delta调制法。
2.1 阶梯波脉宽调制[1][2][3]
阶梯波调制就是用阶梯波来逼近正弦波,是比较直观的方法。典型的阶梯波调制的参考电压和输出电压如图4所示。在阶梯波调制中,可以通过选择每一个电平持续时间的长短,来实现低次谐波的消除。2 m +1次的多电平的阶梯波调制的输出电压波形的傅立叶分析见式(1)及式(2)。消除 k 次谐波的原理就是使电压系数 bk 为0。这种方法本质上是对做参考电压的模拟信号作量化的逼近。从图4中不难看出这种调制方法对功率器件的开关频率没有很高的要求,所以,可以采用低开关频率的大功率器件如GTO来实现;另外这种方法调制比变化范围宽而且算法简单,控制上硬件实现方便。不过这种方法的一个主要缺点就是输出波形的谐波含量高。
图4 九电平阶梯波输出电压波形 [p]
v
t(
t
)=
b
nsin
nωt
(1)
b
n=
[
V
cos
nα
1+2
V
cosn
α
1+……+
jV
cos
nαj
+……+
mV
cosn
αm
](2)
2.2 多电平特定消谐波法[4][5][6]
多电平的特定消谐波法也被称作开关点预制的PWM方法。这种方法是建立在多电平阶梯波调制方法的基础之上的。这种方法的原理就是在阶梯波上通过选择适当的“凹槽”有选择性地消除特定次谐波,从而达到输出波形质量提高和输出THD减小的目的。这种方法的消谐波和阶梯波的消谐波一样,唯一不同的就是输出电压波形的傅立叶分析后的系数 b n有所不同。现以五电平的特定消谐波的一个输出电压波形(如图5所示)来分析傅立叶分解后的系数 b n。从式(3)可以看出, b n中的负号项反映了“凹槽”的信息。多电平特定消谐波法中,求解特定的开关点时候要解非线形的超越方程,因此计算很复杂。目前资料中实际有应用的一般都只局限在三电平结构中。这种方法的主要特点是开关频率低,效率高;谐波含量较少;电压利用率高,最多可以达到1.15;计算开关点的时候计算比较复杂。
图5 五电平特定消谐波输出相电压1/2周期的波形
b
n=
[
V
(cos
n
α
11-cos
nα
12+……+(-1)
j
+1cos
nα
1
j
+……+cos
nα
1
k
)+
2 V (cos nα 21-cos nα 22+……+(-1) i +1cos nα 2 i +……cos nα 2 h ](3)
2.3 载波PWM技术
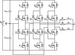
多电平逆变器载波技术,来源于两电平的SPWM技术,但是,由于多电平逆变器特殊的结构,使其载波技术又不同于两电平的载波技术。多电平逆变器中由于开关管多,因此,多电平逆变器的载波和调制波都不止一个,每一个载波和调制波有多个控制自由度,这些自由度至少有频率、幅值和偏移量等。这些自由度的不同组合,将会产生大量载波PWM技术。其中最具有代表性的主要有三种,即分谐波PWM、开关频率优化PWM、三角载波移相PWM。
2.3.1 分谐波PWM方法[7][8][9]
多电平分谐波PWM方法是两电平正弦波调制在多电平领域的一个扩展。载波是n个具有同相位、同频率 f c、相同的峰峰值 A c,且对称分布的三角波。参考信号是一个峰峰值为 A m、频率为 f m的正弦信号。在三角载波和正弦波相交的时刻,如果正弦波的值大于载波的值,则开通相应的开关器件,反之则关断该器件。对于多电平变换器,幅度调制比 m a和频率调制比 m f定义如下:
m
a=
(4)
m
f=
(5)
图6所示为五电平分谐波PWM方法的原理图。
图6 五电平分谐波PWM方法的原理图
2.3.2 开关频率优化PWM[10][11]
Steinke提出的开关频率优化的PWM方法是基于2.3.1的,这种方法载波和2.3.1完全相同,不同的是2.3.2的调制波中注入了零序分量。这种方法的优点就是可以优化器件的开关频率,提高电压的利用率,这种方法的调制比最多可以做到1.15,不过这种方法有一个限制就是只能够用于三相系统中。图7是该方法的原理图。
图7 五电平开关频率优化PWM原理图 [p]
2.3.3 载波相移PWM方法[12]
上面的两种载波方法,主要是针对二极管箝位型多电平变换器提出来的。而载波相移PWM方法则主要是用于级联型多电平变换器。这种方法与上两种方法不同,每一个级联模块的SPWM信号都是由一个三角载波和两个反相位的正弦波产生的。不过,相互级联的多个模块之间的三角载波有一个相位差 θ 。当 θ =π/ n (其中 n 为级联的模块的个数)时,输出相电压的 THD 最小。这种方法的原理和两电平中的倍频思想相似。
2.4 多电平的空间矢量PWM技术[13][14]
多电平空间矢量方法和两电平空间矢量方法一样,都是一种建立在空间矢量合成概念上的PWM方法。以三电平为例来说明多电平空间矢量多电平的原理,其空间矢量图如图8所示。为了减少谐波,被合成的空间矢量,一般都是用空间矢量定点落在的特定小三角形的三个定点的电压矢量予以合成。对于多电平变换器,用空间矢量合成的时候,计算比较复杂,很多文献讨论了不少简化的计算方法。另外,对于空间矢量,很多平衡中点电位的方法也被提了出来。空间矢量方法的特点是谐波小、电压利用率高,中点电位平衡容易实现。目前实用的一些多电平变换器大多数是用空间矢量PWM来实现的。
图8 三电平电压空间矢量图
2.5 多电平的Sigma-delta调制法(SDM)[15][16][17]
SDM是一种在离散脉冲调制系统(如直流谐振链逆变器)合成电压波形的技术。这一概念也是起源于两电平逆变器中,它的控制图如图9所示。图中 V *为期望输出的电压波形, V 为实际调制合成的输出波形。该控制部分中主要有三个环节,即误差的积分环节、量化环节、采样环节。该控制方法设计的主要任务就是设计合理的开关频率和积分环节的增益。一般定义 G = K / f s(式中: K 为微积分环节的增益, f s为开关频率),为了减少谐波,一般令0< G <1。图10为这种方法的调制波形。
图9 SDM方法的控制框图
图10 五电平 G =0.938, M =0.9时候SDM调制的波形
3 结语
本文介绍了多电平变换器的各种控制方法和各种拓扑,比较了其特点。从上面分析可以看到,各种拓扑结构和各种控制方法都有其特点,因此,在工程选择的时候,应合理予以选择。随着高速控制处理芯片DSP的出现,多电平变换器技术将会取得更广泛的实际应用。
射频工程师养成培训教程套装,助您快速成为一名优秀射频工程师...
天线设计工程师培训课程套装,资深专家授课,让天线设计不再难...
上一篇:基于FPGA的LED大屏幕控制系统设计
下一篇:一种HCI自适应的解决办法

