- 易迪拓培训,专注于微波、射频、天线设计工程师的培养
基于MC68HC908MR16数字化控制的不间断电源系统
0 引言
随着信息处理技术和微电子等精密技术的蓬勃发展,对供电系统质量和可靠性的要求也越来越高,在一些用电质量要求较高的场合,急需一种电压稳定、能同步跟踪电网频率、高可靠性的交流不间断电源。UPS系英文Uninterruptible Power System的缩写,中文意思是“不间断电源系统”。UPS使供电系统的可靠性和质量大大提高,同时使投资和运行费用降低,是信息时代不可缺少的能源系统。在很多由于计算机系统停电而使计算机丢失数据的行业,UPS起着不可替代的作用,如银行、证券、通信、航空管理、生产监控系统等。
1 系统结构及工作原理
不间断电源的种类很多,按不同的结构和功能可以分为在线式UPS、在线互动式UPS、后备式正弦波UPS、后备式方波输出UPS和Delta变换型UPS。从性能指标上看,在线式UPS>Delta变换型UPS>在线互动式UPS>后备式正弦波输出UPS>后备式方波输出UPS。从价格上看,在线式UPS、Delta变换型UPS和在线互动式UPS价格较高,后备式UPS便宜。
本系统采用的是后备式正弦波UPS,它适用于用电质量不高又要求不能断电的负载。它由充电器、逆变器、蓄电池组、静态开关等组成。系统工作原理如图1和图2所示。
当市电供电正常时如图1所示,连接逆变器的转换开关关断,连接电网的转换开关开通,UPS将原来电压起伏很大的市电经过一种简易的交流稳压器稍加稳压处理后,向用户负载供电。同时经充电器对蓄电池组充电。
图1 市电供电正常时的工作原理
当市电供电不正常时如图2所示,连接电网的转换开关关断,连接逆变器的转换开关开通,逆变器在蓄电池组所提供的直流能源支持下,向用户提供50Hz、220V正弦波交流稳压电源,同时充电器停止工作。
图2 市电供电不正常时的工作原理
2 控制策略
2.1 UPS逆变器输出电压与电网电压锁相同步的实现
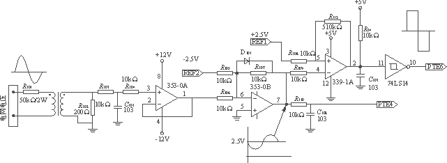
在市电故障时,为避免UPS的逆变器和市电电源切换瞬间对负载造成大的电流冲击,必须保证电网电压与UPS逆变器输出电压同频、同相和同幅值,本系统通过MR16单片机对电网电压采样及相位捕捉,并与建立的电网电压正弦表格相比较,经逻辑判断后控制逆变器输出电压的幅值和相位,从而实现与电网电压的同步。如图3所示,电网电压的正弦波信号经变压器降压再经-2.5V基准电压的提升,与+2.5V基准电压进行比较,在LM339的输出端经反向器后在PTE6口就可以得到与正弦波同频、同相位的方波信号,方波的上升沿为正弦波的零相位处,下降沿为正弦波的180°相位处,方波信号送到单片机的I/O口,单片机通过对I/O的检测就可以判断电网电压的相位。通过计算两次上升沿的时间间隔就可算出电网周期。UPS逆变器正弦波的产生,是通过在MR16单片机的ROM中建立一个正弦表,在中断程序中,由正弦指针读取正弦值进行脉宽计算,从而产生SPWM波形输出,正弦指针为零时对应的正弦波输出电压也为零,所以,当检测到电网零相位点时,可以考虑通过比较正弦指针的值来判断是否锁相,指针为零则表明逆变器正弦波输出与电网电压波形锁相同步,否则就要通过移相跟踪电网电压相位实现锁相。
图3 电网电压的采样及相位的捕捉 [p]
2.2 UPS逆变器与电网切换控制的实现
切换控制是通过通断切换电路中的静态电子开关(如晶闸管模块MTC)来实现的。本系统选用MTC70(70A/1200V)的晶闸管,如图4所示,图4中 L 1为电网进线, L 2为逆变器进线,N为两者的公共地线, R 为负载。图中采用晶闸管反并联连接,由于母线上流过的是正弦全波,以SCR1及SCR2为例,就必然形成在正弦波的正半周SCR2导通、SCR1关断,在负半周则SCR1导通、SCR2关断,这样就保证了流过负载的电流是完整的正弦波。
图4 切换电路示意图
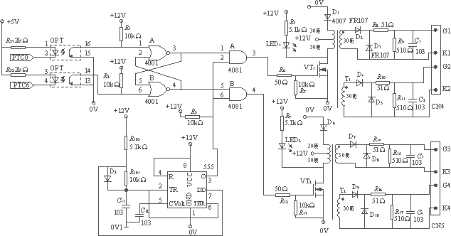
晶闸管的通断是由MR16单片机辅以切换控制电路实现的。当电网故障时,先发出切断电网信号,再发出切入逆变器的信号;当电网恢复时,先发出切断逆变器信号,再发出切入电网的信号,这就需要信号发送电路,同时控制晶闸管开、关也需要门极触发驱动电路。切换控制电路如图5所示,图5中左边PTC0、PTC6两路端口就是MR16单片机发送的开关控制信号,经光耦隔离送到由或非门组成的基本RS触发器电路中,RS触发器输出的两路信号是互锁的,两者只能同时为低电平(关断信号),不能同时为高电平(开通信号),从而增强了系统的安全性。由555定时器组成的自激振荡器的作用是定时地发送触发脉冲,脉冲有效宽度应不小于晶闸管的开通时间,其输出信号与RS触发器的输出相与送到门极驱动电路中。图5中后级则是晶闸管的门极脉冲驱动电路,可以看出也是隔离输出的。另外,采用两个LED管用于显示负载采用的供电方式。
图5 切换控制电路
MR16单片机通过对市电故障及故障是否恢复的判断来切断市电或UPS的逆变器。切断市电或逆变器后,负载电流衰减到零需要有一过程,然后再切入逆变器或市电,为保证切换操作的可靠性,本系统在零电流切入方式的基础上,在主程序中加入了如果在切断市电(或逆变器)后延时3ms没有进行切入操作,就不管是否检测到零电流直接进行相应的切入操作,从而保证了UPS供电的可靠性。
2.3 UPS逆变器输出电压的平均值反馈控制
UPS逆变系统实质上也是一种控制系统,对于本系统输出电压来说,其扰动量主要是负载变化和蓄电池的电压变化,蓄电池电压在短时间内可以视为定值,负载的变化为本系统的主扰动。根据反馈控制原理,要维持哪一个物理量基本不变就应该引入哪个物理量的负反馈,所以,闭环逆变系统采用的是电压闭环控制。通过测量输出反馈的电压量与给定量进行比较,经过调节器控制计算输出,最终改变SPWM输出脉宽,从而使输出跟随给定变化,负载扰动是被负反馈包围在前向通道上的,所以,该控制结构能够抵抗负载扰动变化。对于调节器来说,数字化PI调节器是目前应用最广泛、最为成熟的一项技术,已经在逆变系统中得到了很好的应用。由于逆变系统中的负载扰动均为电参量,动态响应要快,因此,PI控制算法中的参数选择至关重要,在设计过程中应合理选择调节器参数,使系统的控制适应性、快速性好,并有较强的鲁棒性。
逆变系统的一般组成结构如图6所示。
图6 逆变系统组成结构图
2.4 UPS逆变器输出电压波形的补偿
在逆变主电路(如图7所示)中,为防止同一桥臂的两个功率开关管出现直通现象,往往采取关断一功率管后延时一段时间再开通另一功率管的方法,这中间延时的时间(通常为几μs)就形成了死区,死区的存在(尽管很小)势必会造成输出电压波形的畸变,尤其对零点附近波形的影响,本系统采取优化存储在MR16单片机ROM中的正弦表值的方法对死区进行补偿,以实现平滑的正弦电压波形输出。
图7 电压型逆变电路 [p]
2.5 UPS逆变器的驱动模式
本系统中,4个主功率开关器件采用的是单极性倍频工作方式而不是双极性方式,因为与双极性相比,单极性倍频方式具有等效“加倍”开关频率的优点,开关频率的“加倍”体现在输出电压波形的频谱中。若选择频率调制比为偶数,则最低次谐波将出现在二倍于开关频率的边带上。
3 软件设计
系统软件主要分为主程序和中断服务子程序两部分。主程序由初始化模块、开机延时模块、采样保护模块、调节器模块等几个部分组成,另外主程序中还有对一些数据进行处理程序以及前面切换部分所述的超时切换程序,数据处理程序包括为了节省中断资源,对中断中AD采样的数据的处理计算和对通信接收数据的处理。
中断程序模块的任务是完成SPWM波形的发出,完成电压、电流和温度等各项数据的AD采样,与市电电压的锁相同步并进行切换操作的控制。由于中断资源有限(每100μs中断一次,中断程序执行时间不能超过100μs),对各参数的AD采样不可能每次中断都要完成一次,所以除重要参数外(输出电压和电网电压),其他参数都采用每两次中断采样一次的方法。
4 实验结果
图8为市电断电切入UPS逆变器瞬间波形。图9为由市电切入逆变器时负载电压波形。
图8 市电断电切入逆变器瞬间波形1
(通道1为市电波形,通道2为负载侧电压波形)
图9 由市电切入逆变器时负载电压波形
(通道1为切断市电信号,通道2为负载电压波形)
5 结语
本文所介绍的全数字化后备式UPS采用MOTOROLA单片机MC68HC908MR16作为主控芯片,能够做到快速锁相和快速切换,基本对负载无影响。系统结构紧凑,可靠性高,而且成本低,调试方便,充分体现了数字控制的优势。
射频工程师养成培训教程套装,助您快速成为一名优秀射频工程师...
天线设计工程师培训课程套装,资深专家授课,让天线设计不再难...
上一篇:基于滑模变结构控制的三相有源电力滤波器
下一篇:基于FPGA的高速数据处理系统设计

