- 易迪拓培训,专注于微波、射频、天线设计工程师的培养
整流器空间矢量调制算法的比较研究
摘要:简单介绍了整流器空间矢量PWM(SVPWM)控制的原理,就几种SVPWM波的谐波含量、开关损耗进行了比较,同时给出了集成DSP电机控制器TMS320F240实时产生SVPWM的实现算法。关键词:空间矢量脉宽调制;数字信号处理器;脉宽调制整流器Researchon Space瞯ectorPWMControlofTriphaseRectifier
HEMing瞲ingAbstract:TheprincipleofSVPWMcontrolofthree瞤hasePWMroctifier isintroduced.Theharmoniccomponentsandswitchingfrequencyofthreedifferent typiesofSVPWMwaveformarediscussed,andthealgorithmofSVPWMrealization isprovided.Theresultsofsimulationandexperimentarepresentedatlast. Keywords:SVPWM;DSP;PWMrectifier中图分类号:TN911文献标识码:A文章编号: 0219-2713(2002)10-0498-04
1引言
在三相PWM整流器的数字控制系统中,由于微处理器的运算和处理速度的限制,用来控制功率开关器件的PWM信号多采用三个相差为120°的正弦调制信号和一个三角载波信号相比较的正弦调制方法(SPWM),这种调制方法很容易用查表的方法实现,从而可以节约处理器的运算时间。但随着微处理器的设计和制造技术的日新月异,以TI公司的数字信号处理器TMS320F240和AD公司的ADMC331为代表的处理器的推出,使得PWM波的实时计算能很容易地实现,同时因为这些微处理器内嵌了产生PWM波的硬件,使各种PWM波特别是SVPWM波的实时产生成为一件轻松的工作。为此,本文着重分析了几种SVPWM波形的特点,同时给出了对应的工程实现算法,并就这几种算法进行了比较。
2电压型PWM整流器空间矢量脉宽调制的
基本原理
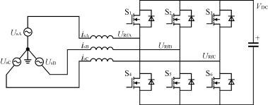
图1表示的是一个典型的三相电压型PWM整流器的结构。VDC为三相整流器直流侧电压, UsA,UsB,UsC分别为三相电网的相电压;URfA,URfB,URfC分别为整流器桥臂中点对三 相电网电压中点的电压值,它们的大小依赖于对应的桥臂上下功率开关的状态,isA,isB, isC分别为三相的线电流。

对于电压型PWM整流器的电流控制有两类不同的控制方法。一是间接电流控制,它不引入电流反馈而直接对整流器进行PWM调制,使其输入端电压为接近正弦的PWM波形,并保持一定的相位,从而使通过电抗器输入的电流为与电源电压同相位的正弦波;二是直接电流控制,需要检测输入电流,并通过电流反馈信号对整流器进行PWM调制,达到控制输入电流波形相位的目的。直接电流控制有多种不同的电流跟踪方法,如滞环控制,空间矢量控制,固定频率的滞环控制,基于自然采样SPWM控制。其中空间矢量PWM是由空间矢量变换概念而来。在采用空间矢量PWM控制的三相电压型整流器中,为了描述方便定义如下空间矢量,其中α=ej2π/3。
——电网电压空间矢量Us=(UsA+αUsB+α2UsC)(1)
——桥臂中点电压空间矢量
URf=(URfA+αURfB+α2URfC)(2)
——线电流空间矢量Is=(isA+αisB+α2isC)(3)
考虑上述变量的基波分量,上述空间矢量Us,URf,Is的关系可用下式表示
URf=Us-Rs×Is-Ls×dIs/dt(4)
用CPU进行数字运算时上式可变为
URf=Us-Rs×Is-Ls×ΔIs/T(5)
式中:T为一个PWM控制周期,即为主开关器件的开关周期。
CPU检测电网电压可以计算出电网电压空间矢量,检测电感中的电流可以计算出电流矢量,再和指令电流矢量比较可以得到ΔIs,再由式(5)就可以计算出桥臂中点电压矢量。再经过空间矢量调制算法计算出下个PWM控制周期每个开关管的导通时间,这样就可以控制整流器入端的电流。当PWM整流器入端的电流和电网电压同相位时,这时PWM整流器的功率因数很接近1,即为通常所说的PFC控制;如果PWM整流器的交流侧是和其它功率负载并联接入电网,而且控制PWM整流器的入端电流使得它的入端电流和与其并联的功率负载的电流之和接近正弦且与电网电压同相位,那么PWM整流器起消除电网谐波的作用。
整流器的6个开关器件的开关顺序必须遵从下面的要求。
(1)其中的3个开关总是处于开通状态,而其余的3个总处于关断状态。
(2)同一桥臂的上下两个开关由互补的两个脉冲信号控制,并且必须保证控制上下桥臂的脉冲信号没有重叠部分,这样就不会出现上下桥臂的直通短路。
这6个开关器件可以形成8种导通模式,这8种模式对应8种空间矢量,在一个PWM控制周期内可以通过这8种矢量的不同组合,让它在一个PWM控制周期产生的效果等于式(5)计算出的桥臂中点电压矢量作用一个PWM控制周期。这样就达到了控制整流器交流侧电感中的电流的目的。
3SVPWM波在DSP中的实现方法
由式(5)可以计算出一个PWM周期桥臂中点的电压矢量URf,从其在d、q轴投影得到其 d、q轴的分量分别为Ud、Uq,那么CPU下一步就要由Ud、Uq的值计算出三个桥臂每个开关 管的占空比,从而给各个桥臂正确的触发脉冲。用什么样的算法来得到每个开关管的占 空比就是本节要讨论的问题。
[p]
SVPWM调制方法就是从8种基本空间矢量中选取合适的空间矢量,让它们在一个PWM周期内占一定比例的时间,从而可以近似URf作用整个PWM周期的效果。图2画出了8个基本矢量,其中6个有效矢量把整个平面分为6个扇区,为了使整流器有最低的开关频率,在选取有效矢量的时候要选取离URf最靠近的两个基本矢量。例如如果URf在第一扇区,那么有效矢量要选择U0(100)、U60(110)。为了让在一个PWM控制周期中这两个基本电压矢量的组合作用效果能等效于URf,那么它们要满足下式URf=(T1Ux+T2Ux+60)(6)
式中:T为一个PWM控制周期,T1,T2分别为Ux,Ux+60的作用时间。
一般一个PWM控制周期比较短,URf在T时间内的积分可以用URf乘以T来代替。故式(6)可以化简为URf=(T1Ux+T2Ux+60)(7)
用行列式的表示方法可以表示为URf=[UxUx+60][T1T2]τ(8)
等式两边都同乘[UxUx+60]-1后得到式(9)。
[T1T2]τ=[UxUx+60]-1URf(9)
式中:[UxUxx+60]-1是对应扇区的归一化分解矩阵,以第一扇区为例:[U0U60]=( 10)[U0U60]-1=(11)
这样在DSP中,先进行判断URf的扇区,计算的流程图如图3所示。
然后根据不同的扇区的值来选取不同的归一化矩
整流器空间矢量调制算法的比较研究
阵,再由式(9)可以算出T1,T2的值。具体实现方法如下。先定义一个三维常量数组 decomp[6][2][2]来存放着六个扇区的归一化分解矩阵,每一个扇区的归一化矩阵在数组的存放格式如式(12),
[UxUx+60]-1=(12)
那么
T1=Ud×decomp[扇区][0][0]+
Uq×decomp[扇区][0][1](13)
T2=Ud×decomp[扇区][1][0]+
Uq×decomp[扇区][1][1](14)
得到T1,T2的值,也就是两个有效基本矢量在一个PWM控制周期内各作用的时间,那么零矢量作用的时间为T0=T-T1-T2,因为零矢量可以为0000也可以是0111,先假设它们在一个PWM控制周期内作用的时间各为T0/2。
以第一扇区为例,Ux=(100),Ux+60=(110)各作用的时间为T1,T2,那么可以得到在一个PWM控制周期内,A、B、C三相上管开通的时间分别为
——A相T1+T2+T0/2
——B相T2+T0/2
——C相T0/2
当URf在其他的扇区时也有相似的算法。上面的算法没有考虑根据式(12)、(13)计算T1、T2之和大于T的情况,但在实际的控制过程中,系统在启动的时候,直流侧电压比较低,或是交流侧实际电流和指令电流的差值比较大时,URf会超出图2中六个基本有效矢量终点围成的正六边形,这时根据式(12)、(13)计算出T1、T2的值会使得T1+T2≥ T,也就是对应SPWM算法中的过调制。虽然CPU设计厂商在设计CPU的时候考虑到了这种情况,即使T1+T2≥T时也不会导致产生SVPWM波的硬件产生错误的导通信号。如果把这样计算出的T1、T2值直接应用于产生SVPWM波的硬件中,会使得后作用的那个空间矢量损失掉〔(T1+T2)-T〕的时间。折中的办法是让每个空间矢量都少作用〔(T1+T2)-T〕的时间,这样Ux作用的时间为T1-〔(T1+T2)-T〕,Ux+60作用的时间为T2-〔(T1+ T2)-T〕。这样可以使得SVPWM调制出现饱和时,也能使波形有较好的对称性。
4几种SVPWM波的比较
用上面的方法,我们可以由桥臂中点的空间电压矢量,计算出一个PWM控制周期两个有效基本空间矢量作用的时间,但并没有仔细考虑零矢量的选择和每个矢量作用的顺序。如果选择不同的零矢量,而且使有效矢量作用的顺序也有不同,就会产生出不同的PWM。虽然从平均值看来,它们在一个PWM控制周期的作用效果和URf一样,但它们的谐波特性以及开关的次数都有不同。因为像专为电机控制而设计的微处理器,如TMS320F240、ADMC331和 Intel的8XC196MC系列,都内置产生PWM波的硬件,所以利用这些硬件能很方便地产生出三种PWM波,下面就这三种PWM波[3]进行讨论。
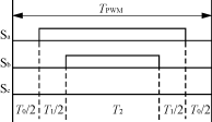
第一种是在一个PWM控制周期的开始先作用T0/2的零矢量0000,然后是T1的Ux,再是T2的 Ux+60,最后是T0/2的零矢量0000。这种PWM波的谐波含量比其它几种而言要大,但它在一个PWM控制周期内一共只有4次开关切换。如图4所示。
第二种是在一个PWM控制周期的开始先作用T0/2的零矢量,然后是T1/2的Ux,再是T2的 Ux+60,再是T1/2的Ux,最后是T0/2的零矢量,这儿零矢量的选择要根据Ux中的零的多少来定,Ux中零的个数是两个时就要选择0000,否则要选择0111。这种PWM方式在这三种实现方式种谐波含量居中,开关次数同第一种,也是4次。如图5所示。
第三种是在一个PWM控制周期的开始先作用T0/4的零矢量0000,然后是T1/2的Ux,然后是T2/2的Ux+60,然后是T0/2的零矢量0111,然后又是T2/2的Ux+60,然后又是T1/2的 Ux,最后是T0/4的零矢量0000。这种PWM方式比较而言谐波含量最少,但开

图3计算流程图 [p]

图4SVPWM方式1

图5SVPWM方式2

图6SVPWM方式3
整流器空间矢量调制算法的比较研究

图7第二种空间矢量调制方法时触发脉冲
经低通滤波后的波形

图8第三种空间矢量调制方法时触发脉冲经

图9采用第二种空间矢量调制方法时电流跟踪电压的波形

图10采用第三种空间矢量调制方法时电流跟踪电压的波形
低通滤波后的波形
关次数要多于其他两种方法。如图6所示。
5试验波形
对于上面的第二、第三种SVPWM方式,利用TMS320F240为主控制器,构建了三相电压型 PWM整流器硬件平台。在实现整流器的PFC控制时分别采用了两种SVPWM进行试验,图7显示的是当PWM控制周期为0.2ms,正弦电压的周期为20ms,采用第二种PWM方式时,A、B两相的触发脉冲经过低通滤波器后的波形,中间M1是两相波形之差,即为线电压的波形;图8显示的是对应的采用第三种SVPWM方式时的波形。
图9和图10分别显示的是,采用两种SVPWM方式对PWM整流器进行PFC控制时,电流跟踪电压的波形。试验时交流侧的输入电压为36V,交流侧电感为2.1mH,直流侧的输出电压为 160V,图中波形1为电压的波形,波形2为电流的波形,比例10A/div。可以看出这两种方法在实现PFC控制时都能让电流跟踪电压的波形,它们的差别仅仅在于电流谐波的含量,开关的频率的不同以及由于开关频率不同而导致的开关器件不同的开关损耗。
6结语
本文简单介绍了SVPWM调制方法在三相电压型PWM整流器的实现方法,具体介绍了如何用 DSP实现SVPWM调制,并根据当前比较流行的用于电机控制的微处理器所产生PWM波的硬件特点,介绍了三种SVPWM波,并对其做了分析和比较。从试验的波形来看,不同的SVPWM实现波形在实现PWM整流器的控制策略时都是可以的,但如果要考虑到入端电流的谐波含量以及主电路开关器件的损耗大小时,就要合理地选择SVPWM实现波形。
射频工程师养成培训教程套装,助您快速成为一名优秀射频工程师...
天线设计工程师培训课程套装,资深专家授课,让天线设计不再难...
上一篇:双行双稳态LED显示单元的设计与研究
下一篇:基于DM642的视频处理系统硬件设计

