- 易迪拓培训,专注于微波、射频、天线设计工程师的培养
全数字单相三电平整流器控制电路设计
摘要:三电平整流器由于其独特的优点,受到了越来越多的重视。介绍了三电平桥式整流器的工作原理,并用数字信号处理器对其控制系统进行了实现,说明了全数字控制系统的硬件设计和软件设计的方法。仿真和实验结果验证了理论研究的结果。
关键词:数字信号处理器;三电平;PWM整流器;功率因数校正
0 引言
三电平(ThreeLevel,TL)整流器是一种可用于高压大功率的PWM整流器,具有功率因数接近1,且开关电压应力比两电平减小一半的优点。文献[1]及[2]提到一种三电平Boost电路,用于对整流桥进行功率因数校正,但由于二极管整流电路的不可逆性,无法实现功率流的双向流动。文献[3],[4]及[5]提到了几种三电平PWM整流器,尽管实现了三电平,但开关管上电压应力减少一半的优点没有实现。三电平整流器尽管比两电平整流器开关数量多,控制复杂,但其具有两电平整流器所不具备的特点:
1)电平数的增加使之具有更小的直流侧电压脉动和更佳的动态性能,在开关频率很低时,如300~500Hz就能满足对电流谐波的要求;
2)电平数的增加也使电源侧电流比两电平中的电流更接近正弦,且随着电平数的增加,正弦性越好,功率因数更高;
3)开关的增加也有利于降低开关管上的电压压应力,提高装置工作的稳定性,适用于对电压要求较高的场合。
1 TL整流器工作原理
TL整流器主电路如图1所示,由8个开关管V11~V42组成三电平桥式电路。假定 u 1= u 2= u d/2,则每只开关管将承担直流侧电压的一半。
图1 TL整流器主电路
以左半桥臂为例,1态时,当电流 i s为正值时,电流从A点流经VD11及VD12到输出端;当 i s为负值时,电流从A点流经V11及V12到输出端,因此,无论 i s为何值,均有 u AG= u CG=+ u d/2,D1防止了电容 C 1被V11(VD11)短接。同理,在0态时,有 u AG=0;在-1态时,有 u AG= u DG=- u d/2,D2防止了电容 C 2被V22(VD22)短接。
右半桥臂原理类似,因此A及B端电压波形如图2所示,从而在交流侧电压 u AB上产生五个电平:+ u d,+ u d/2,0,- u d/2,- u d。
图2 TL整流器波形
每个半桥均有三种工作状态,整个TL桥共有32=9个状态。分别如下:
状态0(1,1) 开关管V11,V12,V31,V32开通,变换器交流侧电压 u AB等于0,电容通过直流侧负载放电,线路电流 i s的大小随主电路电压 u s的变化而增加或减小。
状态1(1,0) 开关管V11,V12,V32,V41开通,交流侧输入电压 u AB等于 u d/2,输入端电感电压等于 u s- u 1。电容 C 1电压被正向(或反向)电流充电( u 1< u s,或放电 u s< u 1), C 2通过直流侧负载放电。
状态2(1,-1) 开关管V11,V12,V41,V42开通,输入电压 u AB= u d,正向(或反向)电流对电容 C 1及 C 2充电(或放电),由于输入电感电压反向,电流 i s逐渐减小。
状态3(0,1) 开关管V12,V21,V31,V32开通,交流侧输入电压 u AB等于- u d/2,输入电感上电压等于 u s+ u 1。电容电压被正向(或反向)电流充电(或放电)。
状态4(0,0) 开关管V12,V21,V32,V41开通,输入端电压为0,电容通过直流侧负载放电,线路电流 i s的大小随主电路电压 u s的变化而增加或减小。
状态5(0,-1) 开关管V12,V21,V41,V42开通,交流侧电压为 u d/2,正向(或反向)电流对电容 C 2充电(或放电),电容 C 1通过负载电流放电。
状态6(-1,1) 开关管V21,V22,V31,V32开通, u AB=- u d,正向(或反向)线电流对两个电容 C 1及 C 2充电(或放电),由于升压电感电压正向,线电流将逐渐增加。
状态7(-1,0) 开关管V21,V22,V32,V41开通,交流侧电压电平为- u d/2,正向(或反向)电流对电容 C 2充电(或放电),电容 C 1通过负载电流放电。
状态8(-1,-1) 开关管V21,V22,V41,V42开通,输入端电压为0,升压电感电压等于 u s,两个电容 C 1及 C 2均通过负载电流放电。电流 i s根据电压 u s的变化而增加(或减小)。
2 硬件电路设计
从图2可以看出,在输入电压频率恒定的情况下,要在变换器交流侧产生一个三电平电压波形,输入电压一个周期内应定义两个操作范围:区域1和区域2,如图3所示。
图3 工作区域 [p]
在区域1,电压大于- u d/2,并且小于 u d/2,在电压 u AB上产生三个电平:- u d/2,0, u d/2。同理,在区域2,电压绝对值大于 u d/2,并小于直流侧电压 u d,在电压正半周期(或负半周期)上产生两个电平: u d/2和 u d(或- u d/2和- u d)。相应电平的工作区域如表1所列。
表1 相应电平的工作区域
| 工作区域 | 1 | 2 | 1 | 2 |
|---|---|---|---|---|
| u s>0 | u s<0 | u s>0 | u s<0 | |
| 高电平 | u d/2 | 0 | u d | - u d/2 |
| 低电平 | 0 | - u d/2 | u d/2 | - u d |
为方便控制,这里定义两个控制变量 S A及 S B,其中
S
A=
(1)
S
B=
(2)
根据表1可以设计一个开关查询表,如表2所列,将其存储在DSP中,当进行实时控制时,便可根据输入电压、电流信号,从表中查询所需采取的开关策略。
表2 查询表
| S A | S B | V11 | V12 | V21 | V22 | V31 | V32 | V41 | V42 | u AB |
|---|---|---|---|---|---|---|---|---|---|---|
| 1 | 1 | 1 | 1 | 0 | 0 | 1 | 1 | 0 | 0 | 0 |
| 1 | 0 | 1 | 1 | 0 | 0 | 0 | 1 | 1 | 0 | u d/2 |
| 1 | -1 | 1 | 1 | 0 | 0 | 0 | 0 | 1 | 1 | u d |
| 0 | 1 | 0 | 1 | 1 | 0 | 1 | 1 | 0 | 0 | - u d/2 |
| 0 | 0 | 0 | 1 | 1 | 0 | 0 | 1 | 1 | 0 | 0 |
| 0 | -1 | 0 | 1 | 1 | 0 | 0 | 0 | 1 | 1 | u d/2 |
| -1 | 1 | 0 | 0 | 1 | 1 | 1 | 1 | 0 | 0 | - u d |
| -1 | 0 | 0 | 0 | 1 | 1 | 0 | 1 | 1 | 0 | - u d/2 |
| -1 | -1 | 0 | 0 | 1 | 1 | 0 | 0 | 1 | 1 | 0 |
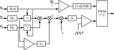
整个控制系统以一片DSP为核心,控制框图如图4所示。
图4 控制框图
锁相环电路产生一个与电源电压同相位的单位正弦波形, u d的采样信号通过低速电压外环调节器进行调节,电流 i s的采样信号通过高速电流内环G1进行调节,电容 C 1端直流电压 u 1与电容 C 2端直流电压 u 2分别通过两个PI调节器进行调节,补偿环G2用于补偿两只电容电压的不平衡。
检测的线电流命令 i s与参考电流 i s*比较,产生的电流误差信号送至电流内环G1,以跟踪电源电流变化,产生的线电流波形将与主电压同相位。
3 软件设计
系统采用两个通用定时器GPT1及GPT2来产生周期性的CPU中断,其中GPT1用于PWM信号产生、ADC采样和高频电流环控制(20kHz),GPT2用于低频电压环的控制(10kHz),两者均采用连续升/降计数模式。低速电压环的采样时间为100μs,高速电流环采样时间为50μs。中断屏蔽寄存器IMR,EVIMRA和EVIMRB使GPT1在下降沿和特定周期产生中断,GPT2则仅在下降沿产生中断。
整个程序分为主程序模块、初始化模块、电流控制环计算模块、电压控制环计算模块、PWM信号产生模块等五大部份。程序流程如图5所示。
图5 主程序流程 [p]
4 仿真结果及实验
仿真参数如下:输入电压us交流220V,50Hz,
输出功率1kW,开关管GTO,开关频率500Hz。整流状态和逆变状态下电源电压 u s、电源电流 i s、交流侧电压 u AB波形分别如图6及图7所示。
图6 整流状态波形
图7 逆变状态波形
实验结果也证实了设计的正确性,在采用GTO管、开关频率较低(500Hz)时,输入侧电流波形仍然非常接近正弦,装置得到了接近1的功率因数,同时开关上的电压应力减少了一半。
5 结语
采用全数字控制的三电平PWM整流器将控制系统外围电路减至最少,在较低成本下可以获得很高的性能。基于DSP的三电平整流器比传统功率因数校正电路动态性能更好,在较低的开关频率下就可以获得比较好的正弦化电流波形,并可用于GTO等开关器件。如用于高压、大功率三相电路、VVVF电源、电机控制等领域,该方案优越性更明显。
射频工程师养成培训教程套装,助您快速成为一名优秀射频工程师...
天线设计工程师培训课程套装,资深专家授课,让天线设计不再难...
上一篇:JTAG51帮助文件在keil下的C51下的HLP目录下,名字为jet51_keil
下一篇:采用LED动态显示屏的计时器电路设计

