- 易迪拓培训,专注于微波、射频、天线设计工程师的培养
基于ZigBee技术的矿井工作面移动式瓦斯监测
1 引言
矿井瓦斯主要是在开采过程中溢出的,因此矿井工作面瓦斯含量最大,由于工作面工作条件十分恶劣,至今没有设置瓦斯监测装置。
只是在回风巷设置了固定式瓦斯探头。本文利用无线传输最新ZigBee技术研制出用于矿井人员携带或机载的移动式瓦斯传感器,将工作面的瓦斯值传输到工作面端头的瓦斯监控系统中,从而实现瓦斯源头的实时监测。本系统由移动式瓦斯传感器与矿井瓦斯监控分站以及地面中心组成,其设计遵循煤矿安全生产规程的有关规定执行。
2 系统组成
本系统设计由移动式瓦斯传感器、矿井瓦斯监控分站、地面中心三部分组成。
其中,移动式瓦斯传感器采集瓦斯信号,经过微弱信号放大电路,A/D转换后由单片机存储管理其数据。传感器采用定时输出、无线电发送方式。其核心电路由检测桥路、放大电路、单片机、2.4 GHz发射电路组成。该传感器有两种供电模式,当装置放置在采煤机上时由采煤机电源转换后的直流电源供电;当由矿井工作人员便携时,则由矿灯电源供电。传感器将瓦斯信息从采掘点传输到矿井回风巷的端头。在回风巷端头设有瓦斯监控分站。
监控分站包括电力负荷控制和电子监控电路。监控分站的核心是嵌入式电路,该嵌入式电路外接2.4 GHz的传输模块,实现无线信号的搜集与处理。当瓦斯超限时能够发出控制信号,该控制信号控制声光报警器发出报警信号,也可以控制工作面的供电系统,实施断电。该电路还能实现电力负荷的监测功能。
遍布整个矿井的网络监控站的信息可以传到地面中心。地面中心的主要任务是实时显示各个监控点的瓦斯信息,供矿井调度实施生产指挥与调度。其系统原理框图如图1所示。

[p]
2.1 MC9S08GT60简介
MC9S08GT60是Freescale公司生产的低成本、高性能HCS08八位MCU,包括可快速执行调试和开发的新的指令.同时向下兼容M68HC08系列指令。它与M68HC08最大的不同在于内嵌了一套板载硬件调试工具,可以通过背景调试控制器(BDC) 进行设计。MC9S08GT60具有片内在线编程Flash存储器支持块保护和保密设定、8通道10位模数转换器、串行外设接口模块、I2C总线支持100 kb/s传输速率等特性,这些都使其在相关电子领域具有广泛的应用。
2.2 MC13192简介
MC13192是Freescale公司生产的支持IEEE-802.15.4.协议标准的短距离、低功耗传输平台,支持星型和网型网络,仅需要2.0 V~3.4 V的电压,16个通信通道,最大输出功率为3.6 dBm,内置接收、发送RAM,每个5 MHz通带内都采用OQPSK传输250 kb/s数据。支持3种工作模式,省电,最低能接收电平-92 dBm,可为MCU提供时钟。MC13192可通过SPI接口与MC9S08GT60连接,从而组成一个低成本、高效能的监控传输平台。其传输功耗仅为1.0 mW,适用于在煤矿中建立一个本质安全型的监测平台。
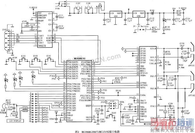
2.3 MC9S08GT60与MC13192连接
MC9S08GT60与MC13192连接原理图如图2所示。MC9S08GT60与MC13192通过SPI技术建立连接,MC13192同时为MC9S08GT60提供时钟。MC9S08GT60的PTB口作为外部器件接口,引脚PTB6、PTB7为模拟串口,通过74164驱动5个LED显示,引脚PTB3作为瓦斯浓度模拟输入端,通过程序设定进行A/D转换。同时将转换后的结果分别送MC13192调制发射及LED显示。
[p]
3 各部分工作原理
3.1 移动式瓦斯传感器平台的建立
测定移动式瓦斯浓度,首先需要检测空气中的瓦斯浓度,将检测所得的模拟量通过A/D转换,然后将数字量编码,最后通过ZigBee技术发送。各个不同的移动式瓦斯传感器平台可以由井下工作人员随身携带或置于环境较恶劣的监测点,实时监测瓦斯浓度。
本方案采用MC9S08GT60单片机对瓦斯传感器检测的浓度进行采集和发送。MCU中内置了10位A/D转换器,对3 V电压的检测精度可以达到3/210=0.003 V,完全可以满足检测需要。同时,将检测所得数值变为10位数据并加入地址码,通过ZigBee平台以2.4 GHz OQPSK方式进行发射。同时,单片机还可将所监测到的瓦斯浓度迅速显示在移动传感器平台本身的LED显示屏上,从而可以使井下工作人员确认当前环境的瓦斯浓度是否可以安全开采。其流程图如图3所示。

3.2 监控分站平台的建立
本解决方案根据硬件及组网要求搭建星型网络,MC13192最多可以产生16组传输频点,因此可根据要求以时分方式对16个监测点的数据进行采集,并得到相应瓦斯浓度,确定井下工作的安全性。
3.3 监控分站接收平台
监控分站需要首先根据传输频率不同对各个移动监控点的数据分时接收。再根据所得到的数据进行相应判断,同时将瓦斯浓度值显示在LED屏幕上。如果发现瓦斯浓度超标,则可通过触发控制电路切断空气开关,从而切断工作交流电源,避免引起矿井事故。 [p]
同时,根据所接收到的数据,实时将数据通过MCU打包,再通过MCU RS232串行接口传输数据.并通过RS232-TCP/IP转换器经以太网络传输至中央监控主机。具体MCU程序执行流程如图4所示。

3.4 地面监控中心
地面监控中心通过井下的以太网,将分布于矿井不同工作面的监控分站的数据进行汇总,同时根据各个监控分站的瓦斯浓度状况作出相应的处理。同时,将所有瓦斯浓度自动汇总记录在数据库中,便于监测分析。根据不同的瓦斯浓度发出告警提示,从而最大限度地保障矿井工作面的作业安全。
4 结束语
本文采用MC9S08GT60单片机和MC13192射频器件,组合搭建基于ZigBee技术的矿井工作面移动瓦斯监控平台,解决了原有井下固定瓦斯监测带来的安全隐患,提高煤矿开采作业的安全等级。该平台组网简单、维护方便、成本低廉且移动平台功率控制好,属于本质安全型的监测平台,适合于中小煤矿安装。通过监测分站的内建UART,还可将数据传输至地面监控中心存储管理,提高了煤矿安全生产水平。实验证明,该平台完成了对于煤矿防暴开关的准确控制,达到了预期设计效果。
射频工程师养成培训教程套装,助您快速成为一名优秀射频工程师...
天线设计工程师培训课程套装,资深专家授课,让天线设计不再难...
上一篇:如何选择白光LED闪灯驱动器
下一篇:基于SPCE061A的水温监控系统设计

