- 易迪拓培训,专注于微波、射频、天线设计工程师的培养
浅谈汽车侧向倾斜角度传感器的应用
引言
概述随着电子技术的发展和应用,汽车的安全性、舒适性和智能性越来越高。汽车侧向倾斜角度传感器的应用是防止汽车在行驶中发生倾翻事故的一种有效方法,是提高汽车安全性的重要措施,特别是越野车、双层客车等重心较高的汽车更有必要。
汽车倾翻的实质是:行驶中向外的倾翻力矩大于向里的稳定力矩,当重心高度一定时,倾翻力矩由倾翻力(向外的侧向力)决定。根据物理学知识,倾翻力由路面的侧向(亦称横向)坡度产生的下滑力F1和转弯时所受向心力F2共同作用所产生,具体如下:
式中
m——汽车质量
g——重力加速度
α——路面与水平面的侧向夹角
v——汽车行驶速度
R——转弯半径
由以上2式可知,为了减小倾翻力,只有减小v是可行的,而且F2v2。根据牛顿第三运动定律,转弯时汽车在受到向心力作用的同时,产生与向心力大小相等、方向相反的离心力,因为汽车质量m是一定的,当向心力不能满足v2R的增大时,倾翻力矩大于稳定力矩,就会发生倾翻。
因此,应降低车速,进而减小倾翻力矩,将角度传感器按摆动方向在汽车上侧向布置,根据角度传感器产生的角位移,可得出汽车所受下滑力、向心力作用产生的倾翻力的大小,当角位移达到预先设定的数值时,使汽车减速。
1 角度传感器
利用重力原理制造的角度传感器如图1所示。摆动部分的质量为m,重心距转轴的距离为L,当汽车车体倾斜或做曲线运动时,均能使摆动部分偏转。设图1中的受力分析是无任何摩擦的理想状态下,力F为下滑力F1和向心力F2共同作用的结果,力F与倾翻力成正比,所产生的偏转角度也就与倾翻力成正比。摆动部分所受重力G与F的合力T是摆杆所受拉力,摆动角度=tg-1(F/G),与L无关,当质量m一定时,只与F有关,且成正比。实际上,由于存在转轴等处的摩擦,则L越长,摆动转矩越大,精度越高。
角度传感器在控制系统中通常作为采样元件,其性能的优劣对整个系统起着重要作用。电位器式角度传感器已在各种控制系统中广泛应用,但它的缺点是存在触点的滑动磨损和电噪声;磁敏电阻式角度传感器是利用半导体技术制造的新型纯电阻性元件,特点是无触点,当摆动部分偏转时,通过磁敏电阻的磁通量发生变化,使磁敏电阻的阻值发生数倍以上的变化,从根本上消除了电噪声,并使精度得以提高。
各种角度传感器都具有阻尼功能,使得对所测得角度的响应有一个短暂的延时对控制系统来讲是有益处的。 [p]
2 角度传感器电路
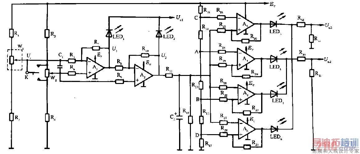
图2是侧向倾斜角度传感器的一种实用电路,主要由单电源运算放大器(如LM324)组成,其作用是将角度传感器中的电位器W1输出的线性变化的模拟电量进行处理、放大,能够按规定输出数字量和模拟量。令水平时电位器W1滑动点Ui的电位为(12)Ec(Ec为稳压电源电压,通常为9V或15V,下同),R1、R2、R3、R4为附加电阻,并使R1=R2,R3=R4,W2为调中电位器,阻值很小。调整W2,当W1处于水平状态时,使运放A1、A2输出端电位为(12)Ec。运放A1组成反相比例运算放大器,作为电路的前置级放大,输入电压为Ui,输出电压U1=-(R7R5)Ui,且应使R6=R5%R7;运放A2组成反相器,电阻R10=R8,且应使R9=R8%R10;输出电压U2=-U1=(R7R5)Ui。A1和A2的输出端分别由发光二极管LED1、LED2组成或门电路输出,使得汽车不论是左倾还是右倾,输出端Uo1均能输出与输入量Ui(随倾斜角度变化)成正比例线性关系的模拟信号,即Uo1=(R7R5)|Ui|,去控制后面的电路或机构。发光二极管还能指示倾斜方向,当水平状态时,模拟量输出端Uo1=(12)Ec:
图2 侧向倾斜角度传感器电路图
运放A3、A4和A5、A6分别组成窗口比较器,电阻R20、R23、R26、R29是阻值较大的正反馈电阻,以改善运放的开关状态工作性能,电阻R13~R17为分压电阻,且应R14=R15,R16=R17,电阻R13中点处的电位为(12)Ec,分压电阻的阻值应根据U2的变化所反应的倾翻力决定,使得运放A3和A5的反相输入端、运放A4和A6的同相输入端获得不同的开关转换基准电位,而且所反应的左右倾斜程度是一致的。水平时,U2=(12)Ec,运放A3~A6均输出低电平;倾斜时,U2的电位发生变化,运放A3~A6按规定要求输出高电平。例如,电位器W1左摆时,使U2电位升高,当高于A点电位时,运放A3输出高电平,二极管LED3显示倾斜方向,若汽车继续向左倾斜,使U2电位继续升高,当高于C点电位时,运放A5输出高电平,二极管LED5显示倾斜方向且程度加重;同理,若电位器W1右摆,运放A4和A6的工作亦如此。2个输出端Uo2和Uo3输出的数字信号所反映倾斜程度与倾斜方向无关,很明显,Uo3有高电平信号输出时,Uo2已经输出高电平,Uo3所反映的倾斜程度大于Uo2。
K为自动复中位型扭子开关,作为电路的检验开关,当上下搬动时,应分别使二极管LED2、LED3、LED5和LED1、LED4、LED6发亮。电容器C1为高频旁路电容器,C2为低频滤波电容器,并与电阻R12组成放电回路,形成延时环节,在系统中相当于传感器中的阻尼作用增加。
3 应用初探
根据前文对图2电路的叙述可知,汽车侧向倾斜角度传感器的应用有2种形式。一是由电路发出的数字信号Uo2,驱动声光信号装置,提醒驾驶员减速;二是由电路发出的数字信号Uo3或模拟信号Uo1控制执行机构,使汽车自动减速,采用数字信号组成定量减速系统,减速时略有些速度忽变,采用模拟信号组成比例减速系统,减速的效果比较平滑,实现减速的方法有2种,一是减小发动机油门开度,二是增加制动。下文分述。
3.1 减小油门开度的定量减速系统
由传感器电路发出的数字信号,控制执行元件(如电磁铁)组成减小发动机油门开度的定量减速系统,如图3所示。汽车正常行驶时,油门拉杆由油门踏板控制,电磁铁中的动铁心随油门拉杆同步移动;当汽车侧向倾斜(指速度、转弯半径及路面坡度的综合值,下同)超过设定值时,传感器电路输出端Uo3发出信号,经延时环节YS(如时间继电器,Uo3消失后,YS延时断开,若阻尼和电路的延时足够,可以不设),开关量放大环节KF(如继电器),使电磁铁DCT得电工作,动铁心迅速移动至终止位置,带动油门拉杆,使油门开度突然减小。
在这一系统中,动铁心移动的起始位置不是固定的,终止位置是可以预先设定的,所获得的减速程度有所不同。因此,应根据不同的车型,合理地设定发动机减速所要达到的转速,使减速不至于过于突然。 [p]
3.2 减小油门开度的比例减速系统
为了避免上述系统中减速的突变性,应采用比例减速系统,如图4所示。在比例减速系统中,由传感器电路Uo1端输出模拟电压信号,控制电流放大板DF,按照输入信号Uo1的大小,输出不同的电流值,使比例电磁铁产生不同的位移,油门开度的减小与Uo1的增大成正比关系,减速所达到的最终结果是倾斜程度所决定的。
再看一下减速的过程:电流放大板输出电流的存在或消失要经上升斜坡延时tu和下降斜坡延时td。上升斜坡延时是指输出电流(平均值)从0达到某一稳定值(由Uo1决定)所需要的时间。下降斜坡延时是指控制信号Uo1消失,输出电流从这一稳定值减小至0的时间,详见图5。在电流放大板上,上升斜坡延时和下降斜坡延时可以分别调整,减速的平稳性由上升斜坡延时所决定,上升斜坡延时越长,输出电流的上升速率越小,比例电磁铁移动到终止位置(由输出电流决定)所用的时间就越长,减速效果越平稳;异而反之。比例电磁铁移动到某一终止位置后,即完成减速的平稳过渡,持续一段时间后,倾翻力矩小于设定值或消失,使Uo1减小或消失。若使Uo1减小,则输出电流按td所决定的斜率下降,直至为0。假设Uo1突然消失,输出电流则经过td延时后为0,从而,实现了减速后重新加速的平稳性。对于上升斜坡延时和下降斜坡延时,亦应根据不同车型和系统参数决定。
电流放大板输出电流的大小通常采用脉宽调制(简称PMW)技术获得,由输入信号Uo1决定输出电流波形的占空比,改变电流的平均值,这种直流电流中含有一定成份的颤振分量,可克服比例电磁铁的调节滞环,提高位置控制精度。
3.3 减小油门开度减速系统与原车油门机构的连接
由图3和图4可知,减速系统的执行元件所产生的位移与原车油门踏板所产生的位移的方向是相反的,当执行元件使油门开度减小时,势必会使油门踏板抬起,并要克服原车油门机构的阻力,若驾驶员的脚踏在踏板上,执行元件需产生较大的力量才能完成动作,同时,对传动机构中机械零件的强度、刚度也要提高要求,使得减速系统不够完善。
为了解决这一问题,在油门踏板与油门拉杆之间增加了一个过渡弹簧,详见图3和图4。实际上,油门踏板作用到油门拉杆的力量较小,油门踏板的复位弹簧并不是直接作用到油门拉杆上,因此,由原来油门踏板直接带动油门拉杆改为增加一个刚度适中的过渡弹簧(拉簧)带动油门拉杆,正常工作时,并不影响油门踏板对油门拉杆的控制,当减速执行元件动作时,使油门开度减小并将过渡弹簧拉长,假设驾驶员的脚未抬起,并不会有太大的踏板向上的感觉或没有感觉。如果油门踏板的位置保持不变,减速阶段结束后,倾翻力矩已不起作用,传感器电路停止信号输出,减速执行元件停止工作,过渡弹簧缩回,带动油门拉杆回到原来位置,可实现自动加速,在定量减速系统中获得与减速程度一样的加速,在比例减速系统中可获得与下降斜坡延时相对应的加速速率,实现平稳加速。
3.4 增加制动的减速机构
各种汽车的行车制动均是通过制动踏板完成的,因此,增加制动的减速方法的动作执行元件应直接作用于制动踏板,而且执行元件的动作方向与制动踏板的踏下方向是一致的,执行元件与制动踏板的连接可采用机械结构实现传动。
[p]
根据踏下制动踏板需要的作用力,采用永磁式直流微电机作为执行元件,如图6所示。电动机输出的转速经减速机构后,带动丝杠旋转,使丝杠上的动丝母作直线运动,再由动丝母上的拉杆经一细钢丝绳带动制动踏板,电动机未转动时,拉杆将限位开关K1压开,制动踏板正常工作。
3.5 增加制动的2种控制电路
同上,增加制动的减速可采用2种控制方式,即增加制动的定量减速系统和增加制动的比例减速系统,它们的控制电路分别参见图7和图8,执行元件都是图6中电动机。所不同的是:在定量减速电路中,电动机直接接入电源而转动;在比例减速电路中,电动机由电流放大板驱动,采用脉宽调制方法使电流放大板按汽车倾斜的大小,在某一时间内,达到不同的输出电流最大值,电动机逐渐加速到所对应的最高转速,所获得的制动效果比较平滑。具体过程分述如下。
当拉杆处于图6中所示位置时,限位开关K1被压开(K1的状态与图7和图8中的状态相反),使电动机处于待命状态。当图2中的输出端Uo3有高电平信号输出时,图7中的三极管T导通,继电器J得电,触点转换,使电动机经限位开关K2得到下正上负的电源而开始转动,使拉杆离开限位开关K1,带动制动踏板向下,产生制动,经过一段时间后,Uo3无高电平输出,继电器J返回,使电动机经限位开关K1得到上正下负的电源而开始反转(在较短的时间内,电动机处于反接制动状态下,对小容量的直流电动机,在使用上不会造成影响。也可增加延时后,使电动机反转,本文略)。
当拉杆返回到图6所示终止位置时,K1断开,电动机停转,为下次制动作准备。在图8中,三极管T的基极接于图2中的输出端Uo2,Uo2输出高电平时所反映的倾翻力小于Uo3,当Uo2输出高电平时,三极管T导通,继电器J得电,触点转换;同时,Uo1输出的模拟量输入到电流放大板DF上,使电动机经限位开关K2得到下正上负的脉动直流电源(平均值),开始加速转动,限位开关K1由断开状态转为闭合(图6所示)状态,加速达到的最高转速由Uo1当时的大小所决定,而加速转动时间由电流放大板的上升斜坡延时tu决定(忽略电动机的起动惯性时间),实现平滑制动。随着制动的产生,Uo1下降,使制动力减小,直到Uo2的高电平信号消失,倾翻力小于设定值,继电器返回,使电动机经限位开关K1得到上正下负的电源而迅速反转。当拉杆返回到图6所示终止位置时,K1断开,电动机停转,为下次制动作准备。图6、图7和图8中的限位开关K2是制动的保护开关,以防止电路失常(如元件短路、搭铁等),使电动机一直转动,制动无休止地增加,当拉杆使K2断开时,电动机将失去电源而停转,在正常制动减速过程中,不会出现K2断开情况,假设K2已断开,而当减速结束后,继电器J将返回,电动机亦将迅速返回待命位置将K1断开。在图7和图8中,D为继电器J的续流二极管,继电器J触点闭合时,接通制动灯,发出制动信号。
3.6 两种减速方法的应用
就汽车的行驶工况而言,通常是这样:上坡时,发动机油门加大,车速下降,坡度很陡时,发动机转速会达到甚至超过额定转速,车速还要下降;下坡时,发动机怠速,车速并不会太低;水平路面时,有时加速行驶,发动机转速较高,有时滑行,发动机怠速。从降低车速、防止倾翻的角度来讲,增加制动减速是比减小发动机油门开度更为直接的方法,但当发动机的转速很高时(如上坡),将造成发动机堵转,只采用减小发动机油门开度有时又会起不到减速效果(如下坡)。因此,汽车侧向倾斜角度传感器的应用既要满足减速要求,又不能造成发动机堵转。具体反映在上坡减速时。
为了解决这一实际问题,再用一只角度传感器与车辆纵向布置,其电路如图9所示。当上坡坡度达到所规定的数值(如最大爬坡度)时,运放A2输出端Uo4输出高电平,继电器J得电,常闭触点断开,切断了增加制动减速电路(图7、图8)的电源U1,使其不能工作,因为在这种工况下,只要发动机降低转速,就会得到很好的减速效果,又避免了发动机堵转。而在其余工况下(爬坡度小于规定值时),继电器J不吸合,减小发动机油门开度减速系统和增加制动减速系统同时起作用,确保汽车获得可靠的减速。在图9电路图中,发光二极管LED2作为增加制动的减速系统工作电源指示。
4 结语
关于本文中的几个主要电路参数归纳叙述如下,(侧向倾翻力矩模拟量Uo1;)侧向倾翻力矩报警数字量Uo2侧向倾翻力矩减速数字量Uo3;+爬坡度数字量Uo4;,电流放大板的上升斜坡延时tu和下降斜坡延时td角度传感器的阻尼时间及其电路延时。应根据汽车的重心高度、轮距、质量、速度、转弯半径、路面坡度及颠簸振动等因素综合决定,达到合理配合关系,从根本上避免汽车行驶中侧向倾翻事故的发生。
射频工程师养成培训教程套装,助您快速成为一名优秀射频工程师...

