- 易迪拓培训,专注于微波、射频、天线设计工程师的培养
应用于汽车内部及外部照明的LED驱动器方案概览
近年来,随着LED在光效及成本等几乎各个方面的持续改进,其应用领域不断拓宽,从传统的便携设备背光向中大尺寸LCD显示器/液晶电视背光、汽车及通用照明等领域不断迈进。本文将专门介绍适合于汽车照明应用的各种LED驱动器方案,并探讨一些典型应用。
LED为汽车照明应用提供众多优势
LED在汽车中的应用领域非常广泛,但可以简单归纳为内部照明及外部照明(参见图1)。外部照明有如前照灯、尾部照明等,内部照明包括内部便利及舒适照明和仪表盘背光等。

图1:多种多样的汽车LED照明应用
推动汽车LED照明应用的因素很多。以前照灯为例,采用LED作为光源拥有众多优势:
利于灵活或新颖的造型设计——LED物理尺寸很小,能用于开发极紧凑、极薄的模块。与卤素灯和氙气灯相比,多串LED模块需要更小、更简单的透镜和光扩散片硬件。且多个LED光源的光更易于导向,大大减轻工程设计对造型的影响。
光强度及能效不断提升——LED光强度处于极快的提升曲线上,呈现出每18至24个月光通量将会翻一番的趋势。LED光输出已经超过卤素灯,未来LED实际光效性能还将能氙气灯相匹敌。
高可靠性及长寿命——只要为LED前照灯模块进行有效的热管理以保持较低的结温,并保护其免受开关导通/关闭、调光期间可能出现的电流尖峰和电池脉冲的影响,期望它们在汽车整个寿命周期内持续使用就并非不切实际。
显著节能——与其它方案相比,LED前照灯使用的燃料/能源要少得多。使用高能效智能电源技术/芯片,而非需多个外部元件的一般IC,可以更节能。
因此,LED在汽车照明中的应用日渐增多,且被众多汽车制造商当作设计卖点。
应用于汽车照明的LED驱动器方案比较
LED在汽车照明中的应用多种多样,不同应用对LED电流的要求又各不相同,故需要结合具体应用要求,选择适合的LED驱动器方案。
LED驱动方案的一项主要功能是在多种工作条件下稳流,而不论输入条件如何及正向电压如何变化。驱动方案必须符合能效、外形因数、成本及安全性方面的应用要求。同时,所选方案必须易用及足够强固,从而适应特定应用的严格环境。
汽车应用中的典型LED驱动器方案包括电阻、线性LED驱动器、开关LED驱动器及创新的照明管理LED驱动器等。一般而言,根据应用中LED电流大小的不同,在20到200 mA的低电流应用中,可以选用分立元件(即电阻)或线性驱动方案;在200至500 mA的中等电流应用中,可以选用线性或开关驱动器方案;而在大于500 mA的大电流应用中,一般选择开关驱动器方案。
实际上,电阻是最简单、最低成本的LED限流方案,但是它们并不“稳流”,只是在LED正向电压变化及输入电源电压变化并导致电流变化从而引起LED亮度变异时,简单地限制LED最大电流。虽然这种方案的成本低,但能效也最低,且存在着LED筛选成本及热失控等问题。
CCR是一种比电阻方案性能更高但成本又低于线性驱动器或开关驱动器的方案,适合于电流小于200 mA的低电流LED照明应用。CCR廉价并强固,在宽电压范围下提供恒定亮度,在输入电压较高时保护LED免受过驱动,且在低电池电压条件下仍提供较高亮度。这种方案能够减少或消除LED筛选产生的库存,使方案总成本更低。CCR最大工作电压达50 V,能够承受电池负载突降。CCR提供SOD123、SOT123及DPAK等不同封装,能在严格热环境下工作(125℃),负温度系数特性在高环境温度条件下保护器件本身及LED。此外,CCR不产生电磁干扰,易于设计。

图2:双端及三端CCR电路图。
线性稳压器支持多条线路并行配置以扩散热耗散,提供达±2%的稳流精度,无电磁干扰(EMI)问题,成本中等,但能效也较低。而凭借高能效及灵活等优势,开关稳压器广泛使用。这种方案成本更高,技术更复杂,但也提供显著优势,如支持任何类型的输入电压与输出电压关系,且根据输入/输出条件,能效能够高于90%。与线性驱动器不同,它们对EMI很敏感,给设计人员带来需要注意的设计约束。
值得一提的是,除了这些常见的LED驱动器方案,安森美半导体推出了高集成LED照明管理集成电路(IC)。这些照明管理集成了多种LED驱动及控制功能,相当于一个完整子系统,能够承受高达125℃的环境温度,用于汽车前照灯、组合尾灯及最新的高级前照灯系统(AFS)等应用,后文将会详细论及。
典型汽车应用LED驱动器产品及其应用
1) 适合低电流LED应用的CCR
安森美半导体运用专利自偏置晶体管(SBT)技术开发出了NSI45系列CCR(参见图2)。这系列CCR包含双端固定输出和三端可调节输出两种类型,电流等级涵盖10至180 mA。其中三端可调节输出CCR包括电流30至80 mA(SOT-223)及60至150 mA(DPAK)等不同选择,能够用于满足特定电流设置要求。
CCR易于设计,适合高边(High-side)及低边(Low-side)应用;既能用单个CCR驱动1串或多串LED,也能并联多个CCR驱动一串或多串LED(详见参考资料1)。
[p]
图3:CCR汽车中央高位停车灯(CHMSL)应用电路图。
2) 针对背光、内部照明控制及尾灯等应用的线性LED驱动器
在线性驱动器方案,典型产品包括安森美半导体的NUD4001及NUD4011线性LED驱动器,两款器件的额定输入电压范围分别为6至30 V和48至200 V,额定输出电流分别为高达500 mA和高达70 mA,在汽车中的应用领域包括尾灯、方向灯、刹车灯及车顶灯等。这两款器件的设计均用于在交流-直流应用中替代分立方案,设计人员能够利用外部电阻针对不同LED阵列设置驱动电流。不同的是,NUD4001适合于5 V、12 V或24 V的低压应用,而NUD4011则最高支持200 V电压。图4显示的是NUD4001在汽车停车灯中的应用。

图4:NUD4001在汽车停车灯中的应用示例。
而在要求驱动大电流的高亮度LED汽车照明应用中,可以采用安森美半导体的CAT4101高亮度线性LED驱动器。CAT4101能驱动一串电流高达1 A的高亮度LED,且满载时的压降仅为极低的0.5 V。这种简单方案不要求电感,消除开关噪声,将元件数量减至最少,并简化设计。
3) 涵盖降压、升压及降压-升压等不同配置的LED开关驱动器
驱动LED的开关稳压器的能效一般介于50%至90%之间,涉及降压、升压及降压-升压等不同拓扑结构,讲究EMI控制方法,主要用于汽车内部照明、停车灯、雾灯、日间行车灯及侧面标志灯等应用。安森美半导体应用于汽车LED照明的开关稳压器产品如表1所示。
其中,典型升压控制器有如NCV8871。这是是一款带多功能启用(Enable)/同步(SYNC)引脚、能以外部时钟同步的升压控制器,用于驱动外部N沟道MOSFET。这器件可在3.5 V至 40 V的宽电池电压范围条件下工作,专门用于-40℃至150℃结温,在工作温度条件下提供±2.0%的输出电压精度,并提供低关闭电流(典型值小于10 μA),帮助降低电能消耗。
在降压开关驱动器方面,包括NCV8842、NCV8843及NCV51411等产品,适合于车身/远程信息系统等应用。NCV8842/3是带同步功能的1.5 A、170/340 kHz降压驱动器,支持4.5 V至40 V输入电压,而输出电压可从1.27 V开始编程设定。同步引脚功能用于改善EMI性能。NCV5141x(如NCV51411及NCV51413)是CS5141x针对汽车应用的版本,提供高能效,在9到15 V输入电压条件下,以700 mA电流驱动2颗正向压降为3.5 V LED的能效基本高于85%。另一款支持4.5至45 V输入电压的汽车级同步降压控制器甚至在宽负载电流条件下提供高于93%的能效,且在休眠模式下的最大静态电流仅为1 μA。

表1:安森美半导体应用于汽车LED照明的开关稳压器产品
此外,安森美半导体还提供多款能用于汽车LED照明的多拓扑结构开关驱动器,包括NCV33063AV、NCV3065及NCV3163等。其中,NCV33063AV和NCV3065均支持最大1.5 A电流,能够配置为降压、升压、SEPIC或降压-升压等拓扑结构,适合汽车内部照明应用。NCV3065亦可用于内部照明,针对的是对成本非常敏感的应用,如果要求更高电流,还能配置为控制器。NCV3163则是一款最大电流3.4 A的单片开关稳压器,使系统设计人员能够以最小数量的外部元件应用降压、升压或降压-升压(电压反转)拓扑结构。
4) 针对前照灯及组合尾灯等应用的高集成度照明管理IC
汽车的前照灯包括不同细分领域,如日间行车灯(DRL)、近光及远光灯、信号灯和雾灯等。前照灯中最早应用LED的是日前行车灯。而随着高亮度LED的成本持续降低及性能持续提升,越来越多的新车设计正更广泛地将LED用于其它前照灯领域,如近光及远光灯、信号灯及雾灯等,甚至利用LED提供光束整形、路面聚光(motorway spot)等新兴功能。
一般而言,汽车前照灯要求支持从单个LED到多串LED,电压可高达60 V;此外,还要求支持脉宽调制(PWM)调光(如用于示廓灯)、高集成度、高能效、LED串低电磁辐射、集成诊断及通信接口等。安森美半导体针对LED汽车前照灯系统开发了NCV78663电源镇流器及双LED驱动器。NCV78663是先进的高可靠性、高能效的系统级芯片(SoC) LED驱动器,支持达2 A电流,提供高于90%的总能效,驱动高达60 V电压的多串LED,能以PWM调光维持色温及控制平均电流,使设计人员能够以一颗高集成度的SoC控制远光灯及近光灯、日间行车灯、转向指示灯及雾灯,所需外部元件极少。这器件通过SPI接口与外部微控制器通信,在上电后动态地控制系统参数、检测LED工作状态并反馈诊断信息。图5显示的是NCV78663在先进的汽车前照灯应用中的电路图。
图5:a) 汽车LED前照灯应用图例; b)基于NCV78663的汽车LED前照灯应用电路图。
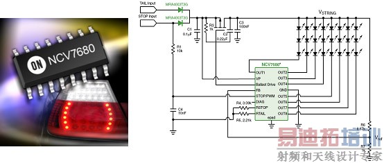
对于汽车尾灯应用而言,可以根据应用需求的不同,采用CCR这样的低成本低电流LED驱动方案,也可以采用提供更高性能、更高能效等级的高集成度等级解决方案,如安森美半导体的高集成度线性电流稳流及控制器NCV7680。这器件包含8路线性可编程恒流源,其设计用于汽车组合尾灯的稳流和控制,每通道最高可输出75 mA的LED驱动电流。NCV7680由于功能高度集成,使工程师能轻松地实现两个亮度等级,其中一个用于停车,另一个用于尾部照明。如果需要,也可应用可选的PWM控制。设计人员仅需要一个外部电阻就可以设定所有通道的输出电流。工作温度范围为−40℃至+150℃。 [p]

图6:a) LED组合尾灯图例; b)NCV7680在LED组合尾灯中的应用电路图。
GreenPoint®网上设计仿真工具加快汽车LED照明设计
安森美半导体身为应用于高能效电子产品的首要高性能硅方案供应商,针对汽车 LED照明应用提供完整的系统方案,包括电源、MOSFET、整流器、保护、滤波器及热管理产品等。此外,为了帮助设计人员加快LED照明设计,安森美半导体还提供GreenPoint®网上设计仿真工具,让设计人员坐在工作台前,即可以轻松地通过“选定LED驱动器”、“确定设计要求”、“自动产生设计电路图”、“仿真及验证”、“产生物料单及报告”、“下载报告为PDF文件”及“保存文件和分享”等几个步骤,大幅缩短开发时间,加快产品上市进程。
这网上设计工具目前已经支持多款安森美半导体的高能效LED驱动器产品的应用设计,其中支持的汽车应用 LED驱动器包括NSI45系列的多款器件,后续还将支持更多产品。
总结:
随着LED性能不断提升性能及成本不断降低,在汽车内部及外部照明中的应用领域越来越宽。设计人员需要针对具体应用选择适合的LED驱动器方案,如线性恒流稳流器、线性稳压器或开关稳压器等。安森美半导体身为应用于高能效电子产品的首要高性能硅方案供应商,提供应用于汽车照明、通过AEC Q100认证、涵盖从低电流到大电流的完整LED驱动器产品线,其中还包括新近推出的系列高集成度、高能效的照明管理集成电路,方便设计人员根据具体应用要求,选择适合的汽车LED驱动器解决方案。
射频工程师养成培训教程套装,助您快速成为一名优秀射频工程师...
天线设计工程师培训课程套装,资深专家授课,让天线设计不再难...
上一篇:友尚Maxim
EZCascade&
#8482;技术简化视频显示器设计
下一篇:基于TMS320
F28335信号处理板的设计与实现

