- 易迪拓培训,专注于微波、射频、天线设计工程师的培养
基于DSP的通用变频器技术
从20世纪初,可调速传动的电动机在钢铁工业和汽车工业中就已获得了广泛的应用。用于交流电动机调速的调速系统主要是专用的模拟控制芯片,虽然采用模拟芯片的调速系统具有设计简单、成本较低等优点,但是由于调试复杂、升级不便等问题一直困扰交流电机调速系统的发展。随着电力电子器件和数字控制技术的发展,各种通用的、高性能的交流传动控制系统相继诞生,多种交流调速技术己经趋于成熟,运行可靠性很高,其性能指标可以做到与模拟控制调速系统一样,甚至完全可以取代模拟控制调速系统。
目前数字处理(DSP)技术逐渐成熟,新一代DSP采用哈佛结构、流水线操作(即程序、数据存储器彼此独立),在每一时钟周期内完成取指、译码、读数据以及执行指令等多个操作,从而大大减少了指令执行周期。另外,由于其特有的寄存器结构、功能强大的寻址方式、灵活的指令系统及其强大的浮点运算能力,使得DSP不仅运算能力较单片机有了较大的提高,而且在该处理器上更容易实现高级语言。其特殊的结构设计和超强的运算能力,使得以前需要硬件才能实现的功能可移植到DSP中以软件实现,也使得数字信号处理中的一些理论和算法得以实时实现。
1 数字控制变频器系统介绍
数字控制变频器系统主要由主电路和控制电路组成,主电路采用典型的电压型交-直-交通用变频器结构;控制电路主要包括DSP数字控制器,由DSP、驱动电路、检测电路、保护电路以及辅助电源电路组成。主电路和控制电路原理系统结构框图如图1所示。

图1 系统结构框图
1.1 主电路设计
数字控制变频器主电路[4]的原理结构图如图2所示,由滤波、整流、中间滤波、泵升吸收和逆变部分组成。输入功率级采用三相桥式不可控全波整流电路,整流输出经过中间环节大电容滤波,获得平滑的直流电压。逆变部分通过功率管的导通和关断,输出交变的脉冲电压序列。
整流电路将交流动力电变为直流电,本系统采用不可控全波整流模块6RI75G-120。为防止电网或逆变器等产生的尖峰电压对整流电路的冲击,在直流输出侧并联了一个可吸收高频电压的聚脂乙烯电容C4,取值为0.22 μF。整流电路输出的直流电压含有脉动成分,逆变部分产生的脉动电流及负载变化也为直流电压脉动,由C1、C2滤波,取值为450 V、470 μF;R2、R3为均压电阻,取值为5 W、100 kΩ;R1为充电限流电阻。启动变频器后经1 s~2 s,由J2继电器短路,以减少变频器正常工作时在中间直流环节上的功耗。逆变部分电路采用EUPEC的FF300R12KE3集成模块,其内部集成了2个IGBT单元,比较适合变频逆变驱动,其具体极限参数:集射极电压VCES=1 200 V ,结温80 ℃时集射极电流ICE=300 A,结温25 ℃时集射极电流ICE=480 A,允许过流600 A,时间为1 ms,功率损耗为1 450 W,门极驱动电压为±20 V。 [p]
如图2所示,TL、RL构成泵升电压吸收电路,当电机负载进入制动状态时,反馈电流将向中间直流回路电容充电,导致直流电压上升。当直流电压上升到一定值时,控制TL导通,使这部分能量消耗在电阻RL上,确保变频器可靠安全地工作。此外,由J1常闭触点与R4组成断电能量释放电路。当系统发生故障或关机时,继电器J1断电,通过其常开触点,将变频器与电网断开;而常闭触点闭合,利用R4为中间回路大电容所储存的能量提高释放通道。

图2 主电路原理结构图
1.2 基于DSP的控制电路设计
以TMS320F2812为核心的数字控制电路如图3所示。从图中可以看出,控制系统主要包括:DSP及其外围电路、信号检测与调理电路、驱动电路和保护电路。其中,信号检测与调理电路主要完成对图2输出电流和输出电压采样、A/D等功能,DSP产生脉冲信号,通过D/A转换后驱动功率开关管U1~U6。

图3 变频器数字控制系统框图 [p]
TMS320LF240片内集成了采样保持电路和模拟多路转换器的双十位A/D转换,为了尽量充分利用芯片资源,采用了片内A/D转换进行设计。使用双减法电流[6]采样电路,采样方案中的运算放大器是TLC2274。第一运放U8A的输出电压为:

其中R1=R2,R3=Rn,则:

同样,第二运放U8A的输出电压为:

从霍尔电流传感器输出的Ui=2.5±△V,此电压先后施加到由TLC2274构成的两个减法电路上,第一路以Ui减去传感器采样结果的中值参考电压Uref(2.5V),然后再线性放大到A/D采样所要求的电压范围;第二路则相反,再中值参考电压Uref减去传感器输出电压Ui,同样也线性放大到合适的电压范围。Z1、Z2为两个3.3V的稳压二极管,对运放输出电压起到限幅作用。当Ui值>Uref时,Uo1输出为正电压,且电压范围是0-3.3V,而由于二极管D2的存在使得电流不能注入到运放中,故而第二路运放不能输出负电压,而是钳位在0V;当Ui值<Uref时,Uo2输出为正电压。现样由于二极管D1在存在使得第一路运放不能输出负电压,也是钳位在0V。在一个正弦波周期内的某一时刻只会有一路信号输出,这比常规方法采样窗口要宽一倍,从而提高了采样精度。
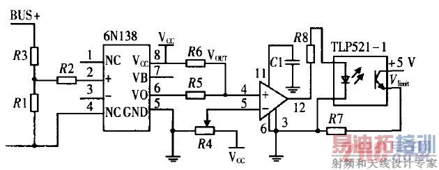
由于电机启动时的电流非常大或因控制回路、驱动电路等误动作,造成输出电路短路等故障,导致过大的电流流过IGBT,且电流变化非常快,元件承受高电压、大电流,因此需要一种能快速检测出过大电流的电路。可以采用2SD315A自身检测和检测直流母线的双重检测以及在故障发生时,采用软、硬件同时封锁的方法。直流母线电压的变化,对整个逆变系统有较大的影响。当母线电压过低,电网输出不能达到系统要求时,需要尽快切断电源,防止对电机或者逆变系统造成破坏;相反,母线电压过高,很容易使功率驱动管烧毁。为有效地保护功率IGBT和直流滤波电容,系统设计了母线电压过欠压保护电路,故障检测原理如图4所示。图中6N138为一个线性光电隔离器,输出电压信号与母线电压成正比,当通过光电隔离器件后,可以直接供给DSP控制系统进行采样。同时,将输出Vlimit信号送至DSP,触发中断保护。

图4 故障检测原理图 [p]
1.3 系统控制算法软件实现
DSP数字控制能够实现较之模拟控制更为高级而且复杂的控制策略,与模拟控制电路相比较,数字控制电路拥有更多的优点。由数字PID代替传统的模拟PID具有设计周期短、灵活多变易的控制策略和电磁干扰小等优点。数字控制系统主程序图如图5所示,主程序模块主要功能是完成系统的初始化,PLL时钟的设定:DSP工作频率设为20 MHz;输入输出端口初始化。事件管理器初始化;定时器1、2、3的设定、全比较PWM单元设定、死区单元设定;QEP工作方式设定。中断管理初始化:中断除复位、NMI位,只允许PDPINT、中断3。PDPINT是功率设备保护中断,中断3用于系统完成控制算法。

图5 数字控制系统主程序图
2 实验结果及分析
试验条件:输入电压是三相交流380 V±15%,电机型号为Y160L-4,额定功率为15 kW,额定电压为380 V(Y型),额定电流为30 A,额定转速为1 440 rp。
为了验证数字控制用于调速的变频器的可行性,设计了基于TMS320F2812的试验机。系统输入电压为交流380 V,测量仪器为Agilent54622A示波器,高压探头衰减系数100:1,频率设定值为变频器液晶面板显示值。A、B两点的电压波形如图6、图7所示。以实验结果可以看出,设计方案具有一定的可行性。采用基于高速DSP的SPWM方式控制的逆变器,其输出的波形具有较好的正弦波,谐波优化程度高,大大减少了谐波损耗,提高了电压的利用率,增加了系统运转的平稳性。但由于没有结合波形控制技术,在带整流负载时的输出波形有一定的畸变。

图6 20.001HZ时A、B线电压波形

图7 14.99HZ时A、B线电压波形
数字控制变频器相对模拟控制变频器具有不可比拟的优势,如减少了体积和重量,提高了控制精度,方便维修升级。随着控制理论与实施手段不断完善以及DSP价格不断降低,数字控制变频器将成为重要的研究方向。
射频工程师养成培训教程套装,助您快速成为一名优秀射频工程师...
天线设计工程师培训课程套装,资深专家授课,让天线设计不再难...
上一篇:CPLD在TMS320F2812系统中的应用
下一篇:主板常见故障维修24例

