- 易迪拓培训,专注于微波、射频、天线设计工程师的培养
基于红绿灯控制系统的LED城市路灯方案
摘要:针对目前城市路灯照明系统存在的问题,如自动化管理水平还不很高、系统可靠性不高、能耗高等,提出了一个较为完善的路灯综合节能控制系统。即将LED路灯装置与交通红绿灯控制系统结合在一起,利用每一路段红绿灯的转换实现对下一路段灯光强弱的控制。将当前市场上LED集灯板上的LED灯分为两组,在满足不同时段照明要求前提下,最大可能地降低功率,节省能耗;同时又能有效地减少LED灯的产热,增加其冷却散热时间,从而提高LED路灯的散热效率,大大延长LED灯使用寿命。
1 研究背景
近年来,我国的路灯建设取得了飞速的发展,道路照明质量不断提高,高强度气体放电灯被广泛使用,对现代化城市的建设起了很大作用,但是随之而来的是能耗的大幅度提高,特别是近年来能源价格大幅度提升,使电力耗费成为负担。在全球都在提倡绿色照明的时代,路灯的节能必然成为一种趋势。
目前,我国照明用电量占总用电量的13%左右,其中道路照明占整个照明用电量的25%~30%,因此道路照明节能具有很大的潜力和空间。目前道路照明使用最多的是高压钠灯,这种光源存在显色性差、启动时间长、耗电量高、发热量大等缺点,需要发展新的更节能的道路照明光源。大功率高光效LED是近年来国内外快速发展起来的新光源,它具有光效高(≥90lm/W(1WLED))、寿命长(30000~50000h)、耐震动不易损坏、瞬时启动、无污染等优点。白光LED是普通照明和道路照明的理想光源。因此发展LED路灯具有重要的节能意义。
考虑到现阶段LED城市路灯使用缺陷和现实条件,笔者提出一种LED城市路灯控制系统综合方案。
2 LED城市路灯与红绿灯控制系统结合方案概述
在不改变现有的红绿灯交通系统的前提下,将每一路段的城市路灯控制系统与红绿灯控制系统综合起来,达到红灯期间,LED路灯小功率工作;绿灯期间,LED路灯大功率工作的目的。
本方案主要从以下两方面进行设计:
2.1 LED路灯控制系统智能设计
将LED路灯装置与交通红绿灯控制系统结合在一起,利用每一路段红绿灯的转换实现对该路段灯光强弱的控制。红灯期间,非机动车和行人的照明需求量较小,绿灯期间,机动车的照明需求量较大,这样能够在充分满足各种照明需求情况下最大限度地节约电能。
2.2 LED集成灯板内部设计
众所周知,散热效率低是LED路灯使用的一大瓶颈。笔者提出的LED集成灯板内部分组设计能够很好地解决此问题。本方案拟将LED集成路灯板分成甲、乙两组。红灯时期,甲组灯组单独工作,实现小功率工作;绿灯时期,甲乙两组同时工作,实现大功率工作;下一红灯时期,乙组灯组单独工作,依次循环轮流工作。这样能够让每组灯组留有较为充足的散热时间,延长LED路灯的使用寿命。
3 LED城市路灯与红绿灯控制系统结合方案具体实施
为了便于实施和推广本设计方案,我们本着基本不改变原十字路口红绿灯交通系统的原则,将每段LED路灯控制系统和红绿灯系统结合起来。
本方案所设计的电路图分为三部分:红绿灯信号激发装置、时序逻辑信号转换装置、LED路灯智能工作装置。
首先利用红绿灯信号激发装置将红绿灯的工作情况转换成高电平(绿灯和黄灯工作期间),低电平(红灯工作期间),然后运用双向移位寄存器74LS194组成的时序逻辑信号转换装置来将高低电平矩形脉冲信号转换成合适的脉冲信号,从而使LED路灯能够智能工作。 [p]
工作原理图如图1所示。
图1本方案设计工作简图
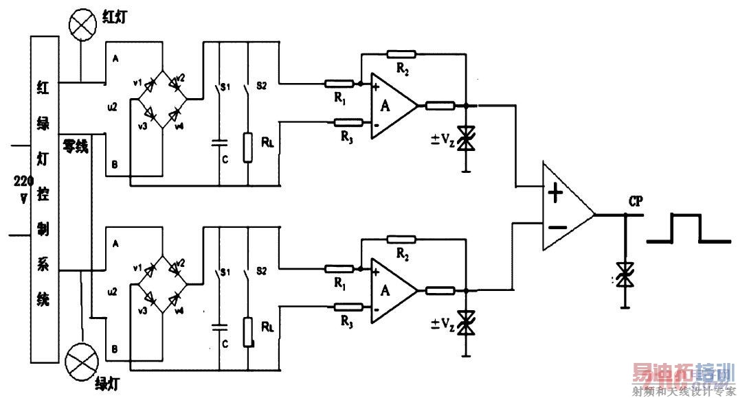
3.1 红绿灯信号激发装置
利用图2中的信号激发装置,可以将红绿灯工作状态转换成高低电平,将黄灯工作状态等效看做绿灯,这样就能够使CP形成矩形脉冲信号。
图2红绿灯信号激发装置图 [p]
3.2 灯板内部甲乙两组灯组在红绿灯工作状态
根据本方案所阐述的LED城市路灯与红绿灯控制系统结合方案的工作原理——红灯时期,甲组灯组单独工作,实现小功率工作;绿灯时期,甲乙两组同时工作,实现大功率工作;下一红灯时期,乙组灯组单独工作,依次循环轮流工作。甲乙组灯组在红绿灯循环状态的工作状态图如图3所示。
可见当甲乙两组灯组都在高电平信号工作,在低电平信号不工作的前提条件下,要满足本方案中两组灯的工作要求,即要使甲乙两组灯组接收到的脉冲信号如表1所示。
图3灯板内部甲乙两组工作状态简图
表1红绿灯工作状态

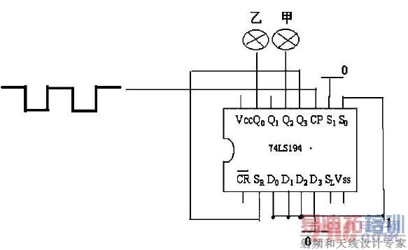
3.3 时序逻辑信号转换装置
由表1知要使LED路灯按照本方案中设计工作,需要将脉冲信号0101010101转换成1101110111和0111011101,分别加给甲组灯组和乙组灯组。
我们可以运用双向移位寄存器74LS194组成的时序逻辑信号转换装置来将高低电平矩形脉冲信号转换成合适的脉冲信号。装置如图4所示。
图4时序逻辑信号转换装置电路图 [p]
3.4 LED集成路灯内部工作装置
将LED集成路灯板内部分成甲乙两组,如图5所示。
图5LED集成路灯板内部分组示意图
注:黑色代表甲组;白色代表乙组。
由图2装置转换的脉冲信号分别输到甲乙灯组上,由二极管单向导电性知,只有高电平才能导通,正常工作。这样能够达到预期工作目的。
4 小结
(1)经济效益
LED路灯较传统高压钠灯节约用电60%(理论计算最高可达75%),政府每年的电费总额为800亿元人民币,其中城市路灯照明电费约是政府电费总额的30%,约240亿元,则每年可以节约144亿元。
由上所述,红灯时期,甲组灯组单独工作,实现小功率工作;绿灯时期,甲乙两组同时工作,实现大功率工作;下一红灯时期,乙组灯组单独工作,依次循环轮流工作(即以每两组红绿灯为一周期,甲乙工作时间均为四分之三周期)。假设红绿灯工作时间均为t(为计算简便起见,黄灯的时间算为红灯时间),甲乙两组灯的功率均为P,则可以实现节能25%。如果在此基础上,在保证灯亮度的同时,适当降低压降,又可以进一步提高节能效果。因为通过降低供电电压的方法不但可以节能,还可延长光源的寿命,是一种较好的节能方式。当降低供电电压10%来运行,则光通量减少为额定值的70%,而此时消耗功率可减少50%。
(2)前景展望
采用LED路灯虽然成本有所增加,但却有着良好的经济效益和社会效益。基于PLC控制系统的LED路灯照明,一方面使城市道路交通通行设计更加科学合理,缓解了城市交通压力;另一方面减少了LED灯的工作时间,减少其散热量,增加其冷却时间,从而延长了LED路灯的寿命。同时,LED灯较传统高压钠灯有节能、环保的巨大优势,随着LED路灯的普及,此优化系统必将为LED路灯赢得更大的节能空间。在当前国家大力倡导节能减排,人们的节约意识日益提高的社会背景下,城市LED路灯综合节能系统必将有广阔的前景和美好的未来。
射频工程师养成培训教程套装,助您快速成为一名优秀射频工程师...
天线设计工程师培训课程套装,资深专家授课,让天线设计不再难...
上一篇:太阳能照明的原理、组成
下一篇:比较高频无极灯与LED光源在路灯领域的应用

