- 易迪拓培训,专注于微波、射频、天线设计工程师的培养
离线LED控制电路的实现
荧光灯与LED相比较
LED的工作原理与荧光灯完全不同。单独电子会在半导体材料的p-n结上跳动(由n区到p区)。有些半导体(如镓)的带隙十分宽阔,电子需要相当大的能量才能跳过p-n结。每个电子与原子复合,就会发射出一种光粒子,称为“光子”。由于所有光线都在结点上一个十分细小的空间内产生,所以只能形成点光源,需要很多LED才能照亮一个大范围。此外,由于LED不能耗散本身的热能,所以工作温度比较高,需要外加散热功能。
尽管LED控制起来比较简单,但仍然有本身的要求和挑战。它们不需要引燃或预热,但电流必须保持恒定,且需配合每个LED的工作。此外,LED的电气连接有可能需要电隔离,一切取决于应用要求。表1比较了荧光灯与LED的电路要求。


包含一个阻止镇流器产生噪声的输入过滤器、一个交流输入转换成直流总线电压的整流器及平波电容器、一个能够产生高频方波电压的控制集成电路和半桥,以及一个用于预热、触发和运行荧光灯的谐振输出级。另外还需加入一些附加的电路才能够实现调光功能,包括一个隔离型0~10VDC调光接口、一个测量灯电流的检测电路,以及一个能够持续调节输出频率确保灯电流保持于用户设定水平的闭环反馈电路。闭环系统的作用是根据荧光灯的非线性电气特性,适当地调节灯的电流。
IRS2530D是一款600V的8脚荧光灯调光控制集成电路,能够为半桥提供所需的高、低端栅极驱动,包括所有调光功能,同时针对交流及负载故障,为电路提供完善的保护。芯片的其中6个引脚用于处理基本和必要的功能,包括集成电路的供电与接地(VCC、COM),以及半桥的高、低端栅驱(VB、HO、VS、LO)。最大的挑战是要通过余下的2个引脚(VCO、DIM) 实现其他功能,即预热、触发和调光(见图2)。

图2 IRS2530D器件的引脚分配及功能
当一个电压(典型14V)首次加到VCC,集成电路就会从欠压锁闭(UVLO)模式进入预热/触发模式。半桥会开始以最大频率振荡,VCO引脚内部的电流源也开始从COM对外部电容器线性充电(见图3)。

图3 预热、触发及调光时序图
随着VCO电压增加,谐振回路电感器的次级绕组又会给灯丝加热,输出频率会下降。VCO电压充好之后,频率会朝着谐振回路电路的谐振频率水平下降,而灯的输出电压会上升。输出电压超越了灯的触发电压时,灯会点燃起来,电流也会开始流动,使芯片进入调光模式。
在调光模式下,电路以一个电流检测电阻(RCS)来测量交流灯电流。测量结果会通过一个反馈电容器(C2)耦合于DIM引脚的DC参考。DIM引脚上的交流加直流信号会与集成电路内部的COM作比较,从而使频率得到控制,确保交流分量的谷值保持于COM(见图4)。

当交流谷值保持于COM,直流参考值会上升或下降,交流灯电流幅值也相应增减。直流参考结合交流灯电流,一个引脚可同时支持参考及反馈功能,实现闭环调光控制。
新型LED控制电路
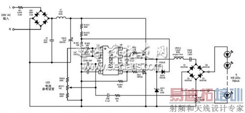
典型的LED控制电路基于降压、升压或反激拓扑设计,用于产生通过一串LED所需的恒定电流。这些拓扑各有优劣,一切取决于输入电压范围、串联驱动的LED数量、LED串并行的数量、LED输出电流以及是否需要隔离、是否需要调光,及效率、大小及成本。基于上述原因,电路设计往往变化多端,以满足不同LED应用的需求。新型电路是由调光型荧光灯应用略为改进而得到的谐振模式电路,适用于不隔离的离线应用。它能够驱动一或多个串联的LED,又可轻松扩展,配合不同的LED电流水平,还可通过软开关得到良好的效率。新电路(见图5)的设计基于现存的IRS2530D调光控制IC

图5 新型的IRS2530D离线LED控制电路
输出级经过改进,可由荧光灯改为驱动LED。它也不需给负载预热或触发,因此可把谐振回路改为一个串联的L-C-LED类型 (而不是荧光灯惯用的串联L和并行R-C)。由于输出电流属于交流电,因此该电路中加入了一个全波桥式整流器,使电流在每个高频开关周期内都会流经LED。
交流电流检测仍然通过一个置于整流器底部和COM之间的电阻器来进行,并且对全波整流LED电流幅值直接进行测量。测量结果会通过电阻器RFB和电容器CFB耦合于DIM引脚。IRS2530D的调光控制环路会连续调节半桥开关电路,确保标称有效值LED电流保持于生产商所定的规格内,使LED电流的振幅得到适当调节。假如LED电流下降,环路就会降低频率,从而提高谐振回路的增益,增强LED电流。假如LED电流上升,环路就会提高频率,从而减少谐振回路的增益,减弱LED电流。调光控制环路可针对交流线路、负载和温度的变化保持LED电流恒定,也用于一或多个串联LED上。
实验结果
实验结果显示了在正常启动和工作状态下的波形(见图6及图7)。

图6 启动中的LED电流(高1A/div)、DIM引脚电压(中1V/div)及VCO引脚电压(低2V/div),时标=50msec/div

图7 启动中的LED电流(高1A/div),D4:A-D3:A桥式整流器电压(中25V/div) 及VS引脚电压(低100V/div),时标=5μsec/div
当交流线路电压首次导入,VCC会充电,启动IC。输出频率由IC的最高频率开始,一直扫落至串联L-C-LED谐振电路的谐振频率。频率扫描由VCO引脚上的电容器CVCO负责。LED电流(通过电阻器RCS来测量)随着频率的下降而增加,使DIM引脚上的交流信号的振幅增加,直到交流信号的谷值到达COM(见图6)。
然后集成电路便进入调光模式,调光环路生效。调光环路会连续调节输出频率,确保DIM引脚上的交流信号的谷值保持于COM,LED电流的振幅保持不变。LED电流(见图7)是全波整流,工作于半桥中点(VS引脚)的两倍频率。基于电路的谐振,LED电流的波形呈正弦曲线。这样便能够把电流峰值因素保持于低水平,无需过量的峰值电流也可实现标称LED有效值电流。
IRS2530D还包含可针对所有交流线路和负载故障情况提供完善保护的额外电路,包括交流电源掉电、开路(无负载或LED故障)及短路故障情况。
结语
本文介绍的这款新型离线LED控制电路的结构十分简洁,可针对LED的需要提供良好的恒流调节功能,又可轻松扩展,适应不同的输入电压范围和LED电流水平,而且能够灵活地把不同数量的LED连接到输出。IRS2530D可以成功驱动荧光灯和LED应用电路。该IC在低成本的8引脚解决方案中集成了完整的控制功能,控制环路无论在任何交流线路和负载情况下,都可以提供良好的恒流性能。集成电路更能够侦测所有故障状态,然后安全地把电路停止。假如需进一步改进电路,可以考虑加入LED的脉冲宽度调制开/关调光功能。
射频工程师养成培训教程套装,助您快速成为一名优秀射频工程师...
天线设计工程师培训课程套装,资深专家授课,让天线设计不再难...
上一篇:高功率LED的封装结构分析
下一篇:全彩贴片式SMD显示屏分析

