- 易迪拓培训,专注于微波、射频、天线设计工程师的培养
液晶显示模块设计中应注意的几个问题( )
随着信息产业的迅速发展,作为信息显示终端之一的LCD器件也得到了空前的发展。在FPD(Flat panel display)器件中,LCD以其轻、薄、小、耗电低等优点而一枝独秀。
为LCD配置了驱动电路,就形成了液晶显示模块LCM(Liquid Crystal Module)。它的基本组成部件除了LCD、驱动电路外一般还有连接件、背光源等。液晶显示模块同一个系统中的其他电路一样,有简单的接口,并提供了丰富的控制显示的指令系统。为整机的开发节约了时间。下面讨论LCM设计中的应注意的几个问题及解决方法。
对比度
对比度是描述一个显示器件在显示时前景(如显示的文字、图形等)和背景之间明暗差别大小的一个量。以正性液晶显示器件为例,对比度公式如下:
Cr=(N1/N2)×100%
Cr是对比度,N1是像素点未显示时的光线透过率,N2是像素点显示时的光线透过率。对比度越大,显示就越清楚,反之,则显示暗淡不清。LCD的对比度与其自身的特性关系较大,如电光特性曲线的陡度等。从电路驱动的角度来讲对比度的控制主要受下面几个参数的影响。
● 偏压电路
设IC的驱动路数为N,那么驱动波形的占空比D和偏压B为:
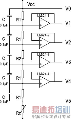
以HITACHI的驱动芯片HD61203为例,驱动LCD的最大路数为64,即占空比为D=1/64,那么偏压比B=1/9,如图1所示,偏压电路中R2的取值应是R1的5倍,R2=5R1。例如R1=1k,则R2=5R1=5k。
当芯片的驱动路数大于64个时,芯片的工作频率也会相应提高,同时偏压电阻也会因为偏压比的增大而提高阻值。这样就不可避免地使偏压电路的几个输出端V1、V2等的驱动能力下降,这就对LCD的驱动带来了负面影响。为了解决高路数屏的驱动问题,在偏压电路的设计上,应当提高V1、V2等输出端的驱动能力。
在图1中,在各输出端增加了运算放大器LM324。LM324是一个具有四运放的可使用正负电源工作的运算放大器。它的每一个运放都接成电压跟随器的形式,使得V1、V2等输出端的驱动能力大大增强,可以大大改善LCD的对比度。电路中的Rc为10~20kΩ的可变电阻,在模块对外部的接口处引出,可以随时调整显示的对比度。
驱动波形的改善
由于一般的模块电路设计相对简单,无须进行电磁干扰分析。但在高占空比产品中,用示波器可以发现芯片的输出波形往往会变得较差,这对显示的对比度也有一定程度的影响。为了改变这种情况,可以在偏压电路的每个电阻上并联一个0.1μF的电容,可改善输出波形。
以输出B形波的芯片的COM线为例。在没有加电容之前选择点和半选点的电压波形都有畸变,畸变严重时会造成串扰影响显示对比度,波形如图2所示。增加电容后,波形会得到很大的改善,波形如图3所示。


工作频率问题
在实际调试一款显示容量为128×64点阵显示的模块样品时,发现模块在隔行显示时,显示明显变淡,对比度极差。经分析后认为,有两种办法可以解决。一是调整模块的RC振荡电路,降低R的阻值,使振荡频率由原来的47kHz下降为20kHz;二是在偏压电路部分加入驱动电路(如前所述)。两种办法都达到了预期效果。但第一种办法由于降低了模块的工作频率,因而会使显示的祯频也随之降低,这就造成了LCD整屏显示时会象电视画面一样产生的闪烁现象,这种现象在荧光灯下观察更容易发现,不过在自然光线或白炽灯下显示效果还算理想,在实际调试时可以根据实际情况,选择合适的电阻值;第二种办法会增加产品的成本。
液晶显示屏设计中应注意的问题
液晶显示屏是由具有透明电极的ITO玻璃和液晶、偏振片等材料组成的。从电路的角度来讲,LCD上ITO走线电阻的大小对显示对比度有很大的影响。LCD的一个近似等效电路如图4所示。其中R1表示从LCD电极到LCD像素点的ITO电阻;R2表示LCD像素点的等效直流电阻;C表示该像素点的等效电容。
要实现良好的对比度,应该降低R1,增大R2,同时使C的容抗也尽量增加,这样才会使这条支路上的电压大部分降在LCD的像素点上,下面分别讨论这几个参数的情况。
一般情况下,C通常为每平方厘米几个皮法。在LCD驱动波形的频率较高时,C的容抗变小,电流将增加,这会使IC驱动波形的幅值被拉低,造成液晶分子不能在驱动电压的作用下很好地“立起”或“倒下”,使得它对光线的调制能力减弱而使对比度变差。在频率不变的前提下,要减小C值使回路阻抗增大,以降低LCD自身功耗对IC驱动能力的影响。根据平板电容器的电容公式:C=s/4πkd(C是介电常数;s是平行板的正对面积;k是静电系恒量;π是常数)
电容的大小,主要受两方面的影响,一是象素点的面积S;二是上下两片玻璃ITO之间的距离d。由于象素点的大小已经由客户确定,不能改变,要减小C值只能在d上考虑,但由于生产工艺的原因,d的可调范围很小,一般只有几个微米。因此C调整将非常有限。
那么剩下的两个参数中的R2,其阻值的大小主要是由液晶纯度决定的。液晶越纯,其中的自由离子就越少,等效直流电阻就会越大,因此在LCD的生产中注意环境的净化程度,保证各环节不会受到污染,从而保证液晶的纯度,使R2最大。至于R1,对于设计人员来说,要在设计过程尽量减小R1却是相对容易的,这也是所讨论的这几个参数中最容易调节和有效的。
下面将说明如何在设计中减小ITO的走线电阻R1,示意图如图5。
描述ITO电阻的一个主要参数是方块电阻R□。R□是ITO玻璃生产商提供的一个参数,小到十几欧姆,大到一百几十欧姆。其大小与ITO材质的电阻率和ITO膜的厚度有关。在R□一定的条件下,一段ITO走线电阻的大小是由走线长度和线宽决定的。一段长为L,宽为d的ITO走线的电阻计算方法为,R=H(L/d)R□
例如,已知R□=30Ω/□,长L1=40mm,L2=30mm,宽d1=0.5mm,d2=0.4mm,那么这段ITO走线的电阻R1=(L1/d1+L2/d2)R□=(40/0.5+30/0.4)×30=4.65kΩ。
从电阻的计算公式可以看出,在R□一定的前提下,要减小走线电阻R1,只能缩短ITO的走线长度L和增加ITO走线的宽度d。在设计LCD的布线时,应格外注意这一点,以使整段ITO走线的电阻尽量小,这在COG(Chip on Glass)类液晶显示模块产品的设计中至关重要。
另外,在缩短走线长度L和增加线宽d的同时,应注意整个屏上ITO走线的电阻分布情况。一般来说,L比较大的,相应地d也要大,对于每一条ITO走线都要保证公式中L/d是一个基本不变的量,从而使R分布的尽量均匀,这也有助于改善整个屏的对比度。
背光源
由于液晶显示器是靠反射光线进行显示的器件,因此在环境光线较弱时,就需要有光源来使显示变得清晰。这就产生了液晶显示的采光技术。从目前背光源的类型来看,一般分为LED型、EL型和CCFL型。下面简单介绍这三种背光源各自的特点和选用原则。
LED背光源具有工作电压低、亮度高、使用寿命长的优点,发光颜色也有多种,但工作电流较大。一般一支LED典型的工作电压是2.1V,电流约10mA左右。在背光源的实际电路中,是把两支LED串联使用,使工作电压接近数字电路的工作电压5.0V。在显示面积较大的情况下,需要把很多LED串联后再并联起来,需要很大的电流。例如,一个发光面积为80.0mm×30.0mm的LED背光源就需要24对LED并联到一起,工作电流将达到240mA。这样大的电流对于功耗要求严格的系统来说是不允许的。为了降低电流,可以使用侧部发光的背光源。这种背光源是在导光板的侧部安装了LED的背光源,具有光线均匀、电流低、体积小的优点。
EL背光源是通过交变电场激发在两片透明电极中间的荧光粉发光而制成的,最大的特点是特别薄,厚度一般不超过0.8mm,而且发光均匀。缺点是需要较高交流电压来驱动(AC100V,400Hz)、寿命短。功耗一般为每平方厘米几个毫瓦,亮度为每平方米几十坎德拉。发光颜色有天蓝色、绿色、黄色等多种颜色,实际使用时,需要专门的驱动器。
CCFL背光源是这三种背光源中亮度最高的,可达到每平方米几千坎德拉。工作电压是1000V左右的交流电,在实际使用中也需要配置专门的驱动电路。一般在显示面积较大时采用这种类型的背光源,如笔记本电脑等。
总的来说,这三种背光源性能各有千秋,在实际设计液晶显示模块时可根据具体情况选择合适的光源类型。
射频工程师养成培训教程套装,助您快速成为一名优秀射频工程师...
天线设计工程师培训课程套装,资深专家授课,让天线设计不再难...
上一篇:利用重叠扫描方法改进单片机乘法运算
下一篇:用于平板显示器的RGB
LED

