- 易迪拓培训,专注于微波、射频、天线设计工程师的培养
一种有效的中断输入和LED动态显示方法
1 引 言
动态显示多采用专用芯片8279扩展键盘和LED显示器,该方式可实现键盘的中断方式或查询方式输入,但体积和功耗都较大。其他方式的扩展则难以实现动态显示,并且编程复杂,为克服以上缺陷,本文提出了在P1口的部分口线上实现2X8阵列的中断方式键盘输入和脱机硬件动态显示的新方法。
2 原 理
2.1 硬件设计
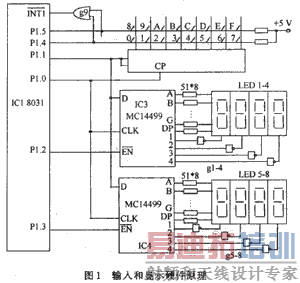
硬件原理电路如图1所示。在8031(1C1)的P1.0~P1.4低5位口线和外部中断INTl上实现键盘输入和LED显示器的扩展,其他口线全部留给用户使用。P1.0,P1.1分别为键盘扩展芯片74LSl64(1C2)和LED驱动芯片MCl4499(1C3)的公共时钟和公共数据线,P1.2,P1.3分别连接IC3,IC4的使能端EN。EN=1时,IC3,IC4封闭,CPU可对IC2进行复位、搜索准备和搜索键号等操作,IC2的数据打人在软件上保证为前沿触发。
![]() |

CPU欲对IC3操作时,令EN=0,打开IC3,然后采用后沿触发的方式将数据写入IC3,写完后,再令EN=1,封闭IC3,IC3在封闭状态下,内部的BCD-8段译码器自动地将内部的BCD代码译成LED段数据,并且自动、动态循环地驱动LED工作。口线P1.3,P1.4分别为键盘低8位和高8位的行线,2个行线分别接与门g5的2个输入端。系统上电后,CPU首先运行初始化程序,将P1.3,P1.4分别置1,向IC2打人8个"0",即"全零状态",确保任一键按下时,g5均输出为0,从而使任一键盘输入向CPU的中断申请有效。
常用的键盘输入多采用4×4阵列式16键输入方式,如果需要显示则需要扩展芯片,增加了设备的体积和复杂性。1×8的8键输入,往往造成键数不够使用,至于2×8的阵列,只是在一些文献上提出采用多个74LSl64扩展1×8键盘和静态显示的设想,没有论证和设计成形的东西,并且提出的是在串行口上扩展,用户若需要使用串行口则较麻烦。
本方案在P1口部分口线上实现键盘和显示的串行数据传送,采用完全附合IC2和IC3时序要求的模拟编程时钟实现串行通信,给用户提供了较大的方便。并且体积小、功耗低、硬件简单、容易编程、实用可靠。
IC3(MCl4499)是一种硬件动态LED显示器驱动器件,在数据打入、使能端电平升起后,能自动地以动态方式驱动LED工作。显然,他除了节省功耗,同时还节省机时,即只要不更换显示数据,CPU就无需对IC3操作。本方案充分利用了动态显示的主要特点。
IC2扩展键盘,采用中断方式,无键按下时,CPU执行用户程序,中断处理一个键号,只需25ms左右,大大节省了机时。有关MCl4499的封装、时序要求、数据格式及真值表请参考有关文献。
2.2 软件设计 主程序的基本流程如图2所示。系统上电运行主程序,初始化时先向IC2写人8个"0",即"全零状态"。用户按任意键,将使CPU进人中断服务程序,此后,先将全"0"标志清零,再将IC2置为7个"1"、个位为。的"搜索状态",然后采用循环移位方式搜索键号,求出键值,改写显示,最后返回主程序,并向主程序交付参数。从中断返回时,主程序查得全零标志必然为0,因此运行一此全零初始化程序,使IC2重新置成全零状态,以便响应再次的键盘中断。接着查本次键值是否为执行键,不为执行键则返回,为执行键则前4位键必然已经得到,CPU便根据第1位功能键所键入的后3位参数执行用户程序。
图3是中断服务程序流程图。

R6是列查询计数器,每查询一列,R6自动减1,8列判断完毕,没得到键号则返回。对每一列,都要对两行分别判断是否为0,延迟12ms是消抖动,对一行、二行在同一列所得到的键采用不同的运算方法,从而准确地算出键值,等待到键释放后,位标志自动增1,记住键位,以便数据处理子程序、显示子程序能够知道所得键值是一组数据的第几位。
数据处理子程序根据中断服务程序所指定的位数,将本次中断所得到的数据按照要求排列在约定的显示数据存储单元相应的位上,以便显示子程序提取;并根据键值确定返回数据;并将反回数据放置在约定的返回数据存储区相应单元内,以便主程序查阅。显示子程序按照硬件时序要求将显示数据打人LED驱动器IC3或IC4,然后,先返回数据处理子程序,接着再返回中断服务程序。
最后再从中断服务程序返回主程序。数据处理子程序流程图,如图4所示。

他被中断服务程序调用,完成显示数据的排序和反回数据的处理以及两种数据的约定存储。显示子程序的流程如图5所示。他被数据处理子程序调用,完成向LED驱动器IC3或IC4打人显示数据。

在主程序中,根据用户目标系统及外部情况变化,CPU执行用户其他程序,只有从中断服务程序返回后,第一次判别时,才执行一次全零初始化程序,将IC2清为"全零状态",无键按下时,中断服务程序、数据处理、数据显示子程序均不执行。显然,CPU在执行主程序过程中也总是跳过零初始化程序。
2.3 调 试
在图1硬件电路中,应注意LED必须为共阴极的数码管,根据LED大小不同,可适当减小阳极驱动电阻,或增加门电路驱动功率。Cost也要选择合适,以显示器LED不闪烁为准。
软件调试应注意中断触发方式,原则上后沿触发、电平触发均可,但一定要注意后沿触发时,中断服务程序内就不必对中断标志清零。
3 结 语
本文所提出的方法,在多个应用项目中使用用户剩余的端口空间大,软件移植方便,硬件变易挂接。
射频工程师养成培训教程套装,助您快速成为一名优秀射频工程师...
天线设计工程师培训课程套装,资深专家授课,让天线设计不再难...
上一篇:单片机巧用Windows矢量字库
下一篇:OLED关键工艺

