- 易迪拓培训,专注于微波、射频、天线设计工程师的培养
Xilinx FPGA 配置电路分类
FPGA配置电路可以看成用户设计和硬件电路之间的连接纽带,最终目的是在一定外部条件下,准确快速地实现FPGA系统配置。
在FPGA的配置系统中,软件编程由FPGA提供商提供,设计人员要掌握其操作方法,
将配置数据从PC加载到XilinxFPGA芯片的整个配置过程,可分为以下步骤:初始化;清空配置存储器;加载配置数据;CRC错误检查,START-UP
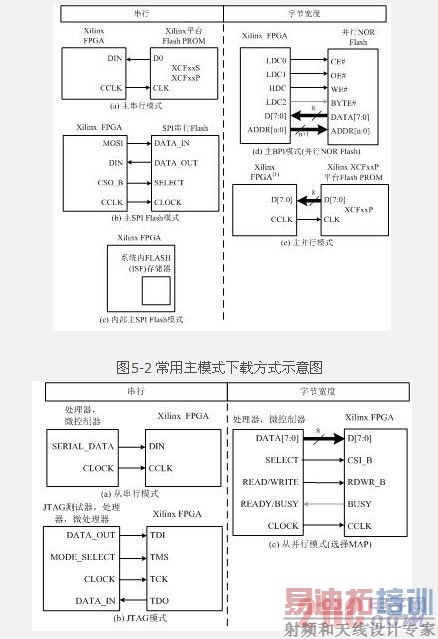
FPGA配置方式灵活多样,根据芯片是否能够自己主动加载配置数据分为主模式、从模式以及JTAG模式。典型的主模式都是加载片外非易失( 断电不丢数据) 性存储器中的配置比特流,配置所需的时钟信号( 称为CCLK) 由FPGA内部产生,且FPGA控制整个配置过程。从模式需要外部的主智能终端( 如处理器、微控制器或者DSP等) 将数据下载到FPGA中,其最大的优点就是FPGA 的配置数据可以放在系统的任何存储部位,包括:Flash、硬盘、网络,甚至在其余处理器的运行代码中。JTAG 模式为调试模式,可将PC 中的比特文件流下载到FPGA中,断电即丢失。此外,目前赛灵思还有基于Internet 的、成熟的可重构逻辑技术System ACE解决方案。
(1) 主模式
在主模式下,FPGA上电后,自动将配置数据从相应的外存储器读入到SRAM中,实现内部结构映射;主模式根据比特流的位宽又可以分为:串行模式( 单比特流) 和并行模式( 字节宽度比特流) 两大类。如:主串行模式、主SPI Flash 串行模式、内部主SPI Flash串行模式、主BPI 并行模式以及主并行模式,如图5-19所示。
(2) 从模式
在从模式下,FPGA 作为从属器件,由相应的控制电路或微处理器提供配置所需的时序,实现配置数据的下载。从模式也根据比特流的位宽不同分为串、并模式两类,具体包括:从串行模式、JTAG模式和从并行模式三大类,其概要说明如图5-20所示。
(3)JTAG模式
在JTAG模式中,PC和FPGA通信的时钟为JTAG接口的TCLK,数据直接从TDI进入FPGA,完成相应功能的配置。
目前,主流的FPGA芯片都支持各类常用的主、从配置模式以及JTAG,以减少配置电路失配性对整体系统的影响。在主配置模式中,FPGA自己产生时钟,并从外部存储器中加载配置数据,其位宽可以为单比特或者字节;在从模式中,外部的处理器通过同步串行接口,按照比特或字节宽度将配置数据送入FPGA芯片。此外,多片FPGA可以通过JTAG菊花链的形式共享同一块外部存储器,同样一片/ 多片FPGA也可以从多片外部存储器中读取配置数据以及用户自定义数据。

射频工程师养成培训教程套装,助您快速成为一名优秀射频工程师...
天线设计工程师培训课程套装,资深专家授课,让天线设计不再难...
上一篇:数字逻辑电路C语言描述方法介绍
下一篇:脉搏血氧仪原理与全面解决方案

