- 易迪拓培训,专注于微波、射频、天线设计工程师的培养
终于学会了电器.电路图的基本绘制了
录入:edatop.com 点击:
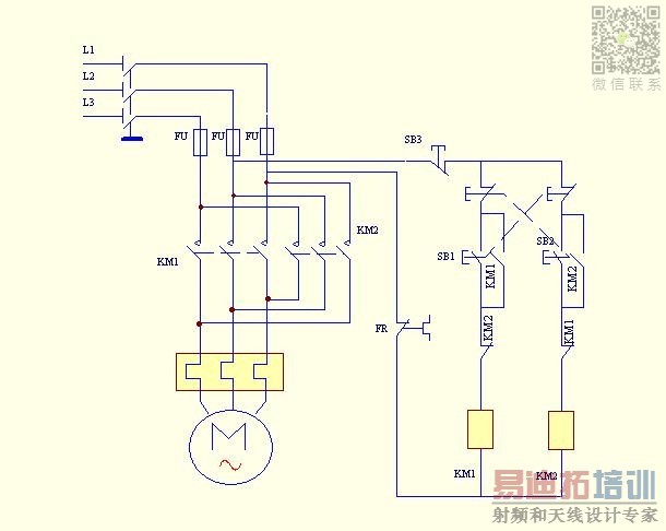
经过长时间努力终于学会了使用protel99se软件绘制电器.电路图的绘制了,因为菜单大都是英文的,所以学习起来不太容易,今天很高兴,上传一份电动机正反转的控制图.


好样的

