- 易迪拓培训,专注于微波、射频、天线设计工程师的培养
圆环天线的一个问题
录入:edatop.com 点击:

我在仿真的



时候
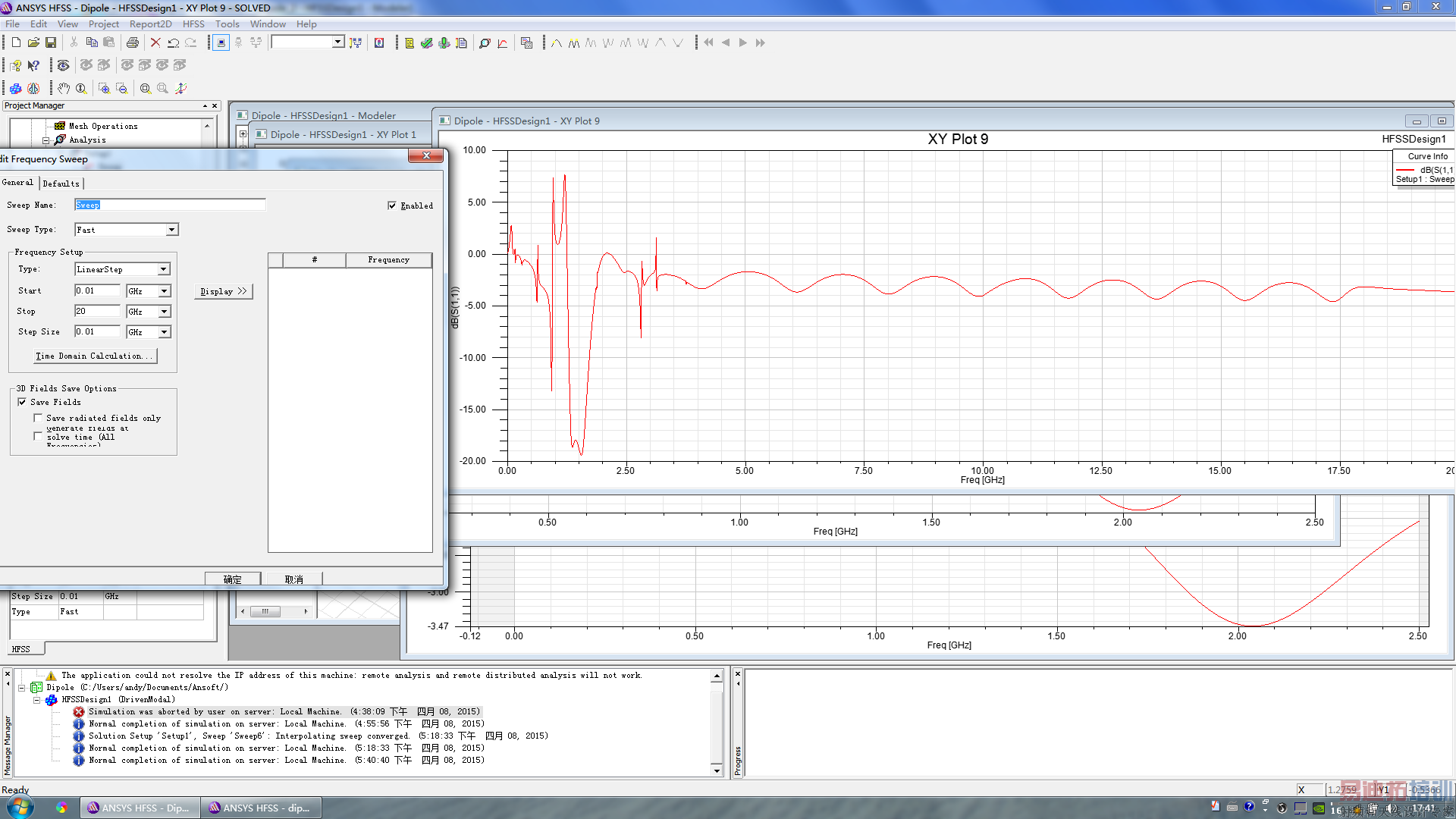
当我扫频0-20G,step size 为0.01G时,在1.5G左右可以看到一个 - 20DB的点
而1M - 10G ,step为0.5M时
却看不到那个- 20DB的点了。
请各位看一下
对不起 ,图有点乱。我是新手
就两个图
一个可以看到-20DB的点,一个看不到
1。怀疑可能是hfss 刨分网格的问题,你可以再算一遍看一下;
2. 扫频时,linear step算法的问题,最初你设置频点不够密,后边加密后就没有这个问题了,还是以以加密频点计算的结果为准。
3.你可以在1.5G 左右加几个离散频点仿真一下,是否还存在这个问题。
不懂。
你用的是fast扫频算的,而你计算的频带很宽,特别是从很低的频率到20GHz,这个跨度就大了。建议你将频带划分为几个小的频带,在各自中心频率求解扫频
申明:网友回复良莠不齐,仅供参考。如需专业解答,请学习易迪拓培训专家讲授的HFSS视频培训教程。
上一篇:天线的馈电与效率
下一篇:HFSS的模型如何导入到ADS中


