- 易迪拓培训,专注于微波、射频、天线设计工程师的培养
请问HFSS中滤波器耦合的问题
录入:edatop.com 点击:
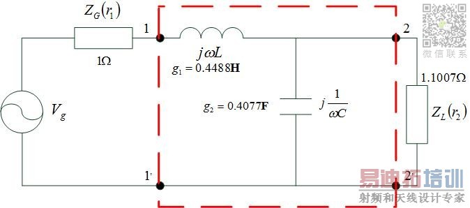
本人最近设计了一个切比雪夫带通滤波器,先从低频LPF电路转换成低频BPF电路。
↓↓↓↓↓↓
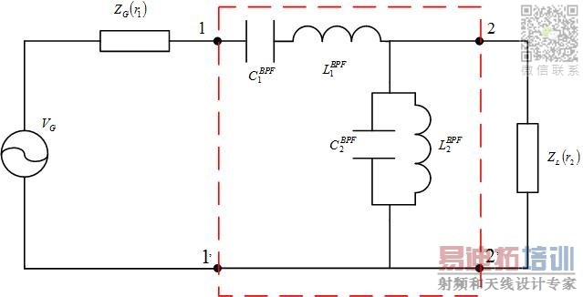
然后经过传输线变换器变化得到高频BPF电路
最后传输线部分考虑选用微带线,这里请问各位这两个微带线在HFSS中怎样连接?

↓↓↓↓↓↓

然后经过传输线变换器变化得到高频BPF电路

最后传输线部分考虑选用微带线,这里请问各位这两个微带线在HFSS中怎样连接?


申明:网友回复良莠不齐,仅供参考。如需专业解答,请学习易迪拓培训专家讲授的HFSS视频培训教程。
上一篇:求大神指导图中弹片部分怎么仿真
下一篇:HFSS仿真RCS若干问题


