- 易迪拓培训,专注于微波、射频、天线设计工程师的培养
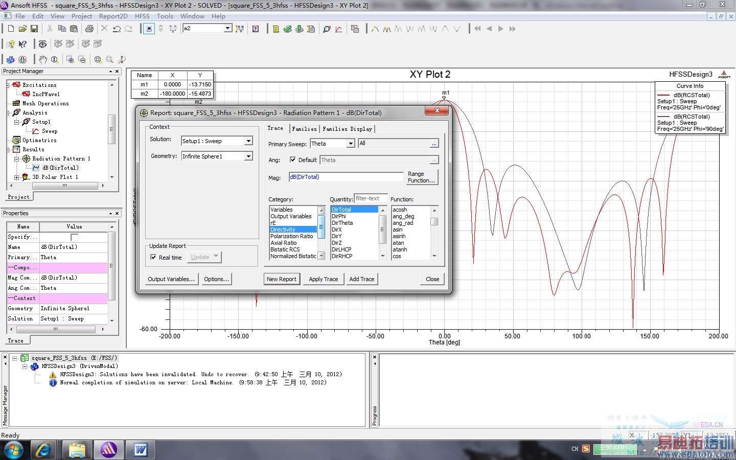
HFSS设置平面波入射时,散射方向图如何查看
录入:edatop.com 点击:
各位,
在模型设置中,激励源设置为平面波入射,计算结束后,应当如何设置,可以查看模型的散射方向图?

在模型设置中,激励源设置为平面波入射,计算结束后,应当如何设置,可以查看模型的散射方向图?

您好,我现在遇到了一个计算屏蔽效能的问题,里面要设置入射波为平面波,能不能介绍一下这个怎么设置,应该与在端口上设置激励完全不一样吧?!
申明:网友回复良莠不齐,仅供参考。如需专业解答,请学习易迪拓培训专家讲授的HFSS视频培训教程。
上一篇:WLAN双频微带天线模型
下一篇:hfss可以做工频电磁场分析吗?


