- 易迪拓培训,专注于微波、射频、天线设计工程师的培养
短距离无线通讯在汽车RFID系统设计中的应用
本系统是基于数字通信原理、利用集成单芯片窄带超高频收发器构建的无线识别系统。阐述了该无线射频识别系统基本工作原理和硬件设计思路,并给出了 程序设计方案的流程图。从低功耗、高效识别和实用角度设计适用于车载的射频识别标签。测试结果表明,本系统在复杂路面状况(繁忙路面)的条件下可实现 300m范围内有效识别,视距条件下可达到500 m范围有效识别。
物联网是指通过各种信息传感设备,如传感器、射频识别(RFID)技术、全球定位系统、红外感应器、激光扫描器、气体感 应器等各种装置与技术,实时采集任何需要监控、连接、互动的物体或过程,采集其声、光、电、生物、位置等各种需要的信息,与互联网结合形成的一个巨大网 络。其目的是实现物与物、物与人,所有的物品与网络的连接,方便识别、管理和控制。本项目针对车载物联网中的数据采集、传输与应用的关键问题,展开研究, 设计基于短距离无线射频通信技术的新一代车载射频识别系统。系统由短距离无线通讯车载单元(On-Board Unit,OBU)和基站系统(Base Station System,BSS)组成一个点对多点无线识别系统(Wireless identification system,WIS),可用于在基站覆盖范围内车辆识别和智能导引。
1 系统硬件设计
系 统硬件主要由控制部分、射频部分和外部扩展应用部分组成。以低功耗MCU为控制单元,集成单芯片窄带超高频收发器,内置优化设计天线.采用先进的光伏电池 供电,实理高集成度短距离无线识别射频终端(OBU)。本终端体积小、功耗低、适甩范围广,并且建立开放的协议和标准接口,便于与已有系统或其他系统对 接。
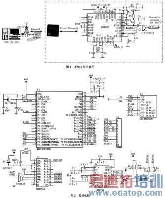
系统工作示意如图1所示。

1.1 控制电路设计
控制单元采用业界低功耗应用比较成熟的TI公司生产的MSP430系列,该系列是TI1996年开始推向市场的一种16位超低功耗的混合信号处理器(Mired Signal Proessor),其针对实际应用需求把许多模拟电路、数字电路和微处理器集成在一个芯片上,提供“单片”解决方案。在WIS系统中OBU和BSS中工作原理相同,所以重点介绍OBU部分设计,其控制部分原理图如图2所示。
MSP430F2274的输入电压为1.8~3.6V电压.在1 MHz的时钟条件下运行时,芯片的耗电在200~400μA左右,时钟关断模式的最低功耗只有0.1μA。由于系统运行时打开的功能模块不同,采用了待机、运行和休眠3种不同的工作模式,有效地降低了系统功耗。
系 统使用两种时钟系统;基本时钟系统和数字振荡器时钟系统(Digitally Controlled Oscillator,DCO),使用一个外部晶体振荡器(32 768Hz)。在上电复位后,首先由DCOCLK启动MCU(Microprogrammed Control Unit微程序控制器),以保证程序从正确的位置开始执行,保证晶体振荡器有足够的起振及稳定时间。然后软件可设量适当的寄存器的控制位来确定最后的系统 时钟频率。如果晶体振荡器在用作MCU时钟MCLK时发生故障,DCO会自动启动,以保证系统正常工作;如果程序跑飞,可用看门狗将其复位。本设计使用到 了片上外围模块看门狗(WDT)、模拟比较器A、定时器A(Timer_A)、定时器B(Timer_B)、串口USART、硬件乘法器、10位/12位 ADC、SPI总线等。
1.2 射频电路
射频部分采用TI公司CC1020作为射频控制单元,该芯片为业界首例真正的单芯片窄带超高频收发器,有FSK/GFSK/OOK 3种调制方式,最小通道间隔为50 kHz,可满足多通道窄带应用(402~470 MHz以及804~94O MHz频带)的严格要求,多个工作频段可自由切换,工作电压2.3~3.6 V,非常适合集成扩展到移动设备作为无线数传或电子标签使用。该芯片遵从EN300 220.ARIB STD-T67以及FCC CFR47 part15规范。
选择载频频率430 MHz为工作频段,此频段为ISM频段,符合国家无线管理委员会标准,无需申请频点。采用FSK的调制方式,拥有较高的抗干扰能力和低误码率,采用前向纠 错信道编码技术,提高了数据抗突发干扰和随机干扰的能力,在信道误码率为10-2时,可得到实际误码率10-5~10-6。在开阔地视距条件、波特率为 2A Kbs、大吸盘天线(长度2m,增益7.8 dB距离地面高度2m)时数据传输距离可达800 m。该RF芯片标准配置可提供8个信道能够满足多种通信组合方式。由于采用窄带通讯技术,增强了通讯稳定性和抗干扰性。射频部分原理图如图3所示。

1.3 系统供电
系 统供电部分由光伏电池作为日常工作供电和锂亚电池作为备用电池相结合供电方式。在光照较好的条件下通过太阳能给蓄能电池充电,每天保证一定的光照时间可基 本满足OBU日常工作需要,极大地延长了备用电池的使用寿命,同时延长了OBU的工作寿命。适合经常在室外运行的车辆使用,可采集到充足的阳光供光伏电池 工作。
1.4 系统开发环境
系统开发环境如下:1)IAR Embedded Workbench for MSP430编译器;2)PADS PCB Design Solutions 2007比思电路板设计工具。
2 系统程序设计
程序采用模块化设计,用C语言编写。主要由4部分在组成:主程序模块、通信程序模块、外围电路处理模块、中断和存储模块。主程序主要完成控制单元的初始化、各种参数的配置及各外围模块配置和初始化等;通信程序模块主要处理对RF芯片的配置以及433 MHz收发处理;外围电路处理模块主要对系统外部LED指示、电压检测、声音提示以按键及其他处理;中断和存储模块主要处理系统中断和记录存储。主程序流程如图4所示。

3 RF通信流程
OBU与BSS通信流程分为3步:建立链接、信息交换和释放链接,如图5所示。

第 1步:建立连接OBU所在位置的坐标信息及其ID码通过预置参数存储在控制单元MCU的Flash中,并被长期保存。BSS(基站系统)利用下行链路向 OBU循环广播发送定位(基站识别帧控制)信息,确定帧结构同步信息和数据链路控制等信息,进入有效通信区域内的OBU被激活后即请求建立连接和进行有效 性确认并发送响应信息给对应的OBU,否则不响应;
第2步:信息交换本设计采用探测射频信号强度大小的方法来确定OBU是否进入服务区,经 探测信号强度大于最大信号的1/2时,收发双方实现无线握手,此时认为OBU已经进入服务区。在此阶段中,所有帧必须带有OBU的私有链路标识,并实施差 错控制。对于OBU上下行的判断可以通过ID号来判断是否属于同一个系统,不是同一个系统的ID号的OBU从记录中自动删除。OBU上报信息时采用跳频机 制,随机选择所处服务区的某一固定信道进行握手通信,防止发生信道堵塞。
第3步:释放连接同样采用探测信号强度小于最大强度的1/2时,认为车子已经离站。RSU与OBU完成所有应用后,删除和链路标识,发出专用通信链路释放指令,由连接释放计时器根据应用服务确认释放本次连接。
4 OBU与BSS通讯流程的开发
通讯协议依据开放系统互联体系结构七层协议模型建立了三层的简单协议结构,即物理层、数据链路层和应用层。
1)物理层 物理层主要是通信信遭标准,由于目前国际上尚未形成关于433 MHz短距离无线通讯统一的标准,各种标准定义的物理层也不尽相同,如表1所示。图6为曼彻斯特编码方式。

2)数据链路层 数据链路层控制着OBU与BSS之间的信息交换过程,对数据链路连接的建立和释放,数据帧的定义与帧同步,帧数据传送的控制、容错控制、数据链路层控制和链路连接的参数交换等作了规定。数据传输以数据帧传输进行,如图7所示。
3)应用层 应用层制定标准的用户功能程序,定义各路应用之间通信消息的格式,提供开放的消息接口,供其他数据库或应用程序调用。
5 结束语
本 文所设计的射频识别系统采用TI低功耗系列的MSP430微控制器,是TI公司专门针对电池供电设备低功耗所设计。射频芯片也为TI公司CC1020,集 成度高,可实现体积小、功耗低、易于安装,适用于建设车辆免停车监测与监控系统。测试结果显示在复杂路面状况(繁忙路面)可实现300 m范围内有效果识别,视距情况可达到500 m范围内识别。
如何成为一名优秀的射频工程师,敬请关注: 射频工程师养成培训
上一篇:通信开关电源的EMC分析
下一篇:IBM ACS屏蔽方案

