- 易迪拓培训,专注于微波、射频、天线设计工程师的培养
RMXPRT/MAXWELL和SIMPLORER的联合仿真
软件:MAXWELL11.1.1,SIMPLORER7.05
1. 建立RMXPRT模型
电机为4极9槽稀土永磁无刷电机,这里不讨论电机的实际设计,所以具体参数不列出了,只当作操作步骤演示。

2. 设置好电机的各项参数后,计算电机的性能,得到电机的特性参数,后面将对RMXPRT的数据和SIMPLORER的数据做比较,所以这里列出了电机的力矩和电流曲线。
力矩-转速曲线

电流-转速曲线

请注意6000RPM时的力矩和电流数值,分别为124mNm,4.18A.请注意在这个例子里设置了限流值5.0A,后面SIMPLORER里同样有这个设置。
3. 输出RMXPRT的SIMPLORER模型,步骤见下图

4. 到这里RMXPRT的操作就结束了,输出的模型A相绕组的中心对准磁极的中心.这个很重要,在RMXPRT中,对准是自动进行的,在MAXWELL里就要使用者自己来做。
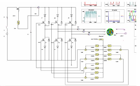
5. 在SIMPLORER中导入前面建立的RMXPRT模型,

路径是MODELAGENTADDONINTERFACESRMXPRT
6. 将上图中的RMX-LINK图标拖到SIMPLORERSCHEMATIC的窗口中,双击图标

电机IMPORTMODEL,在路径中指定RMXPRT的SIMPLORER模型的路径,这样,电机的SIMPLORER模型就导入了,RMX-LINK图标变成了电机的实际外形。下面是逆变器模型。
7. 逆变器用MOSFET构成,这里为了简化,MOSFET用了系统级的元件模型。


8. MOSFET驱动电路

这个驱动实际上就是将电机的3相绕组导通的时序规律用SIMPLORER的模块表示出来。1相的信号由正脉冲和负脉冲合成而成。
SIMPLORER提供的构成驱动的方法多种多样,大家可以尝试不同的方式。
9. 添加限流电路

这个是电流滞环控制,电流设置值与RMXPRT里的相同。
设置电机的运行速度为6000RPM.
10. 到这里,联合仿真的模型完全建立了。因为RMXPRT是磁路法的计算软件,所以联合仿真的过程只有几秒钟就结束了。为了了解可能发生的设置错误,先看看MOSFET的开关信号是否正常。
A相MOSFET开关信号

这个开关信号正常。
11. 仿真结果
相电流

电机电流

电机电流4.76A.
力矩

力矩平均值为127mNm.
到这里,RMXPRT和SIMPLORER的联合仿真就完成了。下面是MAXWELL和SIMPLORER的仿真实例。
12. 建立MAXWELL模型
在RMXPRT中执行EXPORT命令,生成MAXWELL模型,步骤为:
RMXPRTANALYSISSETUPEXPORTMAXWELL2DMODEL指定模型文件地址

导入后的MAXWELL项目文件

13. 材料属性设置
材料属性按实际情况设置,这里为了和RMXPRT比较,设置得和RM一样就行了。MAXWELL还需要特别设置CORELOSS,用材料的实际值就可以。
14. 转子和定子对齐
前面讲过,转子磁钢中心要和绕组中心对齐,这样便于设置激励的时序,在这个例子中,转子被逆时针转动了70度。
15. 外电路设置
导入的RMXPRT模型其绕组物体名称已经设置好了,我们要做的就是将绕组的极性和连接方式告诉MAXWELL,设置每相33匝,每相3个线圈,每相电阻0.15欧姆,漏感1E-5H.

16. 边界条件设置
在定子的边缘设置矢量势A=0边界
17. 设置网格,BAND,机械特性,
为了简化起见,本例使用初始网格。设置BAND物体为BAND.因为后面将要进行联合仿真,运动设置会被SIMPLORER的设置所覆盖,同时因为是匀速运动,所以转动惯量是不用设定的。如果是模拟启动过程,可以将RMXPRT计算出的转动惯量填入。
18. 设置USECONTROLPROGRAM,受TDSLINK_TCP.EXE控制。

同时设置电机长度为30毫米,设置步长和模拟时间。
19. 导入MAXWELL模型到SIMPLORER

MODELAGENTADDONINTERFACESFEALINK
将FEALINK图标拖入SIMPLORERSCHEMATIC窗口,然后双击图标,点击QUERY,如果模型设置正确,可以仿真,就会是蓝色的,反之,则是红色。

20. 因为MAXWELL模型和RMXPRT模型是同一个电机的模型,所以SIMPLORER的外电路是相同的,只要将MAXWELL模型替换RMXPRT模型就可以了。
21. 设置SIMPLORER仿真参数,这个没什么好说的,按实际情况设置。
22. 设置电机转速6000RPM,CCW方向。电机的转速由V_ROTB1控制,这是一个角速度设置模块。

将每相电阻,漏感全部设置好。
23. 外电路设置和RMXPRT一样,不多作介绍。
24. 仿真结果
相电流

电机电流

电流4.73A.
力矩

力矩113mNm.
铁耗

铁耗平均4.6W.
FLUXLINKAGE

仿真时间约为一小时。
MAXWELL+SIMPLORER的电流较RMXPRT+SIMPLORER很接近,因为MAXWELL使用了RMXPRT的电阻数据。力矩则有12%的差异,原因可能是2D的MAXWELL没有考虑端部的贡献。
作者:ENZO20090107

