- 易迪拓培训,专注于微波、射频、天线设计工程师的培养
光电耦合器组成的脉冲电路原理及应用电路
这里介绍的光电耦合器是由发光二极管和光敏三极管组合起来的器件,发光二极管是把输入边的电信号变换成相同规律变化的光,而光脉敏三极管是把光又重新变换成变化规律相同的电信号,因此,光起着媒介的作用。由于光电耦合器抗干扰能力强,容易完成电平匹配和转移,又不受信号源是否接地的限制。所以应用日益广泛。
一、用光电耦合器组成的多谐振荡电路
用光电耦合器组成的多谐振荡电路见图1。
当图1(a)刚接通电源Ec时,由于UF随C充电而增加,直到UF≈1伏时,发光二极管达到饱和,接着三极管也饱和,输出Uo≈Ec。
三极管饱和后,C放电(由C→F→E1→Er和由C→RF→+Ec→Re两条路径放电),uo减小,二极管在C放电到一定程度后就截止,而三极管把储存电荷全部移走后,接着也截止,uo为零。三极管截止后,电源Ec又对C充电,重复上述过程,得出图示的尖峰输出波形,其周期,为(当RF》Re时):
T=C(RF+Re)In2
图1(b)是原理相同的另一种形式电路。

图1、用光电耦合的多谐振荡器
二、用光电耦合器组成的双稳态电路
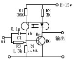
用光电耦合器组砀双稳态电路如图2所示。
电路接通电源后的稳态是BG截止,输出高电位。在触发正脉冲作用下,ib 增加使BG进入放大状态,形成ib↑→if↑→ib↑&uarr,结果BG截止,这种电路比普通的触发顺具有更高的抗干扰能力。若设BG的极限电流Ic=6毫安,则R2=取为:
R2≥(13-1)/(6×10)=24欧
限流电阻R1可按下式计算
R1≥(E-IbmRce2min)/Ibm
式中:Ibm是晶体管的最大基极电流,Rce2min是光敏三极管集射间的最小电阻值。

图2、用光电耦合的双稳态电路
三、用光电耦合器组成的整形电路

四、用光电耦合器组成的斩波电路
用光电耦合器组成的斩皮电路见表二


