- 易迪拓培训,专注于微波、射频、天线设计工程师的培养
基于电子纸技术的无线电子标签研究
1 引言
射频技术已获得广泛应用,尤其是在各行各业的管理中,如:银行的电子钱包、商业会员卡、公交卡、医疗保险卡、食堂售饭卡、门禁考勤卡、身份证卡等,随着管理的计算机化,基于射频技术的应用将越来越广,无线电子标签就是基于射频技术产生的。具有显示功能,可通过计算机进行集中管理。电子纸(ePaper)是新一代的显示装置,其特点是对比度超高,超低功耗.只有刷新屏幕时才用电,断电保持显示,超薄,最薄可做到0.1 mm,柔韧性良好,可任意弯曲折叠.基于电子纸以上特性.这里采用电子纸这一新型显示元件设计一种无线电子标签。
2 无线电子标签的工作原理
无线电子标签又名智能标签(Tag或Smart Labe1),其核心是采用射频识别RFID (Radio Frequency Identification)技术的,具有一定存储容量的器件。射频识别RFID是一种非接触式的自动识别技术.它通过射频信号自动识别目标对象并获取相关数据,无须人工干预.可工作于各种恶劣环境。无线电子标签由IC器件、感应天线、通信接口以及显示模块组成。无线电子标签的读写过程:读写设备(基站)通过天线定时向周围环境辐射电磁波,然后进入接收状态,等待电子标签(应答器)应答。由于RFID 自身不含电源,因此RFID进入电磁场时,首先通过自带的天线耦合读写器发射电磁波,将其整流滤波.对内部的一个电容充电。当电容电压上升到特定值时.无线电子标签已具备足够能量,此时电子标签启动。控制器件与电子纸显示模块通信,将一些数据发送到电子显示模块中,并返回信号给读写器。
无线电子标签IC依据ISO/IEC l5693使用13.56 MHz频率。无线标签上除IC外还有RF电路和电子纸用的驱动电路、内存和升压电路等。ISO/IEC 15693是通过电磁感应获得电压的通信方式,这里所开发的元件的电压为+3 V,由于驱动电子显示元件需+15 V.因此使用升压电路,并采用独立电源为电子纸驱动模块供电。系统硬件框图如图1所示。

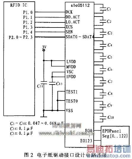
3 电子纸显示模块
电子纸是在两层透明软片问夹放带静电的有色小球.两种颜色颗粒、各带正负不同电荷。胶片外面加以正负电极,因为同性排斥、异性相吸原理,小球位置移动,从而点亮某段。电子纸真值表与静态显示液晶模块相类似,分为SEG段和TopPlane段.当SEG段和TopPlane段存在电势差时,电子纸中的电子墨水就会移动,相应段就会点亮或熄灭。
电子纸需要专门的驱动器才能驱动显示,这里电子纸驱动器件采用EPSON公司生产的slc05112.slc05112内置接口电路和驱动电子纸模块,3 V供电,便于与MCU通信。电子纸驱动模块分别与MCU的I/O端口相连接.通过I/O端口模拟电子纸驱动模块时序图。主控制器可以通过软件实现电子纸驱动模块的初始化启动、刷新显示和关断。图2为电子纸驱动接口设计电路连接。

RFID获取数据后刷新显示电子纸.电子纸掉电后仍可以显示, 因此该系统设计功耗低,slc05ll2在待机状态下电流只有O.1 µA,在1=作情况下也仅有28 µA,1节CR2032电池即可保证其一年的工作年限。
4 数据存储和处理系统
数据存储和处理系统应用框图如图3所示。

该系统的具体功能有:
(1)数据通讯功能即向上与计算机、向下与无线电子标签之间的通讯,数据存储处理模块与计算机之问的通讯采用RS232方式;数据通讯处理模块与计算机之间的通讯可采用RS232,也可以是RS485方式实现数据的远程传输(理论通讯距离是1200 m):
(2)数据暂存功能由于无线电子标签往往固定在货架上,价格数据最终由计算机处理,所以应将价格等商品显示信息写入该系统,因此必须具有存储功能.以获得一个与计算机独立的工作过程, 即在刷电子标签时不独占计算机,只有在下载数据时需要计算机:
(3)动态链接库方式使用动态链接库方式,使安装在计算机内的管理程序与数据存储和处理模块连接.可缩短各种应用系统的开发周期:
(4)电源供电可充式锂电,停电后机内数据可保存至少1个月以上,甚至更长时间:
(5)LCD显示LCD显示器接口,小键盘输入。
5 RFID 电子标签在超市中的应用
在超市等零售市场上,不同的时间段价格也不尽相同。每当价格有变化时就得重新更换价格标签。而使用新型显示元件后就可以通过写入器发送并显示新的价格信息。从而节省人力,同时也环保。超市商品的价格通常是通过电脑集中管理,然后打印价签贴到货架的标签栏,由于超市的商品种类繁多,人工操作造成一些错误。使用RFID后,物流和信息流可以实现对称。从而提高价格的精确性。
RFID系统可实时更新,使用方便,容易查找需要更新价格的单品,利用无线电波感应,使得查找商品变得更加容易 。
RFID电子标签系统安装和调试非常简单,后期的使用和运营维护也十分便捷,可提高识别商品的速度,能够提供可靠的性能和高度的安全性。
6 结束语
无线电子标签应用领域非常广泛,但往往缺乏显示功能。传统的显示方式不能从根本上解决功耗问题而电子纸可解决这一难题。
本文首先阐述了无线电子标签技术, 随后提供一款通用器件的电子纸接口,该接口兼容型强,只需几个I/O端口即可实现驱动电子纸的显示, 同时设计数据存储与处理系统。该系统能够更新电子标签信息,使信息传递及时准确。最后提出了电子纸无线标签的一种典型应用,即超市价格签。该应用完全颠覆了现有的超市价格更新体系,可自动完成耗时的劳动密集型工作,使超市的工作人员集中精力从事深层次的为消费者的服务工作。

